Устройство предназначено для автоматического поддержания температуры и может быть использовано в квартире, частном доме и др. помещениях при мощности электронагревателя до 5,5 кВт, а также для овощехранилища (в том числе на балконе), в инкубаторе, аквариуме и т.д. Предусмотрено подключение кондиционера и поддержание желаемой температуры охлажденного воздуха. Термостабилизатор может быть использован на производстве. При необходимости увеличения мощности до 100 кВт и более применяется соответствующий нагрузке магнитный пускатель или контактор (в том числе для трехфазной электросети), пусковая катушка которого подключается непосредственно к стабилизатору.
В различных радиотехнических изданиях было опубликовано немало электронных устройств для автоматического поддержания температуры, однако одни из них небезопасны в эксплуатации, так как датчик и элементы регулировки не имеют гальванической развязки с питающей электросетью [1], другие не обеспечивают необходимую точность поддержания температуры и не исключают частого переключения нагревателя ("дребезга") вблизи пороговой температуры [2], третьи сложны в изготовлении и содержат дефицитные элементы [3]. Предлагаемый вариант свободен от указанных недостатков. Кроме того, область применения устройства расширена за счет поддержания температуры с высокой точностью и увеличенной мощности, соответствующей имеющимся в продаже современным нагревателям и кондиционерам.
Описанный термостабилизатор обеспечивает поддержание температуры с точностью до ±0,С и возможность регулировки температурного интервала от момента включения до момента отключения нагревателя (кондиционера) от 0,1 до 1,5°С.

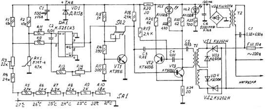
Рис. 1
При указанных на схеме (рис.1) номиналах обеспечивается фиксированное значение любой из семи значений температур 21...27°С. Данный интервал температур может быть сдвинут в сторону увеличения или уменьшения на 8...9°С резистором R3. Мощность, потребляемая электронным блоком термостабилизатора, не превышает 3,5 ВА.
Устройство представляет собой совокупность пяти функциональных узлов: электронного термореле, переключателя режимов работы, мультивибратора, импульсного трансформатора и тринисторного (симисторного) ключа, сетевого трансформатора с выпрямителем. Электронное термореле состоит из компаратора напряжения DA1 и измерительного моста. Датчик температуры, которым является терморезистор RK1, включен в плечо измерительного моста R1, R3-R10, R2, RK1, питаемый стабилизированным напряжением. Фильтр R1 1R12C2 ослабляет влияние помех на проводники, соединяющие терморезистор с компаратором. Резистором R14 устанавливают ширину "температурного гистерезиса" от 0,1 до 1,5°С. С уменьшением температуры сопротивление терморезистора RK1 увеличивается. В результате изменения напряжения на входе компаратора, последний, срабатывая, подает отрицательное напряжение на переключатель режимов работы SA2, VT1. В режиме "нагреватель" транзистор VT1 запускает мультивибратор, собранный на транзисторах VT2, VT3. Частота генерации составляет около 20 кГц, чем обеспечивается надежное срабатывание тринисторного (симисторного) ключа, подающего напряжение на нагреватель (кондиционер).
Импульсный трансформатор Т1 обеспечивает гальваническую развязку между электросетью 220 В и термостабилизатором, что соответствует требованиям электробезопасности. Первичная обмотка трансформатора подключена к коллекторам транзисторов VT2, VT3 через конденсатор С4.
Светодиод HL2 зеленого цвета свечения выполняет функции индикатора включения термостабилизатора в сеть, а светодиод HL1 красного цвета свечения индицирует о подаче напряжения на нагреватель или кондиционер. Если термостабилизатор предполагается использовать только для кондиционера, то надобность в установке переключателя SA2, транзистора VT1, резисторов R15-R17 отпадает. В этом случае необходимо перемычкой соединить вывод 7 компаратора DA1 с базой транзистора VT3. Если предполагается использоваться только нагреватель, то переключатель SA2 также не нужен, при этом вывод 7 компаратора соединяют с точкой соединения резисторов R15, R16, а коллектор транзистора VT1 - с базой транзистора VT3. В современных кондиционерах предусмотрена функция обогрева. В этом случае переключатель SA2 устанавливают в положение "Нагреватель".
Для питания термостабилизатора применяется любой сетевой трансформатор Т2, понижающий напряжение до 8... 10 В. Ток нагрузки не менее 200 мА. Трансформатор может использоваться от сетевого адаптера игровой видеоприставки. Кондиционер С7 уменьшает потребляемый ток из сети за счет компенсации реактивной энергии, потребляемой трансформатором. После подбора конденсатора ток уменьшился с 30 до 16 мА. Датчик с терморезистором RK1 можно располагать на расстоянии (1 0 м и более) от электронного блока. В этом случае подключение выполняют экранированным проводом в изоляции. Терморезистор RK1 необходимо защитить от механических повреждений, обеспечив свободный доступ воздуха.
Мощность нагревателя (кондиционера) в соответствии со схемой, показанной на рис. 1, не должна превышать 2,2 кВт, однако ее несложно увеличить до 5,5 кВт, применяя вместо двух тринисторов VD3, VL4 типа КУ202Н симистор ТС 1 22-25-6, как указано на рис.2. В этом случае используется одна вторичная обмотка импульсного трансформатора Т1. Конденсатор С8 обеспечивает включение симис-тора без тщательного подбора его параметров. В зависимости от мощности нагрузки тринисторы (симистор) необ-ходимо установить на теплоотводы из расчета 60 см на 1 кВт нагрузки.
При использовании термостабилизатора для инкубатора резисторы R5-R10 и переключатель SA1 не используются, а резистор R4 заменяют резистором на 15 кОм и соединяют с корпусом. Температуру 37,5°С устанавливают резистором R3.
При использовании термостабилизатора для овощехранилища резистор R4 заменяют резистором на 75 кОм и соединяют с корпусом. Температуру 2...4°С устанавливают также резистором R3.
Если необходимо использовать термостабилизатор в интервале температур от 0 до 100°С, резистор R1 необходимо заменить резистором на 5,1 кОм, а резистор R3 - на 100 кОм. Вывод резистора R4, который идет на переключатель SA1, соединяют с корпусом.
Большинство деталей термостабилизатора смонтировано на печатной плате из фольгированного стеклотекстолита толщиной 2 мм. Расположение деталей некритично. Импульсный трансформатор Т1 намотан на кольце размерами 20x12x6 мм из феррита 2000НМ. Все три обмотки одинаковые и содержат по 50 витков литцендрата ЛЭШД 7x0,07, который можно заменить проводом ПЭЛ-ШО 0,17. При изготовлении трансформатора обмотки и выводы должны быть надежно изолированы. Сопротивление изоляции между обмотками должно составлять не менее 0,5 МОм, измеренное мегомметром напряжением 500 В (ПУЭ п.1.8.34).
В устройстве использованы постоянные резисторы типа МЛТ, переменные - СПЗ-1а, конденсаторы типа КМ (С2-С8)иК52-1 (С1-С6).
Компаратор К521САЗ можно заменить К554САЗ. Транзистор VT1 типа КТ31 5Б может быть применен с другим буквенным индексом или любой из серии КТ301, КТ312, КТ3102. Вместо транзисторов VT2 и VT3 могут быть применены транзисторы КТ608. Диодную сборку VD2 можно заменить диодами КД1 05 и др. Вместо диодов VD3-VD5 можно применить диоды КД509А. Светодиоды также можно заменить другими. В качестве переключателя SA1 применен малогабаритный переключатель типа ПМ, но можно использовать другого типа, например П2К. В качестве переключателя SA2 применен тумблер типа МТД-1.
При установке импульсного трансформатора необходимо правильно подключить начала и концы обмоток, в противном случае потребуется поменять их местами.
Правильно собранный термостабилизатор начинает работать сразу. В отдельных случаях из-за разброса значений терморезистора RK1 может потребоваться подборка резисторов R5-R10 для установки точной фиксированной температуры переключателем SA1.
Литература
- АбрамовС. Терморегулятор для инкубатора//Рацио. -2002. - №9. -С.40-41.
- Беляков А. Простой терморегулятор//Радио. - / 989. -№3. -С.31.
- Киселев А. Термостабилизатор с цифровой индикацией//Радио. - 1994. - №6. - С.26-28.
Автор: В.Ю. Петровский, г. Чернигов
