В последнее время стал возрастать интерес автолюбителей к электронным системам открытия и закрытия дверей (центральный замок). Это связано с участившимися кражами из салонов автомашин магнитол и других ценных вещей. Как правило, установка только простой тревожной сигнализации не дает желаемого эффекта, так как вор успевает за несколько минут вынуть магнитолу и покинуть машину. Поэтому владельцы автомашин стали устанавливать сигнализации с приводами центрального замка.
Эта статья посвящена самодельной системе привода центрального замка, которая основана на микроконтроллере AT90S2313 фирмы Atmel. Для системы передач командна расстоянии используется инфракрасное (ИК) излучение. Этот выбор основан на том, что большинство радиолюбителей не имеют аппаратуры для настройки высокочастотных приемо-передающих устройств, а также опыта их сборки. Использование ИК-лучей облегчается тем, что в продаже имеются готовые приемники ИК для бытовой аппаратуры, содержащие в себе весь необходимый набор усилителей и детекторов и имеющие выход с логическими уровнями, пригодными для непосредственного подключения к микроконтроллеру.
Рассмотрим теперь схему и логику работы устройства.
Для передачи используется устройство, основанное на микроконтроллере AT90S2313. В данной схеме имеется две кнопки, в зависимости от состояния которых передается та или иная команда. Прошивка передатчика представляет собой программный кодер информации в стандарте RC-5. Данный стандарт широко распространен в бытовой аппаратуре, поэтому описание кодировки здесь не приводится (см. например, статью "Применение кода RC-5" в этом номере журнала - прим. ред.). Для того чтобы передаваемая информация не могла быть перехвачена сканером (в роли которого может выступать микрокомпьютер с IrDA портом), было решено использовать динамическую систему аутентификации. При этом используется счетчик нажатий кнопок с индексным выбором значений из трех таблиц по 256 байт. Такой способ был выбран в связи с тем, что в каждом конкретном случае легче модифицировать таблицы (которые должны быть одинаковы в приемнике и передатчике), чем заново переписывать математическую функцию. Еще одним аргументом было то, что функцию можно подобрать по нескольким значениям счетчика и результата, а 768 байт таблицы подобрать на порядок сложнее. Для создания таблицы можно использовать программу генерации случайных чисел.
Таким образом, информационная посылка передатчика состоит из следующих частей (см.табл. 1). Таблица 1
| 1 | 2 | 3 | 4 |
| Идентификационный байт | Байт команды (00, 01, 02) | Значение счетчика (4 байта) | Значение функции |
На схеме представлено два варианта исполнения передающего блока. Первый вариант (рис. 1) имеет постоянное питание 3 В, микроконтроллер в этом случае работает в режиме Sleep и выходит из него только по прерыванию, вызванному нажатием кнопки. Энергопотребление передатчика в дежурном режиме в этом случае составляет около 40 мкА.

Схема устройства вариант 1
Второй вариант (рис. 2) при ненажатых кнопках не потребляет энергии, но содержит на два диода и резистора больше.

Схема устройства вариант 2
При сборке передатчика целесообразно использовать компоненты в SMD-исполнении, а микроконтроллер - в корпусе типа SOIC. Светодиод применим любой для инфракрасного диапазона. Временные задержки в программе даны для кварцевого резонатора4,19 МГц. При использовании SMD-компонентов передатчик помещается в брелок от стандартной автосигнализации.
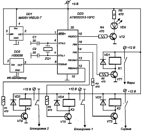
Сердцем стационарного блока (рис. 3) является также микроконтроллер AT90S2313. Программа микроконтроллера представляет собой декодер RC-5, систему аутентификации, а также содержит блоки управления приводами замков.

Микроконтроллер AT90S2313
Для приема управляющего сигнала используется готовый приемник RC-бтипа HS0038 или ему подобный. Однако необходимо учитывать то, что приемники рассчитаны на разную несущую частоту (от 32 до 40 кГц) и, возможно, потребуется подкорректировать временные задержки в программе приемника и передатчика. Необходимо также обеспечить установку приемника в месте, защищенном от попадания солнечных лучей.
Одной неприятной особенностью AT90S2313 является возможное разрушение информации в EEPROM при сбоях питания. Для обхода этой особенности необходимо использовать внешнююсхемусброса(например, MAX709, MAX809, MAX811 или аналогичные), а при питании от бортовой сети использовать добротный стабилизированный блок питания на 5 В, так как бортовая сеть является источником большого количества помех и высоковольтных выбросов, что при использовании некачественного стабилизатора может привести к нестабильной работе и даже повреждению устройства.
Рассмотрим далее работу устройства. Система рассчитана на работу с двухпроводными приводами замков, у которых сменой полярности управляется внутренний двигатель. По приходу команды "открыть дверь" микроконтроллер выдает логическую "1" на вывод PB0, при этом срабатывает реле RL4 и на выводе Lock(2) появляется потенциал +12 В относительно вывода Lock(1). По приходу команды "закрыть дверь" срабатывает реле RL3 и потенциалы на выходах меняются местами.
При подключении реле необходимо учитывать, что нормально замкнутый контакт должен быть подсоединен кземле, а нормально разомкнутый - к +12 В.
Процесс открытия и закрытия дверей сопровождается включением фар, для чего служит реле RL1.
Остальные выходы (насирену, светодиод) зарезервированы и в данной версии программы не обслуживаются.
В данной конструкции необходимо использовать реле с напряжением срабатывания 3 - 5 В, транзисторы при этом подбираются для обеспечения требуемого тока через реле. Однако необходимо учитывать, что ток, потребляемый приводами замков, в импульсе достигает 10 А, что требует применения реле соответствующего типа. Частота кварцевого резонатора для приведенной программы составляет 8 МГц. Диоды могут использоваться любые.
В заключение можно сказать, что описанная система легко может быть расширена до полноценной автосигнализации путем добавления программных блоков постановки и снятия с охраны, а также обнаружения удара и открытия дверей, тем более что уже предусмотрен выход на сирену, атакже светодиод индикации режимов работы.
Останется лишь добавить входную цепь для датчиков и подсоединить ее например ко входу PD3\Int1. При этом будет производиться вызов прерывания в случае срабатывания соответствующего датчика.
Программное обеспечение, необходимое для работы устройства доступно по адресу: www.platan.ru/shem/
Автор: Владимир Зимин
