Детекторы перехода сетевого напряжения через ноль очень часто применяют в устройствах управления различными электронными, электромеханическими устройствами или нагревателями, питающимися от сети.
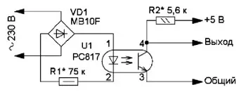
Для построения такого детектора часто используют схему, показанную на рис. 1. Работает этот детектор так. Пульсирующее напряжение с выхода диодного моста VD1 через резистор R1 поступает на излучающий диод оптрона U1. Под действием этого излучения фототранзистор оптрона открывается и напряжение на нём уменьшается. Поскольку ток через излучающий диод оптрона носит пульсирующий характер, этот детектор формирует импульс высокого логического уровня при каждом переходе сетевого напряжения через ноль, т. е. в тот момент, когда ток через излучающий диод оптрона недотаточен для открывания фототранзистора оптрона. Точнее, когда фототранзистор закрывается, формируется фронт импульса, а когда открывается и переходит в режим насыщения, то формируется спад импульса.

Рис. 1. Схема для построения детектора
Длительность этого импульса и потребляемая детектором мощность зависят от сопротивлений резисторов R1, R2, напряжения сети и параметров применённого оптрона. Чем шире импульс, тем больше погрешность между моментом перехода сетевого напряжения через ноль и фронтом этого импульса.
Требования к резистору R1 противоречивы. С одной стороны, для повышения экономичности устройства сопротивление этого резистора необходимо увеличивать, но это приведёт к увеличению длительности выходного импульса детектора. С другой стороны, для уменьшения длительности импульса сопротивление резистора R1 следует уменьшать, но это приведёт к увеличению мощности, потребляемой детектором. С уменьшением напряжения сети длительность импульса уменьшается вплоть до его исчезновения. С увеличением сопротивления резистора R2 длительность импульса увеличивается, но при этом увеличивается и длительность фронта.
Один из основных параметров оп-трона, который оказывает влияние на параметры выходного импульса, - коэффициент передачи тока. Чем больше этот коэффициент, тем больше чувствительность детектора, т. е. при меньшем токе через излучающий диод оптрона можно получить нормальный импульс, т. е. уменьшить энергопотребление детектора. Если длительность импульса не имеет значения, все элементы следует выбирать исходя из повышения экономичности.
Однако в некоторых случаях требуется оптимизация параметров детектора, например, с целью повышения экономичности или уменьшения длительности импульса. Вопросам решения такой задачи посвящена статья [1], в которой для достижения этих целей авторы предлагают использовать в детекторе стабилизатор тока на двух биполярных транзисторах. Благодаря такому стабилизатору одновременно с повышением экономичности удалось уменьшить и длительность импульса. А для дальнейшего улучшения параметров предлагается такой стабилизатор снабдить параметрическим стабилизатором напряжения. Однако это существенно усложняет схему детектора, а значит, его массу и габаритные размеры.
Реализовать детектор со стабилизатором тока и при этом существенно упростить схему можно, если применить одну из специализированных микросхем стабилизатора тока [2-5]. Эти микросхемы предназначены для применения в качестве драйверов в светодиодных сетевых лампах. Они рассчитаны для работы в цепях постоянного тока с напряжением до 450 В и обеспечивают стабилизацию тока до нескольких десятков миллиампер, значение которого можно установить с помощью внешнего резистора. Эти микросхемы выходят на режим стабилизации тока уже при напряжении на них 4.6 В [6], поэтому их можно с успехом применить в детекторе перехода сетевого напряжения через ноль.

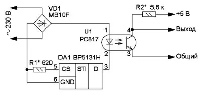
Рис. 2. Схема детектора
Схема такого детектора показана на рис. 2. Как видно, детектор содержит немного деталей. Ток стабилизации Iст устанавливают резистором R1 = 0,6/Iст. Если применить оптрон с большим коэффициентом передачи по току, через излучающий диод оптрона можно установить сравнительно небольшой ток, что обеспечит экономичность детектора. Для указанных на схеме элементов ток стабилизации - около 1 мА, а длительность выходного импульса - 50...70 мкс.
Поскольку упомянутые микросхемы часто применяют в светодиодных сетевых лампах, а неисправных ламп, к сожалению, в распоряжении радиолюбителей становится всё больше и больше, то, скорее всего, найдутся такие, в которых и установлены именно такие микросхемы или их аналоги. Кроме того, в лампах найдётся и диодный мост. С учётом того что основная причина выхода ламп из строя - перегорание светодиодов, диодный мост и мик-росхема стабилизатора остаются исправными. К таким лампам относятся, например, лампы торговой марки "Онлайт". Именно элементы этой лампы и использованы в детекторе. Плата этой лампы мощностью 10 Вт показана на рис. 3. На ней, кроме светодиодов и резисторов, установлены необходимые для детектора диодный мост 1 и микросхема стабилизатора тока 2.

Рис. 3. Плата лампы мощностью 10 Вт
Но детектор может быть ещё проще, если применить микросхему BP5133 (корпус HSPO-7), в которой совмещены стабилизатор тока и мостовой выпрямитель. Эта микросхема, например, применена в некоторых лампах торговой марки "Эра". На рис. 4 показана плата такой лампы мощностью 15 Вт с установленной микросхемой. Здесь, между прочим, следует обратить внимание не только на микросхему 1, но и на качество изготовления самой лампы. Соединение между платой и цоколем сделано отрезками проводов, но не с помощью пайки, а за счёт использования разъёма DZ2. При сборке лампы провода просто вставляют в разъём, где они фиксируются. На рис. 4 видно, что один из этих проводов 2 загнут и находится в опасной близости к другому.

Рис. 4. Плата лампы мощностью 15 Вт с установленной микросхемой

Рис. 5. Схема детектора перехода сетевого напряжения через ноль на микросхеме BP5133
Схема детектора перехода сетевого напряжения через ноль на микросхеме BP5133 показана на рис. 5. Схема включения этой микросхемы составлена исходя из её включения в светодиодной лампе. Ток стабилизации (около 1 мА) задан резистором R1 = 0,6/Iст, длительность выходного импульса при напряжении 230 В и указанных на схеме элементах - 60...80 мкс.
Для построения детекторов перехода сетевого напряжения через ноль можно применить и другие микросхемы линейных стабилизаторов напряжения, используемых в драйверах сетевых светодиодных ламп.
Литература
1.Басов Г., Исаков С. Детектор нуля сетевого напряжения на оптроне. - Радио, 2022, № 6, с. 24-28.
2.PT4515. - URL: http://www. datasheet-pdf.com/PDF/PT451 5-Datasheet-Powtech-1227424 (20.05.22).
3.Нечаев И. Микросхема PT4515 и микро-мощные сетевые бестрансформаторные ИП на её основе. - Радио, 2019, № 5, с. 25-28.
4.SM2082D. - URL: https://datasheetspdf.com/pdf-file/934678/Linkage/ SM2082D/1 (20.05.22).
5.BP5131D. - URL: https://pdf1. alldatasheet.com/datasheet-pdf/view/1132264/BPS/BP5131 D. html (20.05.22).
6.Нечаев И. Высоковольтные стабилизаторы тока в низковольтных цепях. - Радио, 2022, № 1, с. 57-59.
Автор: И. Ннчаев, г. Москва
