Начать нужно с того, что сами сабвуферы бывают разными. Самый главный критерий деления подразумевает наличие в них собственного усилителя мощности. С усилителем – активные, без него – пассивные.
И даже если вы уже не просто определились с внешним видом, назначением и конструкцией сабвуфера, но и уже даже собрали его, то остаётся еще один сложный вопрос – его питание.
Если подключить мощный НЧ-динамик к общей схеме без отдельного источника тока, то не всякая схема справится с его запуском. Ну или ощутимо просядет общая громкость.
Разберёмся с этим вопросом подробнее.
Блок питания автомобильного сабвуфера
Не просто самый частый вариант использования НЧ-усилителя, а, наверное, самый популярный для сборки своими руками в сети. Ведь все любят хорошую музыку, а еще лучше, если она играет в машине. И чем больше басов в вашем плейлисте, тем мощнее должен быть сабвуфер.
Бортовая сеть автомобиля – 12 или 24 В. Последнее значение чаще всего актуально для грузовых авто. Сила тока зависит от модели, но обычно она колеблется в пределах 10-15 А (например, в цепи с прикуривателем). Это серьёзный показатель. Поэтому, от прикуривателя можно запитать много различной техники, в том числе и достаточно мощной.
Значит подключить сюда даже большой сабвуфер определённо можно.
Так как в бортовой сети напряжение постоянное, то нам понадобится не блок питания как таковой, а преобразователь напряжения.
Мы предлагаем обкатанный вариант схемы для цепей с максимальной мощностью до 1 кВт. (1000 Вт). Он подходит для большинства усилителей НЧ, в том числе и для сабвуферов, а главное, питается от 12 В.
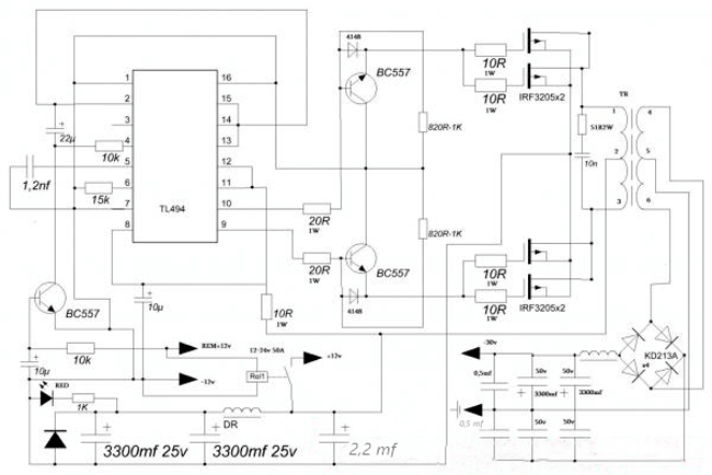
Сама схема.

Рис. 1. Схема устройства
Она строится на базе популярной микросхемы (ШИМ-контроллера) TL494. Выходное напряжение преобразователя – 75-100 В.
Самое главное преимущество – габариты. То есть можно собрать преобразователь на базе трансформатора, но при таких показателях мощности и напряжения он будет иметь солидные габариты и вес (не говоря уже о стоимости).
Эта схема – классический импульсный БП. Соответственно и трансформатор в его составе тоже – импульсный.
Конкретно в этой реализации используется частота 50 Гц, на входе трансформатора – 13-14 В, на выходе должно быть около 70 В - на случай, если вы будете считать трансформатор сами. Или же можете намотать по образцу:
- Кольцо из феррита К65х40х9 (М2500НМС);
- Первичная обмотка – 6 витков (по 3 на плечо с отводом от середины) диаметром 6 мм;
- Вторичная – 32 витка (аналогично с отводом от середины) диаметром 1,6 мм.
Выше указаны расчётные значения, они легко заменяются многожильными проводами меньшего диаметра, при этом покрытие феррита становится более равномерным. Например, первичку можно выполнить из провода 1,5 мм, но в 16 жил, а вторичку из 0,63 мм, но по 6 жил (всё с запасом для надёжности).
Должно получиться примерно так.

Рис. 2. Конструкция трансформатора
Полевой транзистор на выходе получает большую нагрузку, поэтому его лучше реализовать составным из трёх параллельно соединённых, например, IRFZ44N или IRF3710.
Альтернативная реализация преобразователя.

Рис. 3. Схема преобразователя
Блок питания мощного сабвуфера от сети переменного тока
По сути, ту же самую схему можно использовать для питания НЧ-усилителя, но уже в условиях наличия сети бытового электроснабжения (переменное напряжение 220 В) с небольшими переделками.
Один из вариантов реализации.

Рис. 4. Схема блока питания
Зелёным цветом выделены схемы, которые отвечают за раздельное питание ключевых элементов:
- Генератора;
- Силового каскада.
Сам усилитель низких частот для сабвуфера – это отдельная история.
Автор: RadioRadar
