Выпускавшийся отечественной промышленностью автомобильно-носимый радиоприёмник "Урал-авто-2" в настоящее время, конечно, морально устарел, но, несмотря на прошедшие годы, не утратил такого своего преимущества, как очень хорошее качество приёма радиостанций во всех диапазонах. Кроме того, в отличие от большинства других автомобильных радиоприёмников и магнитол, он содержит встроенные телескопическую и магнитную антенны, динамическую головку, может питаться как от бортсети автомобиля (12 В), так и от автономного батарейного источника напряжением 9 В или от внешнего блока питания с таким же напряжением. Всё это делает удобной эксплуатацию "Урала-авто-2" вне автомобиля (поэтому и называется он автомобильно-переносным). Разбирать такой радиоприёмник на запасные части нерационально, а чтобы вдохнуть в него новую жизнь, его несложно доработать.
В распоряжении автора оказался радиоприёмник выпуска 1993 г., внешний вид которого показан на рис. 1, а с одним из вариантов его принципиальной схемы можно познакомиться по адресу <https://boatsurfer.files. wordpress.com/2012/03/d 183d 180 d0b0d0bb-d0b0d0b2d182d0be-2-2.jpg>. Схема имевшегося радиоприёмника несколько отличалась от размещённой в Интернете - его УМЗЧ выполнен не на транзисторах, а на интегральной микросхеме К174УН14, что позволило провести более глубокую модернизацию устройства.

Рис. 1. Радиоприёмник выпуска 1993 г.
Основная цель переделки радиоприёмника заключалась в приспособлении его для приёма в УКВ-диапазоне CCIR (87,5...108 МГц) вместо диапазона OIRT (65,9...74 МГц), поскольку местных радиостанций, вещающихв последнем, почти не осталось. Многие радиолюбители не рискуют перестраивать супергетеродинные радиоприёмники на приём в УКВ-диапазоне CCIR, предпочитая использовать различные УКВ-конвертеры, эффективность применения которых обычно хуже из-за дополнительного преобразования вниз по частоте. В случае с радиоприёмником "Урал-авто-2" каких-либо особых сложностей с переделкой и настройкой нет, всё можно сделать примерно за час.
Для начала нужно снять нижнюю и верхнюю пластмассовые крышки корпуса радиоприёмника и временно удлинить провода, идущие к динамической головке. Далее следует уменьшить число витков трёх контурных катушек. Поскольку доступ к печатному монтажу УКВ-модуля затруднён, вместо выпаивания верхнего вывода катушек из платы предлагаю аккуратно перерезать этот вывод в нескольких миллиметрах от платы, затем отмотать лишнее число витков, обрезать провод с таким расчётом, чтобы оставшегося хватило для восстановления нарушенного соединения, облудить его конец и припаять к оставшемуся в плате выводу.
Для доступа к катушке контура гетеродина L29 (отмечена на рис. 2 цифрой 1) вначале снимают металлический экран (закреплён на плате пайкой к фольге общего провода), для чего нагревают его паяльником с левого и правого боков. На катушке оставляют ровно пять витков провода. На катушках L16 и L21 (отмечены соответственно цифрами 3 и 2) оставляют по 6,5 витка толстого провода. После пропитки катушек парафином на L29 вновь устанавливают металлический экран и проверяют крепление УКВ-модуля - он должен быть плотно привинчен к металлическому шасси.

Рис. 2. Плата с элементами радиоприёмника
Для настройки приёмника на диапазон 87,5...108 МГц к его входу подключают внешнюю УКВ-МВ-антенну. Стрелку шкалы настройки устанавливают в среднее положение между отметками УКВ 4.06 и 4.15. Вращая подстроечник катушки контура гетеродина, добиваются приёма какой-нибудь радиостанции, вещающей на частоте 106...107 МГц (можно использовать и УКВ-ЧМ-генератор, настроенный на эту частоту). При настройке контура гетеродина учитывайте, что резьбовой подстроечник очень хрупкий и легко деформируется при нагреве. Если парафин не позволяет выкрутить его из каркаса катушки, аккуратно прогрейте паяльником пластмассовый каркас. Сильно повреждённый при настройке подстроечник можно заменить таким же, вывинченным из другого УКВ-блока от отечественного радиоприёмника.
Далее, постепенно уменьшая длину антенны или даже отключая её вовсе, вращением латунных подстроечников последовательно изменяют индуктивность катушек преселектора, помеченных цифрами 2 и 3, таким образом, чтобы получить максимальную чувствительность радиоприёмника в УКВ-диапазоне.
Вопреки ожиданиям, что применённая в УКВ-блоке микросхема К224ХА1А будет плохо работать на частотах выше 100 МГц, приёмник сохранил очень высокую чувствительность - со сложенной телескопической антенной почти без шумов принимаются все местные радиостанции (расстояние до ретранслятора - около 30 км). После переделки УКВ-диапазон радиоприёмника стал охватывать полосу частот 86...110 МГц. Аналогичным образом можно переделать на работу в этом диапазоне частот другие отечественные УКВ супергетеродинные приёмники.

Рис. 3. Микросхема в УКВ-блоке
Кроме описанной, были сделаны ещё несколько доработок (рис. 3; позиционные обозначения новых элементов начинаются с префикса 1). Так, используемая для подсветки шкалы настройки лампа накаливания на 12 В (1,1 Вт), свечение которой при напряжении питания 9 В почти незаметно, заменена более ярким плоским матричным светодиодом 1EL1 белого свечения (применён светодиод от "фотовспышки-фонарика" мобильного телефонного аппарата). Для охлаждения к его выводам припаян небольшой теплоотвод из толстого многожильного медного монтажного провода. Токоограничивающий резистор 1R2 помещён в защитную резиновую трубку. Светодиод подключён таким образом, чтобы шкала подсвечивалась всё время, пока включено питание приёмника.
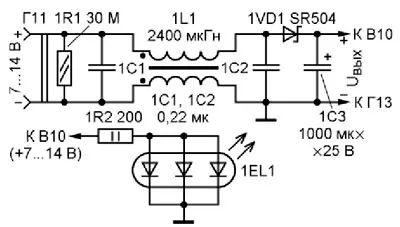
Поскольку в месте расположения УМЗЧ имелось много свободного места, был изготовлен и установлен LC-фильтр, состоящий из дросселя 1L1 и конденсаторов 1С1 - 1С3, который уменьшает негативное влияние пульсаций и помех при работе приёмника от импульсного источника питания. Двух-обмоточный дроссель 1L1 применён готовый, от ATX компьютерного блока питания. Подойдёт любой аналогичный малогабаритный с общим сопротивлением обмоток не более 0,3 Ом, индуктивность - чем больше, тем лучше. ДиодШотки 1VD1 защищает устройство от повреждения при ошибочной полярности напряжения питания (вместо указанного на схеме можно применить любой из 1N5822, SR340, SR304). Детали фильтра смонтированы на небольшой плате из стеклотекстолита (рис. 4), которая установлена рядом с гнездом питания Г11 (рис. 5). Мешающие установке керамические конденсаторы К10-7 заменены предназначенными для поверхностного монтажа (припаяны на стороне печатных проводников), а большой разделительный оксидный конденсатор К50-35 (1000 мкФ на 16 В) заменён аналогичным импортным меньших размеров. Блокировочный керамический конденсатор К10-7 ёмкостью 0,033 мкФ, подключённый к выводам питания 3 и 5 микросхемы К174УН14, заменён параллельно включёнными оксидным (47 мкФ на 16 В) и керамическим для поверхностного монтажа (0,1 мкФ).

Рис. 4. Детали фильтра на плате

Рис. 5. Гнездо питания
Поскольку отсоединяемый батарейный отсек этого приёмника не сохранился, выступающие за пределы корпуса печатные контакты для соединения с ним отпилены, а для подключения встроенной динамической головки 3ГДШ-12-8 установлена проволочная перемычка. К сожалению, прослушивание показало, что звучит она плохо, с хрипами. Причина оказалась в том, что идущие от контактной колодки к звуковой катушке гибкие провода были сильно натянуты, из-за чего нарушилась центровка катушки в магнитной системе головки. Исправить этот дефект удалось, переместив пассатижами контактную колодку в горизонтальной плоскости, поближе к магнитной системе. Металлический корпус головки соединён с общим проводом устройства.
Блокировочный керамический конденсатор ёмкостью 0,068 мкФ, включённый параллельно оксидному (2200 мкФ на 16 В) в цепи питания, был установлен изготовителем неправильно, по этой причине к выводам оксидного припаян керамический КМ-5 ёмкостью 0,15 мкФ. При напряжении питания 12 В и нулевой громкости приёмник потребляет ток 90 мА, при максимальной он возрастает до 0,3...0,5 А. Если предполагается питать приёмник от химических источников тока, светодиодную подсветку шкалы желательно сделать отключаемой, как было ранее с лампой накаливания. Во избежание случайных замыканий между металлическим шасси приёмника и внешним контактом штекера питания отверстие под него в шасси нужно увеличить на 1 мм.
Автор: А. Бутов, с. Курба Ярославской обл.
