Схема и конструкция маяка
В маяке имеется GSM-модем, полностью идентичный применённому в базовом блоке. Повторно рассматривать его схему и конструкцию не будем, а вот другие узлы, собранные на отдельных печатных платах, рассмотрим, прежде чем перейти к полной схеме и конструкции маяка.
Схема приёмника ГЛОНАСС/GPS изображена на рис. 8. Он собран на основе модуля SIM68V (U1), способного принимать и обрабатывать сигналы обеих спутниковых навигационных систем. Состав выдаваемых модулем в последовательный порт навигационных данных соответствует протоколу NMEA-0183, описанному, например, в статье В. Ващенко "Автомобильный GSM-сигнализатор с определением координат" ("Радио", 2009, № 8, с. 28, 29; № 9, с. 41-43). В данном случае используются только сообщения $GPRMC, несущие основную информацию о координатах объекта.

Рис. 8. Схема приёмника ГЛОНАСС/GPS
Холодный старт приёмника при использовании активной антенны занимает около 15 с. Это меньше, чем требуется для соединения маяка с базовым блоком по каналу GSM. Ток, потребляемый от источника напряжения 3,3 В, не превышает 100 мА.
Напряжение 2,8 В, предназначенное для питания активной антенны, формируется внутри модуля. Если такую антенну использовать не предполагается, дроссель L1 необходимо исключить. Узел на транзисторе VT1 и светодиод HL1 предназначены для сигнализации о работе приёмника. Когда он работает, светодиод кратковременно вспыхивает в такт формируемым приёмником секундным меткам времени.
Печатная плата приёмника ГЛОНАСС/ GPS изображена на рис. 9. Все установленные на ней элементы - для поверхностного монтажа.

Рис. 9. Печатная плата приёмника ГЛОНАСС/ GPS
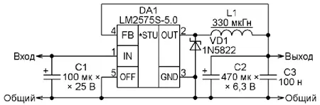
На рис. 10 показана схема зарядного устройства. Оно представляет собой импульсный стабилизатор напряжения, понижающий поступающее на него напряжение бортсети автомобиля до 5 В. Именно такое напряжение необходимо для имеющегося в GSM-модеме маяка узла зарядки аккумулятора, питающего сам модем и другие узлы маяка.

Рис. 10. Схема зарядного устройства
Печатная плата зарядного устройства представлена на рис. 11 . Оксидные конденсаторы С1, С2 - любого типа, подходящие по размерам. Магнитопровод дросселя L1 - ферритовое кольцо размерами 12x6x6 мм, взятое из старого компьютерного блока питания. На него намотаны 20-30 витков изолированного провода диаметром 0,7...0,8 мм. Можно применить и кольцо больших размеров, например, 17x10x8 мм. Но число витков обмотки нужно изменить так, чтобы индуктивность дросселя осталась равной указанной на схеме.

Рис. 11. Печатная плата зарядного устройства
В процессе эксплуатации базового блока выявлено, что узел установленного в модеме модуля SIM900D, управляющий зарядкой аккумулятора, иногда (один-два раза в месяц) "зависает". Для устранения этого явления можно рекомендовать замену микросхемы LM2575S-5.0 в зарядном устройстве на LM2575S-ADJ с возможностью регулировки выходного напряжения. Установив выходное напряжение зарядного устройства равным 4,1...4,2 В, его выход следует подключить непосредственно к аккумулятору блока, исключив этим какое-либо управление зарядкой со стороны модуля SIM900D. Такая доработка позволит также применить однополюсный выключатель питания базового блока.
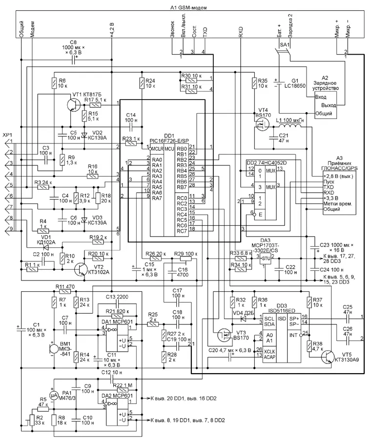
Полная схема маяка изображена на рис. 12. Все основные функции выполняет микроконтроллер PIC16F726-E/SP (DD1) по записанной в нём программе. Он принимает команды от GSM-модема и навигационную информацию от приёмника ГЛОНАСС/GSM, формирует сообщения для передачи по каналу сотовой связи, в том числе голосовые с помощью микросхемы записи и воспроизведения речи ISD5116ED (DD3).

Рис. 12. Схема маяка
Селектор-мультиплексор DD2 коммутирует последовательные порты микроконтроллера, модема и модуля Bluetooth в зависимости от направления передачи информации между ними. Интегральный стабилизатор DA3 обеспечивает напряжением 3,3 В приёмник ГЛОНАСС/GPS А3 и микросхему записи и воспроизведения речи DD3.
При использовании маяка как охранного устройства его разъём XP1 присоединяют к цепям охраняемого объекта (автомобиля) по схеме, показанной на рис. 13. Здесь SA1 - выключатель охраны, спрятанный в секретном месте (например, в "торпеде" автомобиля). Сирену HA1 размещают под капотом, а светодиод HL1 - в удобном для наблюдения месте салона. Светодиод будет показывать состояние связи GSM-модема маяка с сотовой сетью. Перемычка S1 в модеме в данном случае должна быть установлена в положение 2-3 (в отличие от её положения в модеме базового блока).

Рис. 13. Схема соединения маяка с охраняемым объектом (автомобилем)
Если сирена применяться не будет, то транзистор VT1 и резисторы R15, R17 в маяке можно не устанавливать. При отказе от контроля включения зажигания элементы R9, С5, VD2 не потребуются, но вывод 9 микроконтроллера DD1 необходимо соединить с общим проводом через резистор сопротивлением 1 кОм.
Цепь R6R16C3 формирует сигнал срабатывания установленного в автомобиле датчика движения (у меня применён датчик Pyronyx ColtX8). Если датчик не применяется, эту цепь необходимо исключить, а вывод 11 микроконтроллера соединить с общим проводом через резистор сопротивлением 1 кОм.
Элементы R3, R12, R18, C4 предназначены для контроля напряжения аккумуляторной батареи автомобиля, подаваемого на контакт 5 разъёма XP1. Под-строечным резистором R18 устанавливают напряжение на выводе 4 микроконтроллера DD1 равным 1,05 В при минимально допустимом напряжении батареи (у меня - 11,2 В).
Если контроль аккумуляторной батареи автомобиля не нужен, эту цепь можно использовать для контроля напряжения аккумулятора G1 в самом маяке. Для этого отключите левый по схеме вывод резистора R3 от контакта разъёма XP1 и входа зарядного устройства A2 и соедините его с цепью +4,2 В. Номинал этого резистора уменьшите до 7,5 кОм, а номинал резистора R12 увеличьте до 10 кОм.
К контакту 8 разъёма XP1 в маяке подключён формирователь сигнала срабатывания штатной охранной сигнализации автомобиля, состоящий из транзистора VT2, диода VD1, резисторов R1, R10, R19, R20 и конденсатора C2. Если отказаться от передачи маяком сигнала тревоги по срабатыванию штатной сигнализации, перечисленные элементы можно исключить, а вывод 13 микроконтроллера DD1 соединить с общим проводом через резистор номиналом 1 кОм.
Микрофон BM1 предназначен для дистанционного прослушивания звуковой обстановки на охраняемом объекте. Её можно услышать как из установленной в базовом блоке динамической головки (подав соответствующую команду), так и позвонив на маяк по сотовому телефону. Сигнал микрофона перед подачей на GPS-модем усиливает ОУ DA1.
Микроамперметр PA1 служит датчиком качания маяка и объекта, на котором он установлен. Используется ЭДС, наводимая в рамке микроамперметра при покачивании его стрелки, вызванном внешним механическим воздействием. Для большей чувствительности на стрелке закреплён груз из нескольких капель припоя. Подобные датчики неоднократно описывались в журнале "Радио". Сигнал усиливает ОУ DA2.
Если датчик качания не нужен, то микроамперметр, ОУ DA2 и связанные с ними детали из маяка можно исключить. При этом вывод 26 микроконтроллера должен быть соединён с цепью +4,2 В через резистор номиналом 1 кОм.
Чертёж печатных проводников основной платы маяка приведён на рис. 14, она имеет угловой вырез размерами 46x73 мм для установки платы GSM-модема, которая крепится к основной плате тремя винтами М2 на стойках высотой 5 мм из изоляционного материала.

Рис. 14. Чертёж печатных проводников основной платы маяка
Расположение элементов на плате маяка показано на рис. 15. Переходные отверстия показаны залитыми. Датчик качания (микроамперметр PA1) закреплён на ней скобой, причём в плате сделан вырез для выступающей части его корпуса. Литий-ионный аккумулятор G1 LC18650 ёмкостью 3800 мА·ч прижат к плате металлической скобой с помощью двух винтов. Разъём XP1 - DRB-9MA (угловой).

Рис. 15. Расположение элементов на плате маяка
Плата приёмника ГЛОНАСС/GPS (см. рис. 9) установлена на таких же стойках, как и модем. Её соединения с основной платой выполнены проводами. Плата зарядного устройства (см. рис. 11) помещена над основной платой на шести отрезках жёсткого лужёного медного провода диаметром 0,8 мм, через которые осуществляются и необходимые электрические соединения. Отверстия на основной плате, в которые впаивают эти отрезки, обозначены точками внутри.
Маяк собран в металлическом корпусе размерами 152x120x35 мм. Его общий вид с открытой крышкой показан на рис. 16. Внутри корпуса на стойках высотой 3...5 мм установлена печатная плата маяка с закреплёнными на ней модемом, приёмником ГЛОНАСС/GPS и зарядным устройством. Разъёмы антенн модема и приёмника вынесены на переднюю стенку корпуса. Микрофон BM1 закреплён на его съёмной крышке.

Рис. 16. Общий вид маяка с открытой крышкой
Работа системы в режиме передачи навигационных данных
Для передачи координат объекта от маяка в базовый блок по сети GSM выбран протокол CSD, при котором канал связи занимается цифровой информацией на всё время сеанса, как при обычном голосовом соединении. Скорость передачи при этом составляет 9600 Бод. Сегодня стоимость такой передачи обычно близка к стоимости разговора той же длительности, т. е. сравнительно невелика, хотя и дороже, чем по протоколу GPRS. Неоспоримое преимущество CSD перед GPRS - отсутствие необходимости в статическом IP-адресе, что довольно дорого, и в стороннем сервере для хранения и трансляции информации, что снижает надёжность системы в целом.
Продолжительность сеанса передачи информации не ограничена ничем, кроме стоимости услуг оператора связи. Но передача значительного её объёма (например, для записи трассы перемещения объекта) требуется редко, поскольку главная задача системы - определить текущее положение объекта.
Для экономии энергии аккумулятора в исходном состоянии маяк находится в спящем состоянии. В базовом блоке при замкнутом выключателе SA1 GPS-модем и модуль Bluetooth U1 выключены, микроконтроллер DD1 находится в спящем режиме. Чтобы войти в режим передачи данных, нажимают на кнопку SB2, после чего микроконтроллер выходит из спящего режима, с помощью излучателя звука HA1 подаёт короткий звуковой сигнал, включает GSM-модем и модуль Bluetooth. Начинают мигать светодиоды HL3 и HL4. Пока модем не зарегистрирован в сети, вспышки светодиода длинные с короткими паузами. После успешной регистрации характер его мигания изменяется: вспышки укорачиваются, а паузы значительно удлиняются. Микроконтроллер посылает в модем команду соединиться с маяком в режиме передачи данных.
Когда соединение установлено, об этом сигнализирует начавший мигать светодиод HL2. Установление соединения в режиме передачи данных занимает около 30 с (зависит от сотового оператора), в течение этого времени необходимо наладить и связь модуля Bluetooth базового блока с терминальным устройством, например компьютером. Если в качестве терминала используется сотовый телефон с навигационной программой Навител 3.5.0, связь по Bluetooth будет установлена после начала передачи данных, а навигационная программа выдаст голосовое сообщение: "Связь со спутниками установлена".
Если соединение по Bluetooth установлено, светодиод HL4 включён постоянно. Светодиод HL2 мигает до начала передачи данных, после чего также светит постоянно. Если в течение минуты соединения не произошло, микроконтроллер подаст модему команду отбоя, сформирует короткий сигнал звуко-излучателя HA1 и войдёт в режим ожидания повторного запроса.
Выйти из режима передачи навигационных данных можно двумя способами:
- повторно нажать на кнопку SB2, при этом маяк будет возвращён в исходное состояние, а приёмник ГЛОНАСС/GPS в нём выключен;
- нажать на кнопку SB1, что также переведёт маяк в исходное состояние, но приёмник ГЛОНАСС/GPS в нём продолжит работать. Это полезно при плохих условиях приёма спутниковых сигналов, когда для создания альманаха приёмнику требуется много времени.
При выходе из режима передачи данных GSM-модем и модуль Bluetooth базового блока тоже будут выключены. Замкнув выключатель SA2, можно сократить время повторного входа в сеанс связи за счёт того, что модуль Bluetooth и GSM-модем базового блока будут оставаться включёнными постоянно, но возрастёт средний ток, потребляемый блоком от аккумулятора. Режим передачи данных возможен как при включённой, так и при выключенной охране.
Работа системы в режиме охраны
На маяке режим охраны включается сигналом от штатной охранной сигнализации объекта либо вручную "секретным" выключателем SA1 (см. рис. 13). Для соединения маяка со штатной охранной сигнализацией автомобиля используется её дополнительный выход. Обычно это провод синего цвета, состояние которого в режиме охраны устанавливают в соответствии с инструкцией на сигнализацию. В данном случае необходимо, чтобы при взятии объекта под охрану этот провод соединялся с общим проводом ("массой") автомобиля и оставался в таком состоянии до появления сигнала тревоги или выключения сигнализации. После включения "секретным" выключателем режим охраны устанавливается приблизительно через минуту.
О включении режима охраны маяк подаёт короткий звуковой сигнал сиреной (HA1 на рис. 13) и выполняет контрольный звонок на мобильный телефон или базовый блок, отвечать на который не следует. В режиме охраны контролируется состояние датчиков движения и качания, срабатывание штатной сигнализации, включение зажигания, заря-женность (наличие) аккумуляторной батареи автомобиля. Любой из датчиков, как и сам режим охраны, может быть исключён, а обеспечивающие их работу детали удалены из маяка, причём никакие изменения программы его микроконтроллера при этом не требуются.
Приём тревожных сообщений и передача запросов о текущем состоянии объекта возможны с помощью как базового блока, так и сотового телефона. Тревожные голосовые сообщения формируются в маяке из набора фраз, хранящихся в микросхеме записи и воспроизведения речи ISD5116 (DD3 на рис. 12). Эта функция не обязательна. Без микросхемы dD3 или при её неисправности в канал связи вместо голосового сообщения будет выдан повторяющийся звуковой сигнал.
Сообщения о текущем состоянии объекта выдаются по входящему звонку на маяк с базового блока или с сотового телефона. Имеющийся в маяке микрофон даёт возможность прослушать звуковую обстановку на охраняемом объекте.
При срабатывании любого из датчиков маяк выполнит набор номера базового блока (или сотового телефона), сообщит о сложившейся ситуации и будет в течение двух минут ожидать входящий звонок от того же абонента, которому передавалось сообщение. Если за это время нужного звонка не последует, с помощью сирены HA1 (см. рис. 13) будет подано 15коротких звуковых сигналов, после чего маяк выполнит звонок на резервный номер.
Исходящие звонки будут продолжаться до получения маяком входящего звонка, подтверждающего получение сигнала тревоги. После этого маяк свои звонки прекратит, но будет продолжать периодически включать сирену HA1, пока сработавший датчик остаётся в этом состоянии. Выход из режима охраны произойдёт только после выключения штатной охранной сигнализации и размыкания "секретного" выключателя SA1 (см. рис. 13).
Используемые номера телефонов должны быть предварительно записаны в формате, принятом в используемой сети, на SIM-карте, установленной в GSM-модеме маяка, под следующими именами (латинскими буквами):
Mno - абонент, владеющий основным телефоном, на который будут передаваться тревожные сообщения и с которого можно запрашивать информацию о текущем состоянии объекта;
Pqr - служба, сообщающая с помощью SMS о текущем балансе абонентского счёта;
T - абонент, входящий звонок которого служит командой запросить баланс абонентского счёта SIM-карты маяка, в режиме охраны его номер маяк использует как резервный при невозможности соединения с основным;
Wxy - абонент (как правило, базовый блок), входящий вызов от которого включает режим слежения за координатами объекта.
Некоторые номера могут совпадать, но их всё равно нужно записать на SIM-карту под соответствующими именами. Все перечисленные имена и соответствующие им номера должны быть записаны на карте, даже если режим охраны не используется.
В SIM-карте, устанавливаемой в GSM-модеме маяка, под именем Wxy должен быть записан телефонный номер маяка. Запросы ввода PIN-кодов в обеих картах должны быть отключены.
Программы микроконтроллеров никакой информации о телефонных номерах не содержат, но проверяют номер звонящего и при отличии его от имеющихся на SIM-карте игнорируют вызов.
При получении входящего звонка от абонента Т маяк сформирует запрос абоненту Pqr и отправит полученный на него ответ абоненту T в виде сообщения SMS. В ответ на входящий звонок от абонента Mno маяк сообщит о текущем состоянии охраняемого объекта. При получении от абонента Wxy вызова в формате команды передачи данных маяк включит режим слежения за координатами объекта. Голосовой входящий вызов от того же абонента этот режим не включает.
Налаживание базового блока
Прежде чем приступать к налаживанию блока, необходимо тщательно проверить его монтаж. Затем, не подключая цепи питания к GSM-модему и к модулю Bluetooth и не устанавливая в панель микроконтроллер DD1, подайте на плату блока напряжение 4,2 В от отдельного источника. В первый раз его следует подавать через миллиамперметр и последовательно соединённый с ним резистор сопротивлением 0,5...1 кОм. Только убедившись в отсутствии проблем, можно подать питание напрямую. Проверьте наличие напряжения +3,3 В на выходе стабилизатора DA1. Это нужно делать, временно подключив к выходу стабилизатора нагрузочный резистор сопротивлением 1...5 кОм.
Проследите за изменениями напряжения на гнёздах панели микроконтроллера DD1 в зависимости от положений выключателей и кнопок. Эта процедура позволит избежать многих трудностей, связанных с дефектами монтажа. Проверьте работу светодиодов HL1 и HL2, подавая напряжение, включающее светодиоды, на соответствующие гнёзда панели микроконтроллера.
Убедившись, что всё в порядке, установите в панель микроконтроллер, в память которого загружены коды из файла main.hex, находящегося в папке "Базовый блок" приложения.
Подав питание на модуль U1, замкните выключатель SA3. Светодиод HL4 должен замигать. Попытайтесь установить соединение с компьютером по Bluetooth. При первой попытке сделать это может потребоваться ввести по запросу компьютера пароль 1234. Если соединение установлено, светодиод HL4 должен светить непрерывно.
Соедините цепь +4,2 В основной платы с соответствующим выводом модема, а напряжение питания подайте на модем. После включения модем должен остаться в пассивном состоянии, а потребляемый блоком ток не должен увеличиться более чем на несколько миллиампер.
Вновь отключив питание, установите в модем SIM-карту, подключите к нему антенну. Затем сновавключите питание. После этого должны некоторое время вспыхивать светодиоды HL3 и HL4. Если светодиод HL3 не включается, необходимо проверить, стоит ли в модеме перемычка S1 в положении 1-2. По завершении процедур включения, проверки работоспособности и регистрации модема в сети GSM программа микроконтроллера DD1 выключит модем и модуль Bluetooth, а сам микроконтроллер переведёт в спящий режим.
Теперь необходимо настроить модем, подав на него несколько AT-команд. Последовательность действий следующая:
- нажмите на кнопку SB1 (при этом должны начать мигать светодиоды HL3 и HL4), модем и модуль U1 будут включены, а их последовательные порты соединены напрямую через мультиплексор DD2;
- установите соединение компьютера с базовым блоком по Bluetooth, открыв на экране компьютера окно свойств созданного соединения, узнайте номер созданного в операционной системе виртуального COM-порта;
- запустите на компьютере терминальную программу, указав ей номер этого порта и задав скорость 9600 Бод при восьми информационных разрядах без контроля чётности и одном стоповом разряде;
- подайте модему необходимую для выполнения им процедуры автоматического определения скорости команду AT (заглавными латинскими буквами без параметров). Как и всякая другая, она должна заканчиваться символами возврата каретки и перевода строки. Если соединение установлено, модем ответит OK. Дальнейшие команды можно набирать буквами любого регистра, причём нельзя подавать следующую, не дождавшись от модема подтверждения приёма и исполнения предыдущей;
- командой ATE0 отключите режим эхо;
- командой AT&W сохраните эту настройку в энергонезависимой памяти модема;
- командой AT+IPR=9600 установите фиксированную скорость связи 9600 Бод;
- командой AT+CLIP=1 включите автоопределение номера входящего звонка;
- командой AT+CMGF=1 включите текстовый режим.
По умолчанию подключённый к модему светодиод (HL3 по схеме базового блока) при отсутствии регистрации в сети даёт вспышки длительностью 53 мс с паузами 790 мс, а после её выполнения длительность пауз увеличивается до 2990 мс. При желании командами AT+SLEDS=X,XZ можно изменить характер мигания светодиода. В каждой такой команде задаются следующие параметрах-номер режима (1 - нет регистрации, 2 - модем зарегистрирован в сети, 3 - режим GRPS, в рассматриваемой системе не используется); Y - длительность вспышки, мс; Z - длительность паузы, мс. Я, например, пользуюсь последовательностью команд:
AT+SLEDS=1,700,53;
AT+SLEDS=2,200,2990;
AT+SLEDS=3,200,600.
После выполнения описанных операций модем готов к работе. Для проверки можно командой ATD<номер> (вводятся без угловых скобок и пробелов только цифры номера, при необходимости им предшествуют знак "+" и код страны) заставить его позвонить по указанному номеру. Модем должен ответить ОК, а в телефоне, номер которого был указан в команде, прозвучать звонок. Если набрать на телефоне номер SIM-карты, установленной в модеме базового блока, в окне терминальной программы получим
RING +CLIP: "<номер>",145,""„"<имя>",0
Здесь <номер> - номер телефона, вызов которого принял модем; <имя> - имя абонента, под которым этот номер записан в SIM-карте модема. Командой AT+CPBF="W" можно узнать номера всех записанных в SIM-карте модема абонентов, имена которых начинаются на W. Модем должен ответить:
Номер абонента по имени Wxy обязательно должен быть записан на SIM-карте для нормальной работы системы. Для выхода из режима проверки модема следует ещё раз нажать на кнопку SB1. Светодиоды HL3 и HL4 погаснут, а базовый блок перейдёт в дежурный режим.
Чтобы проверить работу базового блока в режиме охраны, замкните выключатель SA2. Замигают светодиоды HL3 и HL4. По завершении регистрации модема в сети нажмите на кнопку SB3. Устройство наберёт номер абонента Wxy. Убедившись в этом, дайте команду отбоя, ещё раз нажав на ту же кнопку.
Проверьте приём входящего вызова в режиме охраны, позвонив с телефона абонента Wxy на номер SIM-карты базового блока. В динамической головке BA1 должен прозвучать повторяющийся тональный сигнал. Ответьте на вызов, нажав на кнопку SB3. Для завершения сеанса связи повторно нажмите на ту же кнопку.
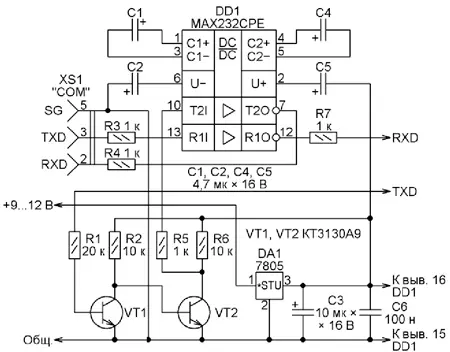
Если по каким-либо причинам соединение с компьютером по Bluetooth не работает, связь модема с COM-портом компьютера (физическим или созданным с помощью переходника USB-COM) можно временно организовать с помощью преобразователя уровней, схема которого изображена на рис. 17. При этом микроконтроллер DD1 вынимают из панели и соединяют с общим проводом её гнёзда 12 и 13, связанные с адресными входами A и B коммутатора 74HC4052. Цепи RXD и TXD преобразователя соединяют с гнёздами 7 и 8 панели микроконтроллера. Далее, запустив на компьютере терминальную программу, выполняют все описанные выше процедуры.

Рис. 17. Схема преобразователя уровней
Налаживание маяка
В отличие от базового блока, GSM-модем в маяке должен находиться в постоянной готовности к работе, поэтому питание модема в рабочем режиме не выключается. Но при выполнении наладочных работ необходимо иметь возможность отключить аккумулятор. Для этого предназначен выключатель SA1.
Рекомендации по первой подаче питания те же, что и для базового блока - подавать питание последовательно на все узлы, контролируя потребляемый ток. В память микроконтроллера, устанавливаемого в маяк, должны быть занесены коды из файла gps_main.hex, находящегося в папке "Маяк" приложения.
Далее необходимо настроить GSM-модем, наладить приёмник ГЛОНАСС/ GPS и записать голосовые сообщения в микросхему DD3 (если она используется).
GSM-модем для маяка можно настроить, временно подключив его вместо аналогичного модема к плате базового блока. При этом в модем должна быть установлена SIM-карта, предназначенная для использования в маяке. Процедура настройки модема отличается от описанной ранее только тем, что в конце её должна быть подана команда AT+CSCLK=2 для включения режима энергосбережения. Теперь модем через 5 с отсутствия активности будет уходить в спящий режим. Из него модем выйдет при проявлении активности на линиях последовательного порта, приёме входящего звонке или получении SMS.
Первая после простоя длительностью более 5 с команда вызовет только выход модема из режима энергосбережения, а вторая и последующие будут исполнены. В настроенном модеме перед его подключением к плате маяка необходимо перенести перемычку S1 из положения 1-2 в положение 2-3.
Модем можно настроить и отдельно или установив его в маяк, если соединить его линии TXD и RXD с COM-портом компьютера через ранее описанный переходник (рис. 17).
Приёмник ГЛОНАСС/GPS (узел A3) построен на модуле SIM68V, который по умолчанию выдаёт навигационную информацию со скоростью 115200 Бод. Её необходимо уменьшить до 9600 Бод, поскольку именно с такой скоростью передаётся информация по сети GSM. К сожалению, возможность сделать это простыми командами в модуле SIM68V не предусмотрена, и единственный способ изменить скорость - загрузить в него новую программу.
Утилита для этого и сама программа находятся в папке "SIM68V" приложения к статье. Операция не требует знания особенностей программного обеспечения модуля и выполняется за несколько простых шагов. Для связи приёмника с COM-портом компьютера используется описанный выше (рис. 17) преобразователь уровней. Его линии TXD и RXD соедините с одноимёнными линиями узла A3. Далее выполните следующее:
- раскройте находящиеся в папке "SIM68V" приложения архивы PowerFlash_Simcom.zip (содержит компьютерную программу для выполнения перепрограммирования) и B03V11SIM68V_96.rar (содержит информацию для записи в модуль);
- запустите программу PowerFlash_ Simcom.exe, нажмите на экранную кнопку "Connect", затем на экранную кнопку "Test". На экран компьютера будет выведено сообщение об ошибке;
- закройте программу, с помощью текстового редактора откройте файл Powerflash.ini и измените в нём значение параметра ComSelect с единицы на номер COM-порта, к которому подключён через преобразователь уровня узел A3, после чего сохраните файл;
- вновь запустив программу, нажмите на экранную кнопку "Download Agent", выберите файл B03V11SI M68R_96_Al lInOne_DA_MT333 3_MP.BIN, затем нажмите на экранную кнопку "Download ROM" и выберите файл B03V11SIM68R_96.bin;
- нажмите на экранную кнопку "Test".
После успешного завершения загрузки программы в приёмник на экране компьютера появится зелёный круг. Теперь приёмник станет выдавать навигационную информацию со скоростью 9600 Бод. Единственное, на что следует обратить внимание - в передаваемых им строках
$GRPMC,181212,A...
после значения текущего времени (в данном случае 18 часов 12 минут 12 секунд UTC) должна следовать буква А. Буква V на её месте означает, что данные недостоверны. Это обычно связано с неудовлетворительными условиями приёма сигналов со спутников (например, внутри помещения) или с недостаточным числом спутников в зоне приёма.
Регулировка узла подачи тонального сигнала должна быть выполнена до установки на плату маяка микросхемы DD3 (ISD5116ED). Для этого к маяку должен быть подключён настроенный модем, а запрограммированный микроконтроллер маяка установлен в свою панель. Включив питание маяка, выполните звонок с мобильного телефона на номер установленной в маяке SIM-карты.
Если звонок произведён с номера, хранящегося на SIM-карте маяка под именем Mno, в ответ на него (при наличии микросхемы DD3) должна прозвучать фраза, характеризующая состояние маяка и объекта, на котором он установлен, а при звонке с номера, которого нет на SIM-карте, - фраза "Номер не опознан". Но если микросхема DD3 отсутствует или когда она неисправна, микроконтроллер маяка формирует и передаёт по каналу GSM тональный сигнал. Подстроечным резистором R29 необходимо добиться его наилучшего воспроизведения телефоном, с которого произведён вызов.
Программирование микросхемы ISD5116ED (DD3) выполняют после её установки на плату маяка. Необходимо занести в память микросхемы все голосовые сообщения, которые должен передавать маяк в различных ситуациях. Это информация о произошедших событиях и текущем состоянии датчиков, а также о состоянии аккумуляторной батареи автомобиля.
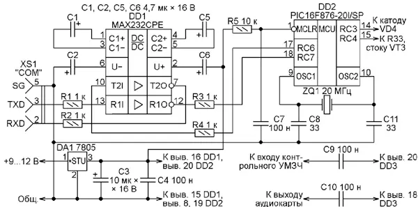
Микросхемой записи и воспроизведения речи ISD5116ED управляют с помощью команд, подаваемых по интерфейсу I2C. Для её программирования необходимо изготовить адаптер COM-I2C, схема которого приведена на рис. 18, и загрузить в память имеющегося в нём микроконтроллера DD2 коды из файла i2c_rs232.hex, находящегося в папке "ISD5116" приложения.
Этот микроконтроллер оснащён аппаратным контроллером I2C. Он преобразует в сигналы этого интерфейса информацию, поступающую из COM-порта компьютера на разъём XS1 и передаёт их в установленную в маяке микросхему ISD5116ED. Как показано на рис. 18, её необходимо соединить также с линейным выходом аудиокарты компьютера и подключить к ней контрольный УМЗЧ, в качестве которого можно использовать активную компьютерную аудиоколонку. На время программирования микросхемы DD3 микроконтроллер маяка (DD1) следует удалить из панели.

Рис. 18. Соединение микросхемы ISD5116ED с линейным выходом аудиокарты компьютера
Для записи в микросхему следует подготовить, используя микрофон и звуковую карту компьютера, звуковые файлы, содержащие необходимые фразы, в любом доступном компьютеру формате. Удобно использовать программу Sound Forge 9.0, которая позволяет изменять любые параметры звуковых фрагментов, объединять их, вырезать ненужные участки. Для сокращения объёма используемой памяти следует удалить также паузы в начале и конце каждой фразы.
Все фразы, которые должны быть записаны в микросхему, приведены в таблице. В ней также указаны их ориентировочная длительность и адреса, с которых они начинаются в памяти микросхемы. При записи эти адреса следует строго соблюдать, поскольку именно по ним программа микроконтроллера маяка разыскивает нужные звуковые фрагменты. Если отдельные фразы получаются слишком длинными и уложить их в отведённое место не удаётся, придётся вносить изменения в программу. Адреса, по которым в ней находятся адреса начала фраз, имеются в той же таблице.
При записи фраз в микросхему используются следующие команды, представляющие собой последовательности байтов:
EE 82 44 2F 83 00 C1 ED - конфигурация записи, вход звукового сигнала AnA IN (вывод 18 микросхемы), выход AUX OUT (вывод 20);
EE 82 24 26 83 59 D1 ED - конфигурация воспроизведения, выход звукового сигнала AUX OUT (вывод 20);
EC 91 HH LL ED - команда записи, HH - старший байт адреса начала записываемой фразы, LL - его младший байт;
EC A9 HH LL ED - команда воспроизведения, HH - старший байт адреса начала воспроизводимой фразы, LL - его младший байт;
EB - команда остановки записи или воспроизведения (в последнем случае не обязательна, воспроизведение останавливается автоматически по достижении конца фразы);
EF - команда чтения состояния микросхемы.
Эти команды отличаются от приведённых в руководстве по применению микросхемы, поскольку некоторые их байты использует микроконтроллер адаптера. Например, по получении байта EF он формирует и передаёт по интерфейсу I2C реальную команду чтения состояния микросхемы.
Терминальную программу, с помощью которой будут подаваться команды, следует настроить на работу со скоростью 19200 Бод с восемью информационными разрядами без контроля чётности и одним стоповым разрядом. Запись производят в следующем порядке:
- подают команду конфигурации записи, после чего воспроизводимый компьютером звуковой файл можно прослушать с помощью подключённого к выходу AUX OUT микросхемы ISD5116ED контрольного УМЗЧ;
- подают команду записи с начальным адресом фразы и с минимальной потерей времени запускают воспроизведение нужной фразы компьютером;
- как только фраза заканчивается, подают команду остановки записи;
- подают команду чтения состояния микросхемы ISD5116ED, на которую должен быть получен ответ из трёх байтов. Второй из них - старший, а третий - младший байты адреса первой после записанной фразы свободной для записи ячейки памяти микросхемы. Этот адрес не должен быть больше начального адреса следующей по порядку, указанному в таблице, фразы.
Таблица
Фраза | Длит., с | Адрес начала в DD3 (HEX) | Положение адреса начала в НЕХ-файле программы | |
Старший байт (HEX) | Младший байт (HEX) | |||
Исчезало напряжение 12 В, сейчас нормально" | 3 | 0000 | 02АЕ | 02В0 |
"Срабатывал датчик качания, сейчас нормально" | 3,1 | 0260 | 0277 | 0279 |
"Срабатывала штатная сигнализация. сейчас нормально" | 3,5 | 04Е0 | 0241 | 0243 |
Включена штатная сигнализация" | 2 | 0760 | 025В | 025 D |
Включен датчик присутствия" | 1,55 | 0960 | 0225 | 0227 |
Включен датчик качания" | 2 | 0В20 | 0291 | 0293 |
"Отсутствует 12 В" | 2 | ODOO | 02С8 | 02СА |
Отключена штатная сигнализация" | 2,5 | ОЕСО | 02Е6 | 02Е8 |
"Пропали 12 В" | 4 | 10С0 | OOFD, OOFF, 0326, 0328 | 0101, 0103, 032А, 032С |
Тон 1000 Гц | 0,66 | 13АО | 0173, 01 ВС | 0175, 01 BE |
Все нормально" | 0,97 | 14С0 | 01Е0 | 01Е2 |
"Номер не опознан" | 2,7 | 15EQ | 04ЗА | 043С |
"Слушай обстановку" | 1,4 | 1 820 | 01 Е7, 0212, 022С. 0248, 0262, 027Е, 0298, 02В5, 02CF, 02ЕD | 01Е9, 0214, 022Е, 024А, 0264, 0280, 029А, 02В7, 02D1, 02EF |
"Сработал датчик качания" | 3,8 | 1980 | 0161, 0163 | 0165, 0167 |
Сработал датчик присутствия" | 4 | 1С00 | 013Е, 0140 | 0142, 0144 |
Сработала штатная сигнализация" | 4,43 | 1EC0 | 014С, 014Е | 0150, 0152 |
"Ожидай SMS' | 1,17 | 21СО | 03С1 | ОЗСЗ |
"Срабатывал датчик присутствия" | 3,15 | 2320 | 020В | 020D |
Включено зажигание" | 2,25 | 2560 | 0335, 0337, 0340, 0342 | 0339, 033В, 0344, 0346 |
"Разряжена аккумуляторная батарея" | 3,2 | 2740 | 00ЕЕ, 00F0, 031А, 031С | 00F2, 00F4, 031 Е, 0320 |
Желательно проверить сделанную запись, прослушав её с помощью контрольного УМЗЧ. Для этого нужно подать команду конфигурации воспроизведения, затем команду воспроизведения с начальным адресом фразы, а по завершении её звучания прочесть состояние микросхемы.
Повторяя описанный цикл, записывают в микросхему все необходимые фразы.
Узел датчика качания налаживают, подключив вход осциллографа к выходу ОУ DA2. Подстроечным резистором R2 установите на этом выходе высокий логический уровень. Далее положение движка резистора уточните экспериментально. При покачивании датчика (микроамперметр PA1, стрелка которого утяжелена кусочком припоя) уровень на выходе ОУ должен изменяться в такт качанию стрелки. Окончательную регулировку производят на автомобиле.
Узел контроля состояния аккумуляторной батареи налаживают, подав на контакт 5 разъёма XP1 маяка напряжение, равное минимальному допустимому напряжению батареи (у меня 11,2 В). Установите подстроечным резистором R18 напряжение 1,05 В на входе RA2 микроконтроллера. Результат легко проверить. Установите на контакте 5 разъёма XP1 напряжение 12...13 В и, медленно снижая его, дождитесь телефонного звонка с сообщением "Разряжена аккумуляторная батарея". Это должно произойти при заданном минимальном напряжении.
Остальные узлы маяка наладочных работ не требуют.
Файлы печатных, плат в формате Sprint Layout 6.0 и все необходимые для работы и налаживания системы программы можно скачать здесь.
Автор: С. Полозов, г. Кривой Рог, Украина
