Появление на рынке относительно недорогих модулей для построения GSM-модемов и приёмников сигналов спутниковых навигационных систем ГЛОНАСС и GPS позволяет создавать сравнительно простые и при этом обладающие неплохими качественными показателями конструкции, способные с большой точностью определять текущие координаты объекта, например автомобиля, и передавать их по каналам сотовой связи. В предлагаемом устройстве использованы готовые модули, имеющие богатый набор функций и конструктивное исполнение, позволяющее вести монтаж обычным паяльником.
Хотя система разрабатывалась для применения в автомобиле, модифицировав программы имеющихся в ней микроконтроллеров, легко приспособить её и для других применений, например, для слежения за крупными домашними животными. Набор предусмотренных в ней охранных функций легко изменять, не подключая соответствующие датчики и удаляя из маяка не требующиеся для их обслуживания элементы. Вносить какие-либо изменения в программу микроконтроллера при этом не требуется. Упростив таким образом маяк, им можно пользоваться, например, для того, чтобы постоянно знать, где находится ушедший на прогулку ребёнок.
Компьютер, к которому подключён по интерфейсу Bluetooth базовый блок системы, указывает положение объекта на картах программы Гугл Планета Земля или свободно распространяемой программы SASPlanet. Возможен вывод информации о положении объекта и на сотовый телефон, в котором установлена навигационная программа, например, Навител 3.5.0. В принципе, за положением объекта можно следить с помощью любого устройства с навигационной программой, имеющего Bluetooth.
Система состоит из двух блоков: собственно маяка, установленного на контролируемом объекте, и базового блока. Последний - ведущий во всех режимах, а маяк - ведомый. Исполняя команды ведущего, он определяет координаты объекта по сигналам навигационных спутников систем ГЛОНАСС и GPS и передаёт их по каналу GSM. В режиме охраны маяк направляет по тому же каналу голосовые сообщения о тревожных ситуациях. Телефонные номера, на которые отсылаются команды и передаётся информация, должны быть предварительно записаны в SIM-картах, установленных в GSM-модемах маяка и базового блока.
Основной режим базового блока - приём координат от маяка и дальнейшая передача их по интерфейсу Bluetooth на компьютер или другое устройство, отображающее их на карте. Звуковые сообщения могут быть приняты и обычным сотовым телефоном. В базовом блоке и в телефоне можно использовать как разные SIM-карты, так и одну и ту же.
Для приёма сигналов ГЛОНАСС/GPS маяк оснащён активной антенной. С ней координаты автомобиля, оборудованного маяком, определяются даже в тех случаях, когда он стоит в гараже. Если это не требуется, может быть применена и пассивная антенна. Для этого потребуется минимальная доработка приёмника ГЛОНАСС/GSM - удаление из него дросселя, через который на активную антенну подаётся питание.
В маяке предусмотрено опознавание номера, с которого произведён входящий звонок, что исключает возможность доступа посторонних лиц к системе. Поскольку все номера хранятся в SIM-картах, их можно изменять без вмешательства в программы микроконтроллеров.
Если сотовым оператором предусмотрена возможность отвечать сообщением SMS на USDC-запрос о состоянии абонентского счёта установленной в маяке SIM-карты, то маяк формирует такой запрос по команде, посланной ему с сотового телефона. Полученную в ответ информацию он пересылает в виде сообщения SMS отправителю команды.
Состояние абонентского счёта базового блока можно проверить с помощью компьютера с запущенной на нём терминальной программой и соединённого с базовым блоком по Bluetooth. Для этого в блоке предусмотрен специальный режим работы.
Если проверка состояния счёта по USDC-запросам невозможна, то для выполнения этой проверки SIM-карты придётся временно перемещать из маяка или базового блока в сотовый телефон.
Маяк и базовый блок питаются от аккумуляторов для сотовых телефонов, потребляя в дежурном режиме небольшой ток. В базовом блоке предусмотрена индикация состояния аккумулятора. Заряжают его с помощью зарядного устройства для сотового телефона, при этом предусмотрена индикация зарядки. Аккумулятор маяка заряжается от бортсети автомобиля, но не исключена его зарядка и от такого же зарядного устройства, что и аккумулятора базового блока.
Налаживание системы сводится в основном к записи нескольких параметров в GSM-модемы блоков и перепрограммировании приёмника ГЛОНАСС/GPS маяка на необходимую скорость передачи принятой навигационной информации. Это делается с помощью компьютера через последовательные коммуникационные порты, которыми оборудованы модемы и приёмник. Необходимо также записать речевые сообщения, предназначенные для передачи маяком, в микросхему записи и воспроизведения речи и запрограммировать микроконтроллеры маяка и базового блока.
Схема и конструкция GSM-модема
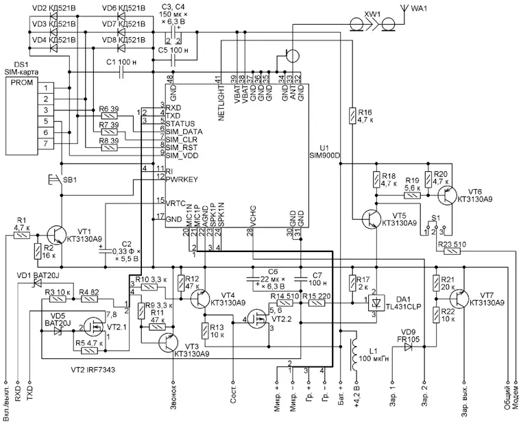
Рассмотрение схем и конструкции узлов и блоков системы начнём с GSM-модема, который используется как в маяке, так и в базовом блоке. Схема модема изображена на рис. 1. При работе с составляющим основу модема модулем SIM900D (U1) необходимо в соответствии с руководством по его эксплуатации соблюдать несколько простых требований:
- до появления высокого уровня напряжения на выходе STATUS (выв. 5) нельзя допускать наличия напряжения на входах модуля. Это обеспечивает узел на транзисторах VT4 и VT2.2;
- напряжение на входах модуля не должно превышать 2,8 В. Это обеспечивают параллельный стабилизатор напряжения DA1, транзистор VT2.1, диоды VD1, VD5;
- выключать и включать модуль необходимо подключением входа PWRKEY (выв. 12) модуля к общему проводу на время более чем 1 с, что делает транзистор VT1. Однако вслед за этой рекомендацией в руководстве приведено описание работы модуля при снижении напряжения питания. При напряжении менее 3,2 В он автоматически выключается. Для исключения повреждения модуля при резком отключении аккуму-ляторавнешним выключателем конденсаторы С3 и C4 в цепи его питания имеют суммарную ёмкость 300 мкФ. Накопленного в них заряда достаточно для правильного выполнения модулем процедуры выключения;
- к входу VRTC (выв. 15) необходимо подключать ионистор (использованы найденные в старых сотовых телефонах);
- выводы для подключения SIM-карты не имеют встроенной защиты, поэтому необходима установка внешних стабилитронов на напряжение 5 В или защитных диодов. В данном случае это диоды VD2-VD4, VD6-VD8.

Рис. 1. Схема модема
Перемычка S1 служит для выбора варианта подключения внешнего светодиода - индикатора режима работы модуля. Когда она находится в положении 1-2, с выводом "Модем" соединяют катод светодиода, а его анод - с плюсом питания. При этом транзистор VT6 и резисторы R18-R20 не используются и устанавливать их на плату модема нет необходимости. Такое подключение светодиода использовано в базовом блоке. В варианте для маяка перемычку устанавливают в положение 2-3, анод светодиода соединяют с выводом "Модем", а катод - с общим проводом. Логика работы индикатора в обоих случаях одинакова.
Кнопка SB1 предназначена для ручного включения и выключения модема. Чтобы выполнить любую из этих операций, необходимо нажать ее на 1...2 с, контролируя процесс выключения или включения по состоянию светодиода, подключённого к линии "Модем".
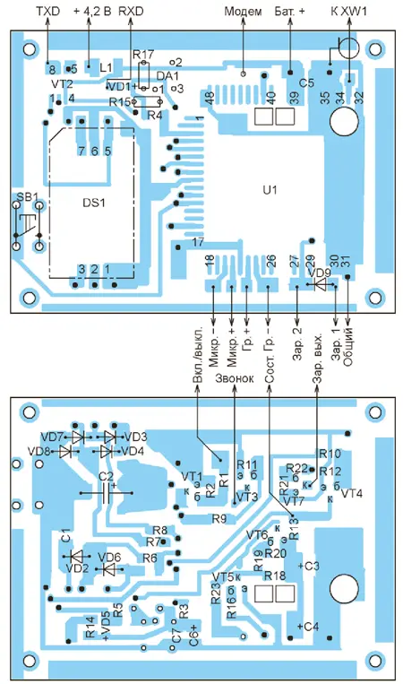
Чертёж печатных проводников платы модема показан на рис. 2, а расположение деталей на ней - на рис. 3. В переходные отверстия, которые показаны залитыми, следует вставить и пропаять с двух сторон отрезки лужёного провода.

Рис. 2. Чертёж печатных проводников платы модема

Рис. 3. Расположение деталей на печатной плате модема
Перемычку S1 формируют соединением печатного проводника, идущего к верхнему по чертежу выводу резистора R23 с коллектором транзистора VT5 (положение 1-2) или транзистора VT6 (положение 2-3). Перед установкой на печатную плату модуля SIM900D желательно нанести на предназначенные для него контактные площадки немного паяльной пасты (я пользуюсь BST-506) и прогреть пасту феном до момента об-луживания площадок. Эта нехитрая подготовка значительно облегчит пайку. Если такая возможность отсутствует, можно паять и обычным способом - паяльником с тонким жалом. Перед пайкой на боковые контакты модуля SIM900D с помощью иглы нужно нанести капельки флюса (я применяю F-2000), без него эти контакты паять затруднительно.
Резисторы R15 и R17 - С1-4-0,125 Вт, остальные - Р1-12 типоразмера 1206. Оксидные конденсаторы - TECAP, керамические - GRM32 X7R. Устройство не критично к выбору номиналов элементов, за исключением резисторов R14, R15, R17 в узле стабилизации напряжения 2,8 В. Резисторы и конденсаторы можно применять практически любые, подходящие по размерам. Это же относится к биполярным транзисторам.
Нужные оксидные конденсаторы можно найти в старых мобильных телефонах, там же имеются ионисторы и диоды с барьером Шотки BAT20J. Эти диоды могут быть заменены другими с малым падением напряжения в прямом направлении. Неплохо работают германиевые диоды Д2Б и подобные.
Сборку полевых транзисторов IRF7343 можно заменить двумя отдельными полевыми транзисторами с соответствующим типом проводимости канала. Единственное требование к ним - пороговое напряжение должно находиться в пределах 1,5...2 В.
Кнопка SB1 - выключатель питания от мобильного телефона "Nokia". Держатель SIM-карты 5190006-008-R желательно установить именно такой, иначе придётся переделывать плату.
Антенну АР22В соединяют с модулем SIM900D кабелем-переходником ADA-000-115. Здесь можно применить антенну и другого типа, предназначенную для сотовой связи.
Схема и конструкция базового блока
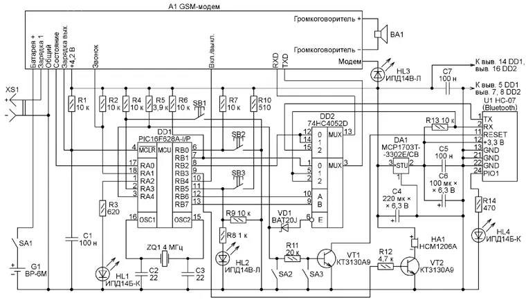
Схема базового блока изображена на рис. 4. Он работает по программе, записанной в памяти микроконтроллера DD1. Нажатие на кнопку SB1 в дежурном режиме подключает линии RXD и TXD GSM-модема к соответствующим линиям модуля Bluetooth U1. В результате модемом можно управлять из терминальной программы, запущенной на компьютере, связанном с базовым блоком по каналу Bluetooth. Когда базовый блок работает в режиме передачи информации от маяка в компьютер, эта же кнопка служит для выхода из режима без выключения приёмника сигналов ГЛОНАСС/GPS в маяке.

Рис. 4. Схема базового блока
При нажатии на кнопку SB2 в дежурном режиме выполняется вход в режим передачи информации, в котором эта кнопка служит для выхода из режима с выключением приёмника ГЛОНАСС/ GPS.
Нажатием на кнопку SB3 отвечают на входящий звонок и запрашивают передачу маяком информации о текущем состоянии объекта. Она же служит для отбоя после сеанса связи. Учтите, что программа микроконтроллера DD1 не обнаруживает отбой со стороны маяка, поэтому его по окончании сеанса связи нужно обязательно дать вручную. В противном случае GSM-модем прекратит соединение, а микроконтроллер DD1 может остаться в неопределённом состоянии.
Каждое нажатие на кнопки сопровождается звуковым сигналом излучателя HА1. Необходимо иметь в виду, что для экономии энергии аккумулятора G1 в дежурном режиме микроконтроллер DD1 большую часть времени находится в состоянии "сна", "пробуждаясь" каждые 2 с для опроса кнопок и контроля напряжения аккумулятора. Если нажать на кнопку во время "сна" микроконтроллера или выполнения им задачи, не связанной с опросом кнопок, команда может быть пропущена. Поэтому нажатой кнопку необходимо удерживать до получения подтверждающего звукового сигнала и только после этого отпустить.
SA1 - выключатель питания блока. Замкнув выключатель SA2, переключают систему в режим охраны, что обеспечивает, в частности, получение голосовых сообщений от маяка. Кроме того, с помощью транзистора VT2 и излучателя звука HA1 прозвучит сигнал вызова в случае тревожной ситуации. Выключателем SA3 включают модуль U1 для проверки его работоспособности, отладки соединения с терминальным устройством (компьютером).
Динамическая головка ВА1 служит для прослушивания голосовых сообщений от маяка. Излучатель звука HA1 подаёт сигналы нажатия кнопок, информирует о входящих звонках.
Светодиод HL1 при разрядке аккумулятора G1 до 80 % его ёмкости начинает кратковременно вспыхивать, при разрядке до 40 % излучатель HA1 подаёт звуковой сигнал. Во время идущей зарядки аккумулятора светодиод HL1 кратковременно вспыхивает, по её окончании светит непрерывно до отключения зарядного устройства от разъёма XS1 или от сети.
В соответствии с инструкцией к используемому в GSM-модеме модулю SIM900D аккумулятор G1 должен быть литиево-ионным. По информации, найденной в Интернете, такой аккумулятор оптимально хранить разряженным не более чем до 70 % ёмкости. Исходя из этого, и выбраны режимы индикации.
Светодиод HL2 включается, подтверждая установление связи в режиме передачи данных и в режиме управления модемом через модуль Bluetooth. Светодиод HL3 сигнализирует о состоянии связи модема с сотовой сетью, а HL4 - о состоянии модуля Bluetooth.
Мультиплексор 74HC4052D (DD2) переключает линии RXD и TXD модема в требуемом направлении в зависимости от состояния входов A и B:
A=0, B=0 - модем соединён с микроконтроллером DD1, который им управляет;
A=1, B=0 - информация, принятая модемом, поступает в модуль Bluetooth.
A=0, B=1 - модем управляется от модуля Bluetooth (это режим в основном отладочный, он также нужен для получения данных USSD). В этом режиме удобно работать непосредственно с GSM-модемом из любой запущенной на компьютере терминальной программы, мне больше нравится программа COM Port Toolkit 3.9.
Коротко о модуле HC-07. В простейшем случае он представляет собой мост Bluetooth-RS-232 - фактически радиоудлинитель COM-порта. Всё очень просто и легко интегрируется в системы, работающие по интерфейсу RS-232.
В продаже можно найти много подобных модулей под названиями HC-04, HC-05, BC04, BC05, BC06, RF-BT0417C, BT0417 и рядом других. Все они построены на базе контроллера BC417143B. Это решение называется BlueCore4, все модули на его основе соответствуют протоколу Bluetooth 2.0 и даже внешне очень схожи. Их размеры - 27x13 мм, питаются они напряжением 3,3 В, потребляют в процессе установки соединения ток до 30 мА, который снижается до 12 мА при устойчивой связи. Скорость встроенного в них последовательного порта устанавливается АТ-командами из стандартного ряда 1200-115200 Бод (по умолчанию - 9600 Бод, восемь информационных разрядов без контроля чётности и один стоповый).
В режиме моста модуль HC-07 не может быть инициатором соединения (ведущим), а может быть только ведомым. Поскольку скорость передачи информации в канале сотовой связи равна 9600 Бод, изменять какие-либо настройки модуля нет необходимости. Индикатор режима его работы (светодиод HL4) при отсутствии связи по радиоканалу часто мигает, а когда соединение установлено, светит непрерывно.
В базовом блоке две печатные платы - основная и рассмотренная выше плата GSM-модема. Печатные проводники на основной плате блока показаны на рис. 5, а расположение деталей на ней - на рис. 6. Переходные отверстия, в которые нужно вставить и пропаять с двух сторон отрезки неизолированного провода или выводы деталей, показаны залитыми.

Рис. 5. Печатные проводники на основной плате блока

Рис. 6. Расположение деталей на печатной плате блока
Элементная база - та же, что и в модеме. Микроконтроллер DD1 установлен в панель для удобства программирования и налаживания. Выводы резисторов R1, R3, R8 (С1-4-0,125 Вт) припаяны непосредственно к контактным площадкам без сверления отверстий в плате. Динамическая головка BA1 - от мобильного телефона "Nokia-3410", но может быть и другой с сопротивлением звуковой катушки 32 Ом. Она установлена непосредственно на корпусе блока.
Кнопки SB1-SB3 - TS-A1PS-130. Выключатели SA2 и SA3 - спаренный DIP-переключатель ВДМ1-2. Излучатель звука HA1 - без встроенного генератора, такой можно найти в старых мобильных телефонах, принтерных платах и т. п.
Блок собран в пластмассовом корпусе размерами 165x65x20 мм. Плату устанавливают в корпус блока так, чтобы кнопки и светодиоды находились на лицевой стороне корпуса. Вид на монтаж блока при снятой нижней крышке показан на рис. 7.

Рис. 7. Вид на монтаж блока при снятой нижней крышке
Выключатель SA1 должен быть рассчитан на ток не менее 2 А (применён движковый переключатель КВВ70-2P2W). Он установлен непосредственно на корпусе блока. Разъём XS1 для подключения зарядного устройства от мобильного телефона тоже установлен на корпусе.
Аккумулятор G1 - BP-6M размерами 40x40 мм от сотового телефона "Nokia". Зарядное устройство для него должно иметь стабилизированное выходное напряжение не более 6 В.
Продолжение следует.
Автор: С. Полозов, г. Кривой Рог, Украина
