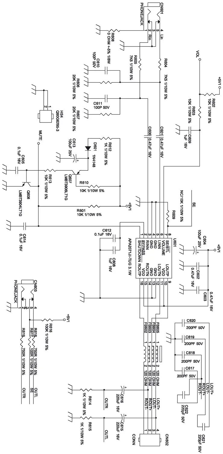
На рис. 14 приведен фрагмент принципиальной схемы основной платы с каналом звука.

Рис. 14. Фрагмент принципиальной схемы основной платы с каналом звука
Стереосигналы звука Lin, Rin через контакты разъема CN601 и входные цепи подаются на выв. 6, 3 микросхемы U601 типа APA2071JI-TUG фирмы ANPEC, являющейся усилителем мощности 3,1 Вт звуковой частоты с регулируемой громкостью. Сигналы LOUT±, ROUT± с выв. 11,9, 14, 16 микросхемы через контакты 4, 3, 2, 1 разъема CN602 соответственно подаются на расположенные в футляре монитора динамические головки. Через контакты гнезда CN603 имеется возможность подключения стереофонических головных телефонов.
Сигналы регулировки громкости VOL и блокировки звука MUTE с выв. 80, 81 МП U401 подаются на выв. 7, 1 микросхемы U601 соответственно. Ее питание производится напряжением +5V1 через выв. 10, 15.
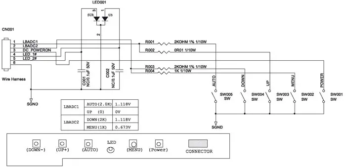
Принципиальная схема платы клавиатуры управления показана на рис. 15.
Рис. 15. Принципиальная схема платы клавиатуры управления (по клику крупно)
На ней расположены кнопки управления SW001 (POWER), SW002 (MENU), SW003 (UP), SW004 (DOWN), SW005 (AUTO). Эти кнопки через контакты 3, 2, 1 разъема CN001 соединены с выв. 90 (POWER), 82 (KEY1), 83 (KEY2) микропроцессора U401.
На плате расположен также индикатор LED001, на аноды светодиодов которого с выв. 84, 99 микропроцессора через контакты 4, 5 разъема CN001 подаются сигналы LED 1# (синий), LED 2# (красный).
На этом же рисунке показано расположение кнопок на плате и приведена таблица напряжений на линиях LBADC1 и LBADC2 (на контактах 1 и 2 разъема) в разных режимах нажатия кнопок.
Разборка монитора
1.Снимают крышку, как это показано на рис. 16а.
2.Вытягивают корпус вверх с целью отделения его от подставки (рис. 16б).
3.Кладут монитор экраном вниз на стол, не забывая подложить под него мягкую ткань. Отворачивают винты, как это показано на рис. 16в, и снимают заднюю крышку.
4.Снимают защитный экран, как это показано на рис. 16г.
5.Извлекают шасси с платами и динамическими головками (рис. 16д).
6.Отворачивают винты, обведенные на рис. 16е кругами, и извлекают платы и динамические головки (рис. 16е-и).


Рис. 16. Разборка монитора
Типовые неисправности
Монитор не включается, светодиодная индикация отсутствует
Проверяют наличие напряжений +5V и +14.5V на выходах источника питания (см. рис. 11). Если обоих напряжений нет, то проверяют наличие напряжения на конденсаторах С907, С907А блока питания, исправность микросхемы U901, транзистора Q901,оптрона U902, трансформатора Т901.
Бывают случаи, когда монитор "пытается включиться", индикатор кратковременно вспыхивает несколько раз и гаснет. Это подтверждает, чаще всего, неисправность транзистора Q901 и микросхемы U901.
Если же отсутствует только напряжение +5V, из-за чего имеет место рассматриваемая неисправность, то проверяют исправность диодов D905, D909 и конденсаторов С925, С920, С922 (особое внимание обращают на отсутствие вздутий корпусов электролитических конденсаторов).
При наличии напряжения +5V проверяют исправность стабилизаторов напряжений VCC3.3 и VCC1.8 на микросхемах U701 (U702) и U703 (U704) соответственно (см. рис. 12). Если эти напряжения подаются на микропроцессор U401, то, прежде чем принять решение о необходимости его замены, проверяют исправность микросхемы Flash-памяти U402 и кварцевого резонатора Х401 (см. рис. 7). Не стоит забывать, что вновь устанавливаемая микросхема памяти должна иметь определенную прошивку для конкретной модели монитора.
Монитор включается, но экран не светится. Индикация включения имеется
Такое проявление неисправности может быть из-за проблем как в плате питания и инвертора задней подсветки, так и в основной плате управления и обработки сигналов.
В первой из них проверяют поступление напряжения +14.5V на стоки полевых транзисторов двойной сборки инвертора и исправность микросхемы U801 (см. рис. 13).
Проверяют поступление сигнала включения инвертора на выв. 5 микросхемы и поступление сигнала регулировки яркости на ее выв. 12.
Проверяют поступление напряжения питания VLED на линейки светодиодов через контакты 3, 4 разъема CN804. Если оно отсутствует, из-за чего и не будет светиться экран, проверяют исправность диода D801, накопительного конденсатора С809 и дросселя FB802.
Затем проверяют исправность сигнальных кабелей к ЖК панели (LVDS).
В основной плате ограничиваются проверкой поступления напряжений питания 3.3V и 1.8V на все соответствующие выводы микропроцессора U401 и микросхемы памяти, после чего заменяют микросхему памяти и после этого делают вывод о необходимости замены микропроцессора.
Мала яркость свечения или имеется неравномерность подсветки
Проверяют исправность светодиодных линеек подсветки и качество контактов в разъеме CN804. Проверяют также поступление сигнала регулировки яркости на выв. 12 микросхемы U801 и исправность самой микросхемы.
Экран засвечен. Искажения изображения при подаче сигналов на входы VGA и DVI
Проверяют наличие напряжения VLCD на контактах 28-30 разъема CN408 (см. рис. 10) и сигналов LVA и LVB на контактах 1-6, 8-13, 15, 16, 18-23 этого разъема.
Искажения изображения или помехи на нем в виде горизонтальных линий
Прежде всего, с осторожностью проверяют качество контактов кабелей LVDS. Далее заменой проверяют исправность кварцевого резонатора Х401, а также уровни питающих напряжений 3.3V и 1.8V, которые не должны отличаться от номинальных значений более чем на ±10%.
Проверяют также поступление синхроимпульсов HSYNC и VSYNC с контактов 13, 14 разъема CN101 на выв. 25, 26 микропроцессора U401 соответственно.
Отсутствует или искажен звук
Проверяют подачу сигналов звука на контакты разъема CN601 (см. рис. 14) и на выв. 6, 3 микросхемы U601. Затем проверяют наличие сигналов на выв. 9, 11, 16, 14 микросхемы и если они отсутствуют - исправность самой микросхемы.
Проверяют наличие напряжения питания +5V1 на выв. 10, 15 микросхемы и отсутствие блокировки звука по цепи MUTE, а также отсутствие пробоя транзистора Q608.
Литература и источники
1. SERVICE MANUAL AOC e950Swda. 715G4502-Scaler IC NT68660, DVI
Автор: Геннадий Романов (г. Москва)
Источник: Ремонт и сервис

