Программирование телефонов с помощью универсального бокса UFS
С помощью универсального бокса UFS можно программировать телефоны, выполненные не только на платформах DCT-3, DCT-4, но и DCT-L и WD-2.
Программная оболочка этих боксов называется DCTx Tools, ее окно показано на рис. 12 (в закладке выбрана платформа DCT-3).

Рис. 12
Приставка к названию этой программы - Sa-rasSoft (см. рис. 12) означает имя производителя, a Saras - это один из разработчиков, в свое время работавших на разработке программного обеспечения боксов GRIFFIN. Этот экскурс необходим нам для того, чтобы знать, что в программе DCTx Tools используется много наработок от программы GRIFFIN - это своего рода программа-преемник последней, но с более широкими возможностями.
Программа DCTx Tools в первую очередь удобна тем, что она поддерживает максимально возможный набор функций, необходимых для работы с телефонами NOKIA. Кроме того, она является достаточно гибким инструментом хотя бы из-за того, что поддерживает режим сценарной обработки (то есть можно самостоятельно запрограммировать цепочку выполнения определенных операций).
В этой программе есть развитая система понятных подсказок, кроме того, существует подробная инструкция для работы с ней. Поэтому, перед тем, как приступать к программированию конкретной модели телефона, необходимо ознакомиться с соответствующим разделом инструкции, в противном случае это может привести к плачевным последствиям. Например, с помощью этой программы в смартфонах (платформа WD-2) нельзя проводить полный сброс, в противном случае аппарат перейдет в состояние CONTACT SERVICE.
Кроме того, программа DCTx Tools позволяет:
- выбирать тип интерфейса (M-bus, F-bus);
- работать с компьютером через интерфейс USB;
- поддерживать практически все аппараты NOKIA (в этой программе записаны адреса - - расположения различных областей памяти, поэтому их программирование может происходить автоматически - адреса вводятся вручную при "тонкой" настройке аппарата);
- проверять работоспособность процессорной части телефона (с помощью кнопки 1 CHECK - см. рис. 13). Если точнее, основное назначение этой функции - проверка соединения с аппаратом посредством загрузки в процессор телефона специальной программы-загрузчика. Для ремонтников это должно быть важно - если операция после нажатия кнопки CHECK прошла успешно - на телефоне можно проводить операции чтения/записи Flash-памяти;
- перезаписывать область EEPROM и менять IMEI-номер. Правда, при записи EEPROM в телефон DCT3 иногда необходимо преобразовать файл EEPROM в формат, понятный UFS, для этого исходный FLS-файл переименовывают в формат BIN и, нажав кнопку CONVERT, выбирают этот файл. После этого программа запросит область адресов, в которую файл должен быть записан. Вводят необходимые данные и подтверждают ввод кнопкой ОК. После чего этот файл автоматически преобразуется в понятный для программы формат. Открывают этот файл и записывают его в память телефона. После этого выбирают опцию восстановления IMEI-номера, вводят новый (или старый) IMEI меняют и производят сброс телефона на заводские установки.
Перечисление всех возможностей программы займет достаточно много времени, остановимся лишь на наиболее показательных режимах.
Если нажать кнопку INFO и выбрать платформу телефона, можно считать всю техническую информацию об этой модели (как в программных продуктах, описанных выше). После этого, если мы заходим в окно прошивки MCU (или других), программа автоматически выводит нужную директорию с предустановленной прошивкой - остается только подтвердить выбор. Считывание информации возможно, только если телефон включается.
В простейшем случае "прошивку" телефона выполняют следующим образом:
- присоединяют аппарат к боксу UFS и включают телефон;
- выбирают соответствующие друг другу версии MCU и РРМ (если необходимо перезаписать только один из указанных компонентов, то соответствие версий также необходимо соблюдать);
- производят необходимые настройки пользовательского интерфейса (Ul Setting) и нажимают кнопку START
Если необходимо узнать версию ПО аппарата, включают его и набирают комбинацию *#0000# , или нажимают кнопку Info в окне программы DCTx Tools. В случае, если телефон не включается, выбирают MCU и РРМ, снимают галочку в позиции Autodetect Product и нажимают ОК.

Рис. 13
На рис. 13 показано окно программы для платформы телефонов DCT-4, где числами отмечены некоторые функциональные кнопки, панели и окна (их назначение понятно из названия):
- - окно сообщений программы;
- - окно пользовательских установок;
- - режим ручной прошивки;
- - настройки пользовательского интерфейса;
- - переключение режимов (Local Mode, Test mode, Normal Mode);
- - перезагрузка телефона;
- - выбор платформ;
- - панель выбора файлов прошивок;
- - выбор версии Bluetooth. Также можно вос- становить работоспособность Bluetooth, нажав кнопку Rp ВТ (на панели 14);
- - опции настроек режимов программы;
- - выбор сценария;
- - выбор интерфейса (M-bus, F-bus);
- - старт/отмена выбранной операции;
- - чтение/запись содержимого микросхемы UEM (Rd/Wr UEM - создание ASK-файла и запись RPL-файла), области EEPROM (Rd/Wr PM), чтение всей памяти (Rd MEM), ее очистка (Erase), создание INI-файла (Create Ini File) и другие операции;
- - прогрессирующая шкала выполнения опе- раций (чтения/записи);

Рис. 14
На рис. 14 показан процесс ручного выбора модели телефона (в ниспадающем меню 1 для смартфонов на платформе WD-2), а на рис. 15 - панель калькуляции кодов разблокировки (1) и панель поддержки программного обеспечения бокса UFS (2).

Рис. 15
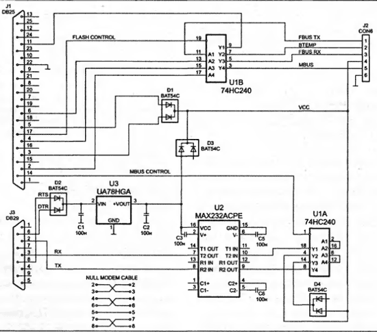
В заключение приведем еще одну принципиальную схему универсального бокса - см. рис. 16.
В табл. 2 приведены адреса областей MCU, EEPROM и РРМ (в микросхеме Flash-памяти) и русскоязычные версии языкового пакета РРМ для некоторых моделей телефонов на платформе DCT3.

Рис. 16
Таблица 2
| Модели телефонов NOKIA | Адресное пространство | Версии языкового пакета РРМ, имеющие русский язык | |||
| FLASH-память | мсU | PPM | EEPROM | ||
| 3210(NSE-8/9) | 00200000-00400000 | 00200000-002EFFFF | 002F0000-003FFFF | He содержится в микросхеме Rash-памяти | b |
| 3310, версии ПО-3.24 и 4.02 | 00200000-0040(Ю00 | 00200000-0031FFFF | 00320000-003CFFFF | 003D0000-003FFFFF | е |
| 3310, версия ПО- 04.06 и выше | 00200000-00400000 | 00200000-0032FFFF | 00330000-Q03CFFF | 003D0000-003FFFFF | е |
| 3330, версии ПО - 3.05, 4.12,4.16 | 00200000-00600000 | 00200000-0048FFFF | 0G490000-0054FFFF | 00550000-005FFF | d, e, i, j |
| 3330, версия ПО-3.12 | 00200000-00600000 | 00200000-0048FFF | 00490000-005DFFFF | 005E0000-005FFFFF | d, e, i, j |
| 3330, версия ПО -4.30 | 00200000-00600000 | 00200000-0048FFF | 00490000-005EFFF | 005F0000-005FFFF | d, e, i, j |
| 5110(NSE-1) | 00200000-00300000 | 00200000-002AFFFF | 002B0000-002FFFF | He содержится в микросхеме Rash-памяти | b |
| 5130(NSK-1) | 00200000-00300000 | 00200000-002BFFF | 02C00000-002FFFF | Не содержится в микросхеме Rash-памяти | b |
| 6110(NSE-3) | 00200000-00300000 | 00200000-002BFFFF | 002C0000-002FFFFF | Не содержится в микросхеме Rash-памяти | b |
| 6130(NSK-3) | 00200000-00300000 | 00200000-002CFFF | 002D0000-002FFFFF | Не содержится в микросхеме Rash-памяти | b |
| 6150(NSM-1) | 00200000-00400000 | 00200000-0035FFFF | 00360000-003FFFFF | Не содержится в микросхеме Rash-памяти | a,g |
| 6210(NPE-3) | 00200000-00600000 | 00200000-0051 FFFF | 00520000-0059FFFF | 0O5A00O0-005FFFFF | gJ |
| 6250(NHM-3) | 00200000-00600000 | 00200000-0052FFFF | 00530000-0059FFFF | 005A0000-005FFFFF | gJ |
| 7110(NSE-5) | 00200000-00600000 | 00200000-0050FFFF | 00510000-0058FFF | 00590000-005FFFF | b,e |
| 8210(NSM-3) | 00200000-00400000 | 00200000-0033FFF | 00340000-003CFFFF | 003D0000-003FFFFF | d,g |
| 8850(NSM-2) | 00200000-00400000 | 00200000-0033FFFF | 00340000-003CFFFF | 003D0000-003FFF | d,g |
| 8890(NSB-6) | 00200000-00400000 | 00200000-0033FFFF | 00340000-003CFFFF | 003D0000-003FFFFF | d |
