С увеличением парка мобильных телефонов пропорционально растет и количество зарядных устройств, идущих в комплекте с телефонами. Учитывая низкое качество наших электросетей, эти устройства нередко выходят из строя. Особенно это относится к моделям неизвестных производителей, приобретаемым на радиорынках в связи с их невысокой стоимостью.
Как правило, для сохранения рентабельности такие производители применяют в своих устройствах более дешевые комплектующие, что неизбежно влечет за собой снижение их надежности.
После того, как, не проработав и недели, вышло из строя купленное на радиорынке подобное зарядное устройство для телефона NOKIA, было принято решение выяснить причину возникшей неисправности и внести необходимые изменения в схему для повышения надежности устройства в целом.

Фото. 1
Нужно отметить, что, сравнивая два зарядных устройства - сертифицированное и "серое", разницу найти не так-то и легко (фото 1). Корпус устройства неизвестного производителя (см. на фото 1, сверху) отличается менее глубоким тиснением надписей логотипа NOKIA и технических характеристик устройства и отсутствием нанесенного шелкогра-фией значка, регламентирующего способ утилизации устройства по окончании срока его эксплуатации. На фото 2 и 3 показаны соответственно устройство в разобранном виде и его монтажная плата.

Рис. 1
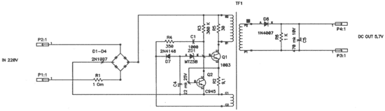
Принципиальная схема устройства была восстановлена по монтажной плате и как видно представляет собой классический импульсный преобразователь обратного хода (рис. 1). Подобные простые схемы широко применяются в импульсных блоках питания и зарядных устройствах мощностью до 25 Вт с соответствующим использованием более мощных деталей.

Фото. 2
Заявленные характеристики устройства - выходное напряжение 5,7 В, ток 800 мА.
А теперь коротко рассмотрим описание работы схемы

Фото. 3
Напряжение сети подается через токоограничивающий резистор R1 на вход выпрямителя, выполненного на диодах D1-D4. На транзисторе Q1 собран автогенератор, частота которого в основном определяется характеристиками применяемого здесь импульсного трансформатора TF1. Резистор R3 задает режим работы транзистора Q1. Стабилизация выходного напряжения происходит за счет использования обмотки обратной связи импульсного трансформатора TF1 и цепочки D7, С4, ZD1. Транзистор Q2 и резистор R2 служат для ограничения тока транзистора Q1 в момент запуска автогенератора, а также в случае перегрузки или короткого замыкания на выходе устройства. Схема содержит простейший выпрямитель выходного напряжения на диоде D8 и конденсаторе С5. Резистор R6 служит для разрядки конденсатора С5 после выключения устройства.
В результате проверки был найден неисправный транзистор Q1 с маркировкой 1003 и сгоревший резистор R3. Обгоревшее покрытие резистора не позволило определить его сопротивление. С целью повышения надежности схемы в качестве транзистора Q1 был использован более мощный и широко распространенный отечественный транзистор КТ 940А (фото 4). Сопротивление R3, указанное в схеме, было подобрано применительно к конкретному транзистору для обеспечения устойчивой работы автогенератора и получения необходимого выходного тока. Следует учесть, что в связи с большим разбросом характеристик транзисторов КТ 940А, в некоторых случаях, возможно, потребуется изменить указанное на схеме значение сопротивления R3.

Фото 4
Необходимо заметить, что на плате в предусмотренном для этого месте отсутствует оксидный конденсатор, который должен быть подключен на выходе диодного выпрямителя D1-D4. В этом случае автогенератор устройства фактически работает в режиме модуляции выпрямленным сетевым напряжением. По этой причине во многих случаях подобные устройства могут не обеспечивать заявленный выходной ток, необходимый для зарядки аккумулятора мобильного телефона Следствием этого может быть, например, увеличение общего времени зарядки. В некоторых случаях недостаточный выходной ток может привести к неправильной работе схем зарядки аккумуляторной батареи в мобильном телефоне, что, в конечном счете, может привести к уменьшению срока эксплуатации батареи. При необходимости, можно запаять этот отсутствующий конденсатор - его емкость может составлять не более 10 мкФ на рабочее напряжение не менее 450 В. Советую сразу с установкой конденсатора припаять параллельно его выводам со стороны монтажа резистор сопротивлением около 300 кОм для разрядки этого конденсатора после отключения устройства от сети. Кроме этого, для надежности желательно заменить резистор R1 на резистор с большей рассеивающей мощностью, так как он ограничивает ток зарядки этого конденсатора в момент включения устройства в сеть. На плате предусмотрено место для светодиода, предназначенного для индикации работы устройства, и в случае необходимости его можно установить на плату через токоограничивающий резистор сопротивлением 680 Ом.
После ремонта данное зарядное устройство надежно работает уже больше года без замечаний. Учитывая, что используемая схема преобразователя широко применяется во многих зарядных устройствах, описанный способ ремонта и повышения надежности может быть рекомендован и для других подобных устройств.
Автор: Сергей Дякевич, г.Одесса
