В статье описан измерительный генератор синусоидальных сигналов звуковой и ультразвуковой частот, совмещенный с аналоговым частотомером. Прибор обеспечивает параметры и погрешность, достаточные для большинства практических работ, проводимых радиолюбителями.
Когда в домашней лаборатории возникла необходимость заменить после многолетней службы звуковой генератор ГЗ-102, то оказалось, что в продаже сейчас почему-то встречаются в основном только функциональные генераторы, которые для измерений параметров звуковой аппаратуры не очень удобны, да и недешевы. Сделать самому и проще, и значительно дешевле. Публикаций на эту тему очень много, поэтому изобретать ничего не надо, но удобных для повторения полностью законченных простых конструкций не так уж много. Пришлось на макетах проверить повторяемость и параметры некоторых вариантов генераторов и на их основе создать наиболее простой и удобный для повторения прибор.
По моему мнению, один из наиболее удобных генераторов для работы со звуковой аппаратурой - ГЗ-102, поскольку ступенчатые регуляторы и кнопочные переключатели в иных конструкциях очень усложняют работу. Компьютерные же "виртуальные приборы" годятся для экспериментов и полезны при поверке, но малопригодны для повседневной работы. Опять же, модные генераторы с "ультранизкими искажениями" (обычно на фиксированной частоте) тоже не очень удобны при разнообразии измерений в полосе звуковых частот.
В домашней лаборатории хотелось иметь перестраиваемый генератор небольших габаритов, но по удобству работы и параметрам он не должен сильно отличаться от ГЗ-102. При изготовлении прибора важно избежать предварительного отбора элементов для получения требуемых характеристик, поэтому пришлось сразу отказаться от схем задающего генератора с использованием моста Вина или двойного Т-моста. При таком ограничении заслуживают внимания генераторы на фазовращателях [1], генератор, предложенный Е. Невструевым [2], и генераторы с гиратором [3]. На макетах этих устройств самый низкий коэффициент гармоник (Кг) удалось получить в генераторе по схеме из [2]. На частоте 1 кГц и при выходном напряжении около 1 В измеритель нелинейных искажений (ИНИ) С6-11 показал Кг= 0,016 %. Возможно, этот прибор меньше просто не может показать (по паспортным данным минимальное измеряемое значение Кг = 0,03 %). Но, к сожалению, в этом генераторе получить устойчивую генерацию во всем диапазоне частот очень трудно. С этой точки зрения устройство довольно капризное. Генератор с фазовращателями сложнее других и содержит больше элементов.

Рис. 1
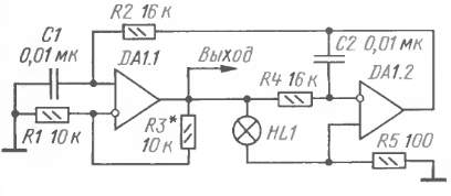
Явное преимущество по простоте и стабильности в работе показал генератор по предложенной в [3] схеме (на рис. 1 она упрощена). Там лампа накаливания, действующая как бареттер, подключена к выходу усилителя тока на транзисторе, чтобы снизить нагрузку на цепь генератора. Такой же усилитель предусмотрен и в схеме [2]. Но оказалось, что при выходном напряжении 1 В исключение усилителя на параметрах генератора не сказывается: нить лампы почти не нагревается, а амплитуда выходного сигнала при перестройке частоты практически не изменяется. Возможно, при выходном напряжении 4 В усилитель полезен, но для задающего генератора (ЗГ) необходимости в нем нет. Кроме усилителей на транзисторах, при проверке на макете вместо обычных ОУ были опробованы и микросхемы SSM2135 и SSM2275, обеспечивающие значительно больший выходной ток. В этом случае лампа может разогреваться без всякого дополнительного усилителя, но тоже никакой разницы в стабильности амплитуды и уровне искажений не замечено. В схеме генератора из [2] наименьшие искажения сигнала достигаются при определенном оптимальном выходном напряжении, выбираемом с помощью подстроечного резистора. В генераторе по схеме, показанной на рис. 1 в [3], никаких регуляторов не предусмотрено, а амплитуду выходного сигнала можно изменить подбором резистора R3. Для получения напряжения 1 В потребовался резистор R3 сопротивлением около 13 кОм.
Увеличение амплитуды одновременно позволяет повысить верхнюю граничную частоту генерации при тех же элементах. На мой взгляд, необходимость в использовании частоты выше 100 кГц в практике занятий звукотехни-кой возникает крайне редко. При экспериментах обнаружилось, что коэффициент гармоник и выходное напряжение несколько изменяются при замене лампы стабилизации. При измерениях в макете ЗГ использованы микролампы оптронов. На частоте 1 кГц результаты получены следующие: для ОЭП-2 Кг равен 0,11 и 0,068%; для ОЭП-11 - 0,23 и 0,095%; для ОЭП-13 - 0,1 и 0,12% (по два экземпляра). Для нескольких ламп других типов Кг оказался равным 0,17, 0,081, 0,2 и 0,077%. Измерения показали, что разогрев нити чрезвычайно мал (сопротивление фоторезистора оптрона практически не изменяется), хотя стабилизация амплитуды ЗГ очень эффективна. Не хуже стабилизируют амплитуду выходного сигнала и полевые транзисторы, но искажения получаются больше.
Нужно отметить, что на самой высокой частоте (100 кГц) в исследуемом варианте ЗГ могут работать не все ОУ. Легко обеспечивают генерацию на этой частоте сдвоенные ОУ ОР275 или NE5532, а микросхема SSM2135 - на частотах не выше 92 кГц.
Представленных здесь сведений по схемам вполне достаточно для изготовления измерительного генератора, но за более подробной информацией и методикой расчета можно обратиться к статьям [2, 3].
Для получения максимального выходного напряжения около 10 В эфф. необходим выходной усилитель, повышающий напряжение задающего генератора в 10 раз. В полноценном приборе нужно контролировать частоту и напряжение выходного сигнала. Проще всего снабдить генератор простыми частотомером и вольтметром. Эти совершенно независимые устройства размещены на отдельных платах, что облегчало экспериментальную проверку всех узлов и устраняло их взаимовлияние.

Рис. 2
Полная схема измерительного генератора с частотомером и вольтметром показана на рис. 2.
На одной плате собран задающий генератор (DA1), на второй - частотомер (DA3), на третьей - выходной усилитель и вольтметр (DA2). Получается, что весь прибор, кроме блока питания, собран всего на трех микросхемах, поэтому монтаж легко выполнить на отрезках макетной печатной платы.
Основные технические параметры
Частотные интервалы ЗГ и частотомера, Гц, в поддиапазоне
I ......................7...110
II ....................89...1220
III .................828...11370
IV...............8340...114500
Напряжение на выходе генератора, В ..................0...10
Затухание аттенюатора, дБ . .10/20/30/40
Выходное сопротивление,
Ом .....................100/160
Коэффициент гармоник ЗГ, %, в поддиапазоне
I (выше 30 Гц) .............0,16
II ......................0,105
III ......................0,065
IV .......................0,09
Для каждого из поддиапазонов указано среднее значение коэффициента гармоник, которое получено без всякого подбора элементов (кроме выбора лампы накаливания) при измерениях сигнала на выходе задающего генератора. При перестройке частоты амплитуда сигнала изменялась очень мало.
Задающий генератор на микросхеме DA2 работает в четырех поддиапазонах с небольшим перекрытием по краям. Перестройка частоты осуществляется с помощью сдвоенного переменного резистора R17. Для перестройки можно использовать и одиночный резистор, но перекрытие в поддиапазоне окажется значительно меньше. При наличии встроенного частотомера нет необходимости точно подгонять границы диапазонов или обеспечивать линейное изменение частоты, применяя переменные резисторы группы Б с нелинейной характеристикой регулирования. Пользуясь шкалой частотомера, требуемую частоту сигнала генератора можно выставить без труда.
Простые аналоговые частотомеры обычно собирают на микросхемах ТТЛ, так как на них проще обеспечить измерение высоких частот. Поэтому некоторые неожиданности возникли при подключении такого частотомера, который вносил заметные помехи: на частоте 100 кГц ИНИ показал увеличение коэффициента гармоник до 0,7 %. В этом приборе использована микросхема КМОП К561ЛА7 (DD1). Потребляемый ток и помехи от частотомера получаются значительно меньше. Чтобы свести эти помехи к минимуму, сопротивление разделительного резистора R1 нужно выбирать не менее 100 кОм, тогда на 100 кГц значение Кг не превышает 0,3 %. На других диапазонах практически подключение частотомера не сказывается. Чтобы еще больше снизить уровень помех от частотомера, на его входе установлен истоковый повторитель VT1 (КПЗОЗБ).
Принцип работы аналоговых частотомеров известен, а описание работы одновибратора можно найти в [4, 5]. Переключение поддиапазонов частотомера производится тем же переключателем SA1, который переключает частоту генератора. Если есть возможность подобрать конденсаторы С2, СЗ, С4 и С5, чтобы их емкости отличались ровно в 10 раз, то нет необходимости устанавливать подстроечные резисторы R6-R9.
Но можно использовать конденсаторы без подбора и подстроить показания в каждом поддиапазоне, пользуясь внешним частотомером (например, в ИНИ С6-11).
Еще одной неожиданностью стала заметная нелинейность шкалы используемых в приборе микроамперметров. Исходя из наличия и эстетических соображений в частотомере использован микроамперметр М4247 на 100 мкА, а в вольтметре - М4387 на 300 мкА. Оба типа приборов устанавливали в магнитофоны для контроля уровня записи сигнала, обычно они имеют одну шкалу, градуированную в децибелах. Понятно, что особая точность здесь не требовалась. Но с нанесенной настоящей шкалой показания измерительных приборов одного типа(!) существенно отличались либо в начале, либо в конце шкалы. Однако, располагая компьютером и принтером, новую шкалу можно сделать очень быстро. Сложность заключается в аккуратном вскрытии корпуса микроамперметра для установки шкалы, но это придется сделать, так как в вольтметре кроме обычной шкалы на 10 В нужно иметь шкалу на 3,16 В, а для всех занимающихся звукотехникой важно иметь возможность отсчета и в децибелах. Естественно, ничто не мешает использовать иные микроамперметры более высокого класса с готовыми шкалами.
Выходной каскад на ОУ DA5.2 (TL082 либо ТL072), увеличивающий амплитуду сигнала до 10 В, несколько увеличивает и нелинейные искажения. Этот каскад отличается от описанного в [6] только тем, что дополнительно введен переключатель SA2 "хО,316" для изменения уровня выходного сигнала на 10 дБ (установка подстроечным резистором R30) и включенной параллельно ему кнопки SB1. При разомкнутых контактах переключателя этой кнопкой можно быстро получить скачкообразные изменения уровня на 10 дБ, что очень удобно при настройке авторегуляторов уровня и измерителей уровня. Использование предельного напряжения питания (+/-17,5 В) для усилителя позволило получить максимальную амплитуду выходного сигнала без ограничения не менее 10 В. В блоке питания для этой цели установлены стабилизаторы с регулируемым напряжением.
Несимметричное ограничение амплитуды можно выровнять подстройкой соответствующего напряжения питания. Максимальное напряжение 10 В на выходном разъеме Х1 устанавливают резистором R31. Затем размыкают переключатель SA2 и устанавливают подстроечным резистором R30 напряжение ровно на 10 дБ ниже, т. е. 3,16 В. Для этого выходной вольтметр имеет вторую шкалу. В делителе напряжения необходимо подобрать резисторы, чтобы обеспечить точное изменение амплитуды выходного сигнала ступенями по 20 дБ. Иногда достаточно просто поменять местами в делителе два резистора одного номинала. Достоинство такого аттенюатора - неизменное выходное сопротивление генератора при любом выходном напряжении (здесь 160 Ом).
Измерения показали, что при выходном напряжении 7,75 В на частоте 20 Гц генератор имеет Кг= 0,27 %; а при напряжении 77 мВ (-40 дБ) - К= 0,14%. В диапазоне II при Uвых = 7,75 В Кг<0,16%, в диапазоне III Kr = 0,08...0,09 %. В полосе частот 10...20 кГц при 11ВЫХ = 7,75 В Кг= 0,06 %, а на более высоких частотах возрастал до 0,32 % на частоте 100 кГц. Для обычной эксплуатации прибора это вряд ли имеет значение, хотя возможно подобрать для выходного усилителя другой ОУ. Увы, популярный в звукотех-нической аппаратуре ОУ NE5532 на высокой частоте превращает синусоиду амплитудой 10 В в "пилу".
Весь генератор потребляет от источника питания по цепи +17,5 В ток не более 14 мА, а по цепи -17,5 В - не более 18 мА, поэтому в качестве Т1 можно использовать любой маломощный трансформатор, обеспечивающий нужные напряжения (2x18 В).

Внешний вид прибора показан на фото рис. 3. Генератор размещен в пластмассовом корпусе размерами 200x60x170 мм; подобных корпусов в продаже достаточно много. В приборе использованы переключатели ПГ2-15-4П9НВ и тумблеры П1Т-1-1В, а также кнопка КМ1-1. Все оксидные конденсаторы, кроме С8, - на напряжение 25 В. Выходной разъем Х1 - JACK6.3. Насколько оправдано применение такого разъема, показывает опыт эксплуатации. Первые впечатления подтверждают, что иногда этот прибор удобнее ГЗ-102, а на низких частотах стабилизация амплитуды более устойчива, при этом никакого подбора деталей не требуется. После сборки на некоторое время нужен доступ к ИНИ, например С6-11, для настройки. Подстроечными резисторами можно достаточно быстро выставить показания приборов и проверить параметры генератора. Если окажется, что во всех поддиапазонах искажения велики, следует подобрать другую лампу (можно рекомендовать СМН6.3-20 или аналогичные). Для налаживания можно использовать и другие приборы - вольтметры, частотомеры.
Для создания шкалы приборов нужно нанести линейную шкалу и записать показания напряжения во всем диапазоне перестройки. Затем с помощью ПК нужно изготовить новую шкалу с учетом измеренных погрешностей и распечатать ее с помощью принтера на фотобумаге. Говорить о точности здесь бессмысленно, поскольку она зависит от правильности показаний используемых при калибровке приборов. Сейчас службы ремонта и контроля в основном упразднены; теперь предлагается использовать сертифицированные приборы. Но сертификация, хотя и увеличивает цену приборов, никак не влияет на точность их показаний. Так, при экспериментах с генераторами было использовано три И НИ С6-11, и их показания несколько различались.
ЛИТЕРАТУРА
- Генератор 34 с малыми нелинейными искажениями. - Радио, 1984, № 7, с. 61.
- Невструев Е. Генератор сигналов 34. - Радио, 1989, № 5, с. 67-69.
- Петин Г. Применение гиратора в резонансных усилителях и генераторах. - Радио, 1996, № 11, с. 33, 34.
- Бирюков С. А. Цифровые устройства на МОП-интегральных микросхемах. - М.: Радио и связь, 1990.
- Шило В. Л. Популярные цифровые микросхемы. - М.: Радио и связь, 1987.
- Синусоидальный генератор. - Радио, 1995, № 1,с.45.
Автор: Э. Кузнецов, г. Москва
