Triad Semiconductor has launched the TS5510, a dual-channel analog front-end (AFE) low-noise programmable-gain amplifier for audio recording. The device suits both home and professional setups, delivering unmatched input flexibility.

Enhanced Signal Matching and Flexibility
The TS5510 can handle both high- and low-level audio inputs while preserving signal-to-noise ratio (SNR). Unlike traditional voltage-controlled amplifiers, it uses current-control amplification to extend dynamic range across its dual inputs.
Addressing Signal Variability
Recording diverse audio sources-microphones, instrument preamps, synthesizers-often requires preconditioning. The TS5510 eliminates the need for extra attenuation or external preamps, reducing distortion and noise.
Current Conveyor Architecture
Using current conveyor technology, the TS5510 achieves lower delay, higher dynamic range, reduced power consumption, and minimized switching noise. Digital control allows both inputs to accommodate varying signal levels without external components.

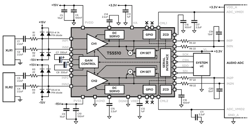
TS5510 block diagram
Key Specifications
- Dual fully differential XLR inputs
- Total Input Capture Range (TICR): 156 dB (+28 dBU to -128 dBU)
- Programmable gain: -18 dB to +47 dB in 1-dB steps
- Common-mode rejection ratio (CMRR) > 90 dB
- Balanced output: 2 Vrms or 3 Vrms
- Digital SPI control, compact QFN 7x7 mm package

Typical application diagram
Applications and Availability
The TS5510 simplifies audio mixers, USB audio interfaces, stage boxes, and routers. Triad offers the TS5510 EVK evaluation board along with sample schematics and PCB layout. Production deliveries are scheduled for March 2026.

TS5510 EVK evaluation board
