- ADP1607 (2012 г.) - быстродействующий (2 МГц) синхронный повышающий DC/DC-преобразователь напряжения в корпусе LFCSP-6 размерами 2x2 мм. ИМС предназначена для низковольтных (от 0,8 В до ивых) DC/DC-преобразователей напряжения мобильных устройств, занимающих крайне малую площадь на печатных платах. Схема включения ИМС ADP1607 приведена на рис. 13. Регулировка выходного напряжения в пределах 1,8.3,3 В осуществляется с делителя R1 R2, подключенного ко входу обратной связи FB микросхемы. К выходу VOUT микросхемы можно подключить один светодиод (на место R1), при этом его катод подключается к выводу FB и резистору R2. Драйвер может обеспечить выходной ток до 1 А, что позволяет использовать мощные LED при низких напряжениях питания, например от батарей напряжением 1,5 В.

Рис. 13. Схема включения ИМС ADP1607
- ADP1614 (2012 г.) - повышающий DC/DC-преобразователь в корпусе LFCSP-10 размерами 3x3 мм предназначен для схем управления питанием мобильных и портативных приложений. ИМС обеспечивает регулируемое выходное напряжение в пределах от UBX до 20 В с током до 4 А при входном напряжении 2,5...5,5 В. Частота коммутации может изменяться в пределах 0,65...1,3 МГц. При выходных токах в пределах 100...800 мА эффективность преобразователя превышает 90%.
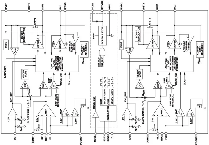
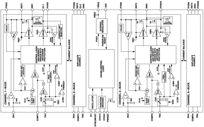
- ADP2323/ADP2325 (2012 г.) - двухканальные синхронные понижающие DC/DC-преобразователи с интегрированными MOSFET-транзисторами верхнего плеча (RDS ON=90/48 мОм) в корпусе LFCSP-32 размерами 5x5 мм, структура микросхем приведена на рис.14. Для реализации преобразователей с выходным током до 3/5 А и питанием от источника постоянного напряжения 4,5.20 В требуются два внешних MOSFET-транзистора нижнего плеча. На рис. 15 приведена схема источника питания с выходными напряжениями 3,3 и 1,8 В и выходными токами 5 А, выполненная на основе микросхемы ADP2325 и полевых транзисторов FDS8800 фирмы Fairchild. При указанном на схеме номинале резистора Rosc=200 кОм частота коммутации составляет 300 кГц. При использовании ИМС в качестве LED-драйверов светодиоды включаются вместо резисторов Rtop1, Rtop2. Микросхемы могу работать в режиме ШИМ или ЧИМ (PFM - частотно-импульсная модуляция), частота коммутации регулируется в пределах 0,25...1,2 МГц, возможна синхронизация внешними импульсными сигналами. Предусмотрено ограничение выходного тока при работе с малыми индуктивностями L1, L2.
Рис. 14. Структура микросхем ADP2323/ADP2325 (по клику крупно)

Рис. 15. Схема источника питания с выходными напряжениями 3,3 и 1,8 В (Iвых = 5 А) на основе микросхемы ADP2325
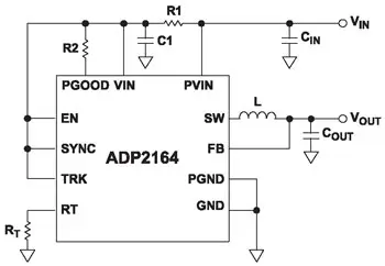
- ADP2164 (2011 г.) - высокоэффективный (до 96%) понижающий DC/DC- преобразователь напряжения с интегрированными P-FET- и N-FET-транзисторами верхнего и нижнего плечей (RDS ON=43/29 мОм соответственно). Микросхема выполнена в корпусе LFCSP-16 размерами 4x4 мм и при входном напряжении 2,7...6,5 В обеспечивает выходной ток до 4 А, частота коммутации регулируется в диапазоне 0,5...1,2 МГц, выходное напряжение может устанавливаться в пределах Uвх - 0,6 В. Типовая схема включения ИМС ADP2164 приведена на рис. 16.

Рис. 16. Типовая схема включения ИМС ADP2164
- ADP5054 (2015 г.) - Недавно представленный компаний четырехканальный прецизионный понижающий преобразователь напряжения ADP5054 предназначен для обеспечения питания ПЛИС, работы в системах наблюдения и безопасности, медицинской аппаратуре и в других приложениях, структура ИМС приведена на рис. 17. Преобразователь может работать в различных режимах с использованием ШИМ. Режим принудительной ШИМ (FPWM - Forced Pulse Wide Modulation) обеспечивается подачей сигнала управления высокого уровня на вывод SYNC/MODE, при низком уровне управляющего сигнала ИМС переходит в режим эффективной работы, используемый при малых нагрузках. Компания использует для обозначения этого режима термин "режим энергосбережения" (PSM - Power Save Mode).
Рис. 17. Структура ИМС ADP5054 (по клику крупно)
Каналы 1 и 2 рассчитаны на работу с внешними полевыми транзисторами нижнего плеча, максимальный выходной ток программируется пользователем и может иметь значения 2/4/6 А на канал. Максимальный выходной ток каналов 3 и 4 фиксирован на значении 2,5 А (без внешних транзисторов). При параллельной работе каналы 1 и 2 могут обеспечить выходной ток до 12 А, каналы 3 и 4 - до 5 А. Схема источника питания для ПЛИС (FPGA) и устройств памяти приведена на рис. 18, при указанных на схеме номиналах элементов источник обеспечивает выходные напряжения 1,2 В (ток 6 А, канал 1), 2,5 В (2 А канал 2), 1,5 В (2 А, канал 3) и 3,3 В (2 А, канал 4). В качестве транзисторов Q1, Q2 используется сборка полевых N-канальныхтранзисторов Si7232DN компании Vishay, выполненных по технологии TrenchFET с малым сопротивлением открытого канала RDS ON (0,0164 Ом при Vgs=4,5 В).
Рис. 18. Схема источника питания для ПЛИС (FPGA) и устройств памяти на основе ИМС ADP5054 (по клику крупно)
При входном напряжения 4,5...15,5 В микросхема обеспечивает точность поддержания установленных выходных напряжения ±1,5% в диапазоне температур -40...+125 ºС, частота коммутации, устанавливаемая пользователями, может находиться в пределах 0,25...2 МГц.
По сходной структуре выполнены и другие микро-схемы серии ADP505x: ADP5050, ADP5052 - 4 канала и один стабилизатор с малым падением напряжения (LDO); ADP5051, ADP5053 - 4 канала плюс супервизор.
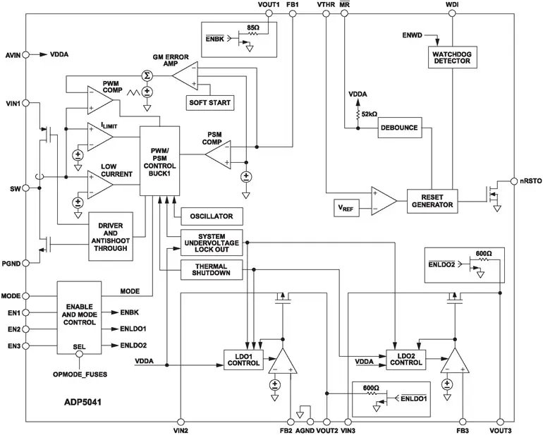
- ADP5041, ADP5040 (2011 г.) - понижающие преобразователи с двумя линейными стабилизаторами LDO и супервизором для мониторинга микропроцессоров (ADP5041) предназначены для портативных и мобильных устройств при входном напряжении 2,3...5,5 В (1,7...5,5 В для LDO) обеспечивают выходное напряжение 0,8...3,8 В при токе 1,2 А (300 мА LDO) и высокую эффективность преобразования (до 96%). Структура микросхемы ADP5041 приведена на рис. 19 (ADP5040 отличается только отсутствием супервизора), типовое включение ИМС для питания и мониторинга микропроцессоров мобильных устройств - на рис. 20. Частота коммутации понижающего преобразователя до 3 МГц, возможна работа в режимах принудительной ШИМ (FPWM) и энергосбережения при малых нагрузках (PSM), а также при коэффициенте заполнения 100% для обеспечения минимального падения напряжения.

Рис. 19. Структура микросхемы ADP5041

Рис. 20. Типовое включение ИМС ADP5041 для питания и мониторинга микропроцессоров мобильных устройств
Стабилизаторы LDO при емкости выходного керамического конденсатора фильтра емкостью 2,2 мкФ обеспечивают стабильную работу с высоким подавлением помех PSRR (Power Supply Ripple rejection) 57...66 дБ и низким уровнем шума 60...130 мкВ rms, падение напряжения 70...180 мВ в зависимости от выходного напряжения.
Универсальные DC/DC-преобразователи напряжения Analog Devices, выполненные в корпусах LFCSP, при высоких энергетических характеристиках отличаются чрезвычайно малыми габаритами, и это при том, что силовые полевые транзисторы интегрированы на одном кристалле у многих типов рассмотренных в статье микросхем. Это обстоятельство свидетельствует о малом выделении тепла на самих микросхемах и высокой эффективности преобразователей при их применении,что особенно важно в разнообразных устройствах с питанием от батарей. В качестве наглядного примера рассмотрим особенности понижающих преобразователей ADP2105/2106/2107 с интегрированными полевыми транзисторами с N- и P-каналами, выполненных в корпусах LFCSP размерами 4x4x0,85 мм. Микросхемы предназначены для применения в порта-
тивной и мобильной аппаратуре с питанием от батарей различного типа с напряжением 2,7...5,5 В, структура микросхем приведена на рис. 21, принципиальная схема преобразователя напряжения 5 В/3,3 В на микросхеме ADP2107 приведена на рис. 22.
Рассматриваемые ИМС отличаются экстремально высокой эффективностью, достигающей 97% при токах нагрузки порядка 1 А и падении напряжения (Uвх/Uвых) порядка 1 В. На рис. 23 приведены зависимости эффективности преобразователя (рис. 22) от выходного тока при различных входных напряжениях (с индуктивностью нагрузки 2,5 мкГн с активным сопротивлением 13 мОм). Высокая частота коммутации преобразователей (1,2 МГц) позволяет использовать компактные катушки индуктивности нагрузки (0,83...2,18 мкГн) с размерами основания порядка 5x5 мм производства компаний Sumida, Toko, Coilcaft, Cooper, Bussmann.

Рис. 21. Структура ИМС ADP2105/2106/2107

Рис. 22. Принципиальная схема преобразователя напряжения 5/3,3 В на ИМС ADP2107

Рис. 23. График зависимости эффективности преобразователя от выходного тока при различных входных напряжениях
Применение Р-канальных полевых транзисторов в верхних плечах выходных ключей позволяет реализацию работы в режиме с коэффициентом заполнения импульсов 100% (режим LDO с полностью открытым каналом в верхнем плече).
Интернет-источники
1.http://components.about.eom/od/Companies/p/ The-History-Of-Analog-Devices.htm
2.http://www.analog.com/parametricsearch/ ru/10573#10573/p4666=Switching%20Regulator
Автор: Юрий Петропавловский (г. Таганрог)
Источник: Ремонт и сервис



