В настоящее время широко распространены домовые кабельные сети передачи телевизионных сигналов: системы коллективного приема эфирного телевидения, а также кабельного телевидения. Однако число потребителей сигналов в отдельной квартире постоянно растет - несколько телевизоров, видеомагнитофонов, телевизионные тюнеры персональных компьютеров. Это приводит к тому, что телевизионные сигналы, которые поступают в квартиру, приходится многократно делить, т. е. применять несколько разветвителей. В результате уровни сигналов могут уменьшиться настолько, что окажутся недостаточными для высококачественного приема телевизионных программ.
В указанном случае в месте ввода сигналов в квартиру необходимо установить так называемый телевизионный "антенный" усилитель. Но если применить "первый попавшийся" усилитель, то можно получить отрицательный результат. Дело в том, что такой усилитель должен иметь не только коэффициент усиления 10...20дБ, хорошую чувствительность и требуемую полосу пропускания, но и большой динамический диапазон. Необходимость этого обусловлена тем, что диапазон частот телевизионного вещания сильно загружен не только телевизионными сигналами, но и сигналами радиостанций УКВ (как радиовещательных, так и любительских и служебных), сотовых телефонов и др. Если усилитель имеет недостаточный динамический диапазон, то возможна его перегрузка и возникновение перекрестных искажений, которые ухудшают качество приема, вплоть до срыва синхронизации изображения. Поэтому и нужен усилитель с большим динамическим диапазоном.
Кроме покупки, усилитель можно изготовить и самостоятельно по описанию в статье автора "Телевизионный антенный усилитель с большим динамическим диапазоном" ("Радио", 2005, № 9, с. 11, 12). Одновременно на него можно возложить и дополнительную функцию деления (разветвления) сигнала. В результате получится активный разветвитель телевизионного сигнала.

Рис. 1
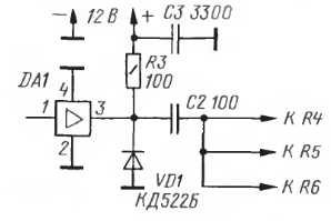
Схема такого активного разветвителя показана на рис. 1. Его основой служит специализированная микросхема усилителя средней мощности диапазона УКВ. Она обеспечивает коэффициент усиления около 20 дБ во всем диапазоне частот телевизионного вещания и выходную мощность около 18 дБмВт при уменьшении коэффициента передачи на 1 дБ. Коэффициент шума - 3...4дБ.
На входе усилителя установлен делитель R1R2, который обеспечивает согласование, повышает устойчивость работы усилительного каскада, создает цепь для стекания зарядов статического электричества, но ослабляет сигнал примерно на 3,5 дБ. Собственно разветвитель сигнала на три направления собран на резисторах R4-R6 и ослабляет сигнал на 4...5 дБ. Диод VD1 защищает микросхему DA1 от наводок напряжения отрицательной полярности. Общий коэффициент передачи устройства- 10... 12 дБ.

Рис. 2
Все детали разветвителя размещены на печатной плате из двусторонне фольгированного стеклотекстолита, эскиз которой представлен на рис. 2. Вторая сторона платы оставлена металлизированной и припаянной фольгой соединена по краям с общим проводом первой стороны. Кроме того, через отверстия в плате обе стороны соединены отрезками луженого провода. Входной и выходные кабели длиной несколько сантиметров припаивают непосредственно к плате, они должны быть с фторопластовой изоляцией, на их концах монтируют гнезда XW1 - XW4. Плату помещают в защитный пластмассовый кожух, подойдет, например, корпус от маркера или губной -помады.
В усилителе применены конденсаторы К10-17в, но можно аналогичные импортные, и постоянные резисторы Р1-12 типоразмера 1206. Высокочастотные разъемы XW1-XW4 - любые подходящие, которые пригодны для работы в диапазоне УКВ, например, типа "F". В усилителе применимы и другие ( микросхемы, параметры которых указаны в упомянутой выше статье. По возможности следует выбирать микросхему с большей выходной мощностью.

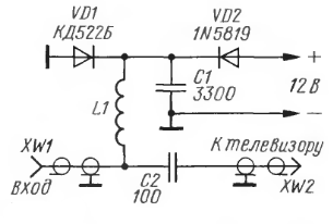
Рис. 3
Напряжение питания подают по кабелю, подключенному к гнезду XW2. На другом конце кабеля устанавливают отдельное развязывающее устройство, схема которого изображена на рис. 3. К нему подключают стабилизированный блок питания с выходным напряжением 12 В и током не менее 100 мА. Если есть возможность разместить блок питания в месте расположения разветвителя, то блок подсоединяют в соответствии со схемой на рис. 4.

Рис. 4
Конструкция отдельного развязывающего устройства аналогична развет-вителю. Все детали монтируют на печатной плате из двусторонне фольгированного стеклотекстолита по рис. 5. Дроссель L1 - ЕС24 индуктивностью 1...10мкГн. Его можно изготовить самостоятельно, намотав на оправке диаметром 2,5...3 мм 10-15 витков провода ПЭВ-2 0,2.

Рис. 5
Налаживание устройства сводится к проверке режима по постоянному току. На выходе микросхемы должно быть напряжение около 4 В, а на входе - около 2,5 В. Если окажется, что сигнал для телевизора будет слишком большим и появятся искажения, то следует увеличить сопротивление резистора R1 в 2...3 раза, а сопротивление резистора R2 во столько же раз уменьшить.
Автор: И. Нечаев, г. Москва
