Блок регуляторов громкости и тембра построен на основе микросхемы LM1040, в которой изменением постоянного напряжения на управляющих входах достигается электронное регулирование коэффициента передачи в двух каналах усиления (частотно-зависимое или линейное). Малый уровень нелинейных искажений и шумов позволяет использовать эту микросхему и ее близкий аналог (LM1036) в любительской аудиоаппаратуре, а также для модернизации промышленной.
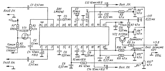
Блок регуляторов с микросхемой Одвухканального регулятора громкости, баланса и тембра не имеет цифрового управления и поэтому может быть встроен в любой любительский стереоусилитель между селектором входов и УМЗЧ. Основные параметры устройства (его схема показана на рис. 1) превосходят уровень требований к аппаратуре Hi-Fi Audio при достаточно благоприятных субъективных оценках качества звуковоспроизведения.

Рис. 1
Технические характеристики
Диапазон регулировки громкости (типовой), дБ............75
Диапазон регулировки тембра НЧ на частоте 40 Гц, дБ . .+15/-15
Диапазон регулировки тембра ВЧ на частоте 16 кГц, дБ .....................+15/-15
Коэффициент гармоник, %,не более ...................0,06
Уровень шумов (типовой), дБ ... -80
Входное сопротивление, кОм, не менее ................20
Выходное сопротивление, Ом ......................,20
Уровень переходного затухания между каналами, дБ........70
Потребляемый ток при напряжении питания 9... 16 В, мА..........................10
Уровни шумов и гармонических искажений в каналах регулирования указаны для напряжения входного сигнала 300 мВ при напряжении питания 12 В.
Все регуляторы в микросхеме выполнены на основе нескольких аналоговых перемножителей на биполярных транзисторных структурах. Поэтому селектор входов должен нормировать уровни входного напряжения блока регуляторов соответствующим выбором резисторов в делителях напряжения. Желательно, чтобы входной сигнал не превышал 400 мВ эфф., поскольку при большем напряжении существенно возрастают нелинейные искажения, особенно на высоких звуковых частотах. При меньшем уровне сигнала нелинейные искажения не превышают сотых долей процента.
Регулировка громкости - тонком-пенсированная, но отключаемая. Частотные характеристики регулирования тембра показаны на рис. 2, а зависимость уровня тонкомпенсации от затухания в тракте - на рис. 3. Изменив номиналы конденсаторов С5, С6 (ВЧ) и С9, С11 (НЧ), возможно сместить частотные полосы регулирования.

Рис. 2
Режимы "расширенного стерео" (управление посредством электронного ключа на VT1) и тонкомпенсирован-ной регулировки громкости - КРГ (переключение напряжения на выводе 9 с помощью транзистора VT2) включают подачей напряжения высокого уровня (+5 В); при низком уровне управляющего напряжения (0...0.3 В) эти режимы выключены.

Рис. 3
В качестве электронного ключа VT1 можно использовать полевые транзисторы с п-каналом с напряжением отсечки не более 4 В. Помимо КПЗОЗВ возможно применение транзисторов той же серии с индексами А, Б, Ж, И или иных аналогичных. Биполярный транзистор VT2 - любой из серии КТ315 или аналогичный.
Переменные резисторы - с линейной характеристикой регулирования, например, СПЗ-33-32 или аналогичные импортные.
Размеры печатной платы и размещение на ней элементов зависят от используемых конденсаторов; такой узел несложно собрать и на макетной плате. В сигнальном тракте блока (С1 - СЗ, С5, С6, С9, С11) желательно использовать высококачественные пленочные конденсаторы серий К71-5, К71-7, К73-9, К73-17, К78-2. Оксидные конденсаторы С4, С7, СЮ, С13, С14 - импортные (например, Jamicon) либо К50-35, остальные - керамические К10-17, К10-47 или серии КМ.
Вместо микросхемы LM1040 можно использовать близкий его аналог - LM1036, функционально отличающийся лишь отсутствием режима "Расширенное стерео"; но следует иметь в виду различие их в цоколевке.
Малое выходное сопротивление блока регулировок (около 20 Ом) исключает влияние на коэффициент усиления УМЗЧ с общей ООС и инверсией фазы, даже если его входное сопротивление невелико - несколько килоом.
Применение электронного регулирования в стереофоническом тракте позволяет отказаться от сдвоенных переменных резисторов, исключив появление тресков и шуршания при регулировании, и увеличить срок службы аппаратуры.
Автор: Н. Токарев, г. Москва
