на главную
Карта сайта
English version
Вы читаете:

Доработка AC Sven HP-830B с двухполосными УМЗЧ

Аудиотехника
18 лет назад

AC Sven HP-830B с двухполосными УМЗЧ

3

   В статье описана доработка громкоговорителей двухполосной акустической системы. В результате встроенные разделительные фильтры заменены внешними активными, а головки громкоговорителей стали разделенной нагрузкой двухполосных УМЗЧ, размещенных а отдельном корпусе с блоком питания. Все доработки выполнены с использованием рекомендаций из журнальных статей и Интернета.

   В поисках средств и способов достижения высококачественного звуковоспроизведения, рекомендуемых в радиолюбительской периодике, меня заинтересовала статья про возбуждение динамической головки от источника тока [1]: в этом случае спектр гармоник короче и их уровень ниже. Также авторы в обзоре указывают на преимущество работы динамической головки совместно с ИТУН (источник тока, управляемый напряжением); в другой статье [2] показано, как перевести обычный УМЗЧ-ИНУН (источник напряжения, управляемый напряжением) в режим ИТУН. Для этого нужно выполнить следующее: включить датчик тока (резистор) последовательно с нагрузкой; напряжение ООС снимать не с выхода усилителя, а с резистора-датчика тока, сопротивление которого выбирают из расчета 0,05...0,1 сопротивления нагрузки (чтобы не было существенного падения мощности) и соответствующей мощности.

   Основой для экспериментов стала АС промышленного изготовления "Sven НР-830В". Она была дополнена двумя известными конструкциями: активным фильтром с постоянным суммарным уровнем, а также УМЗЧ-ИТУН на основе интегральных усилителей.



Рис. 1

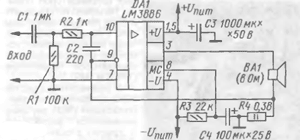
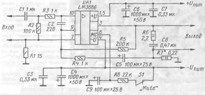
   В качестве усилителя выбрана импортная микросхема LM3886T, обладающая неплохими для мощного УМЗЧ техническими характеристиками; простейшая схема ее включения в режиме ИТУН показана на рис. 1. Такой усилитель работоспособен, но на выходе обычно присутствует небольшое постоянное напряжение, обусловленное меньшей глубиной ООС (примерно на 26 дБ) по сравнению с типовой схемой включения [3]. Поэтому я нашел в Интернете [4] другую схему УМЗЧ- ИТУН (рис. 2) на той же микросхеме, где этот недостаток усилителя устранен дополнением цепи стопроцентной ООС по постоянному току. На рис. 3 показан чертеж печатной платы, выполненный на основе конструкции из того же источника [4].



Рис. 2

   Теперь о доработке АС с учетом рекомендаций в [5].

   После разборки АС вклеивают распорку (рейку, желательно буковую) между боковыми стенками корпуса. Далее все стенки корпуса, кроме передней, оклеивают натуральным войлоком (можно использовать даже отдельные куски, клей - "Момент"). При окончательной сборке громкоговорителей полезно закрепить там таблетки "антимоли". По периметру динамических головок нужно нанести силиконовый прозрачный герметик. После высыхания он обеспечит необходимую герметичность и будет своеобразным демпфером.



Рис. 3

   Исходя из того, что усилитель-ИТУН должен быть нагружен непосредственно на динамическую головку (в разделительных фильтрах громкоговорителя при использовании УМЗЧ-ИТУН происходит нежелательное перераспределение тока), принято решение отказаться от пассивных фильтров. Поэтому элементы кроссовера удалены, а провода к динамическим головкам присоединены к винтовым разъемам на задней стенке громкоговорителя. На рис. 4 показано фото громкоговорителя АС "Sven HP-830B" с акустическим кабелем после переделки.



Рис. 4

   В результате поиска высококачественного активного фильтра выбран фильтр из [6] с постоянным уровнем суммарного сигнала и крутизной спада 12дБ на октаву. Частота разделения фильтра выбрана 4,5 кГц, поскольку динамическая головка ВЧ имеет резонанс вблизи 1,2 кГц [5]; схема разделительного фильтра приведена на рис. 5.

   Как видно из графика ФЧХ (рис. 6), фазовый сдвиг сигналов на выходе фильтра равен 180 поэтому динамические головки ВЧ и НЧ в громкоговорителе следует включить противофазно (речь о внутренних соединениях с клеммами).



Рис. 5

   Чертеж печатной платы этого фильтра (показан один канал) приведен на рис. 7. Плата выполнена из фольгиро-ванного стеклотекстолита. Фольга со стороны установки деталей использована в качестве экрана, поэтому отверстия, не отмеченные крестами, следует зенковать (фото на рис. 8).

   Конденсаторы в активном фильтре должны иметь малый тангенс угла потерь, нормированный ТКЕ, их нужно отобрать по значению емкости (разброс необходимо свести к минимуму - ±1 %). Можно использовать, например, конденсаторы КСО, К73-16; но я выбрал К78-2. Резисторы - МЛТ или другие доступные, также отобранные по сопротивлению.



Рис. 6

   В качестве ОУ можно использовать микросхемы LM833, NE5532 или их аналоги. Сначала на плату фильтра были установлены микросхемы LM833 но затем заменены на ОРА2604, обеспечивающие коэффициент нелинейных искажений 0,0003 %.



Рис. 7

   Активный фильтр вместе с четырьмя полосовыми УМЗЧ размещен в корпусе от усилителя "Электроника Б1-01", в котором все блоки удалены, оставлен только сетевой трансформатор. Выбор такого решения объясняется тем, что напряжение вторичной обмотки после выпрямления составляет 2x30 В, в корпусе есть хороший теплоотвод. Также можно использовать корпуса старых усилителей с трансформатором питания, например, "Бриг", "Барк", "Одиссей". Для оперативных регулировок громкости и тембра можно применить имеющиеся в некоторых моделях (например, "Бриг-001") дискретные регуляторы.



Рис. 8

   В блоке усилителей в качестве регуляторов уровня (громкости) применены импортные сдвоенные переменные резисторы сопротивлением 100 кОм. Таким образом, стереоусилитель имеет два регулятора (один сдвоенный - в полосе НЧ, другой сдвоенный - в полосе ВЧ). Микросхему УМЗЧ лучше использовать в изолированном корпусе LM3886TF (именно с индексом F). В микросхеме LM3886T минусовая цепь питания соединена с корпусом теплоотвода.;

   В блоке питания мощных микросхем желательно использовать мощные диоды Шоттки (на соответствующее напряжение и ток), например, HFA15PB60.

   Конденсаторы фильтра блока питания желательно набрать суммарной емкостью не менее 30000 мкФ на каждый канал. Лучше использовать импортные оксидные конденсаторы с малой паразитной индуктивностью (Samsung, Nichicon, Elna, Jamicon, Rubicon), к тому же импортные имеют меньшие габариты. В блоке установлено 12 конденсаторов 10000 мкФ/50 В Jamicon (по шесть в каждом плече) на общую емкость 120000 мкФ (по 60000 мкФ в каждом плече).

   В качестве источника питания активного фильтра использован отдельный блок питания от магнитофона "Радиотехника МП-201", в котором есть выходное напряжение 2x15 В, после замены в нем всех оксидных конденсаторов новыми. Но можно использовать и блок питания микросхем УМЗЧ, предварительно понизив его напряжения с помощью интегральных стабилизаторов напряжения LM337 и LM317.

   В результате доработки АС и дополнения ее двухполосными УМЗЧ звучание изменилось радикально в лучшую сторону: абсолютно исчезла пространственная "привязка" звука к головкам - теперь кажется, что в помещении (комнате) играют инструменты, а не какие-то колонки. Не оправдалось предположение о появлении "гудения" из-за плохого демпфирования динамической головки НЧ на частоте резонанса, наоборот - низкие частоты отличает четкий, глубокий бас.

   При сравнении звучания доработанной АС и активных мониторов ближнего поля Creative "E-mu" (стоимостью около 9 тыс. руб.) в качестве источника сигнала использовалась звуковая карта Creative "Audigy 2 ZS" на разных музыкальных композициях с различным битрейтом mp3, а также компакт-диски CD Audio. В результате многократных прослушиваний было замечено, что активные мониторы уступают доработанным "Sven" не только по динамике, но и по детальности звучания.

   Также в процессе работы проведены сравнения звучания доработанного громкоговорителя с недоработанным (один громкоговоритель с встроенным фильтром-кроссовером подключался к обычному усилителю), все названные в [5] недостатки звучания возвращались - появлялась слитность в звучании низкочастотной области спектра.

   В случаях установки громкоговорителей в углах комнаты может появиться заметный подъем АЧХ на частоте резонанса громкоговорителей. В этом случае можно предложить перевести доработанные громкоговорители в оформление закрытого типа, установив подходящие заглушки в трубы фазоинверто-ра. Проверенная полная добротность головки НЧ (Qts = 0,76) более соответствует закрытому акустическому оформлению при работе с УМЗЧ с низким выходным сопротивлением.

   Общая стоимость доработки, не считая стоимости уже имевшегося корпуса с блоком питания, составила примерно 1000 руб. и оказалась меньше стоимости комплекта новых заказных плат оптимизированных фильтров для данной АС (1550 руб.).

   Такую конструкцию можно рекомендовать радиолюбителям, желающим получить отличный результат при малых затратах, используя как рецепт модернизации старых отечественных усилителей.

   В качестве исходной можно взять почти любую импортную двухполосную акустическую систему, в том числе торговых марок Sven, BBK, особенно тех, которые не отличаются достойным звучанием. Для переделки можно рекомендовать и отечественные AC S-30

   Например, были испытаны недорогие АС фирм ВВК, 10МАС, Radiotechnika S-30, мультимедийные Microlab Solo2, и хотя в этих экспериментах частота разделения кроссовера не была оптимизирована, при подключении к изготовленному усилителю других АС все преимущества звучания сохраняются, самое главное - отсутствие "привязки" звука к громкоговорителям.

   Примечание: Передаточная функция "фильтра с постоянным уровнем" не гарантирует ровную частотную характеристику системы, поскольку на общую характеристику влияет и неравномерность АЧХ излучателей. Их влияние может быть минимизировано при условии, что динамические головки смежных полос не имеют явных спадов в АЧХ на протяжении двух октав за частотой разделения.

   ЛИТЕРАТУРА

  1. Алейнов А., Сырицо А. Улучшение звуковоспроизведения в системе УМЗЧ-громкоговоритель. - Радио, 2000. № 7, с. 16-18.
  2. Сырицо А. Особенности УМЗЧ с высоким выходным сопротивлением. - Радио, 2002, №2, с. 16, 17.
  3. Официальный сайт NATIONAL SEMICONDUCTOR:
  4. Усилитель "Аудиофилия" на LM3886: .
  5. Акустика Sven 830S:
  6. Активный разделительный фильтр для акустических систем: .

   Автор: Р. Алексеев, г. Углич Ярославской обл.


Рекомендуем к данному материалу ...

Мнения читателей
  • Сергей/03.06.2014 - 10:34

    Вообще то двух полос мало, если не школьную дискотеку озвучивать.

  • Анатолий /24.12.2012 - 03:16

    Добрый день спасибо за статью! Мне интересно ваше мнение по поводу вот такой модернизации http://zvuk19.ru/apgrejd/28-modernizatsiya-sven-hp-830b тут умелец говорит, что переделал родной фильтр от Sven HP-830B на Клячина и еще сделал свой и мо в разы свой лучше так же как Technics SB-CD120

  • Ян/01.05.2012 - 09:29

    Спасибо, доработал "Defender Mercury 55", фильтр класс.Использовал родной усилитель на бас и TDA2030(схема стандартная) на пищалки.Пришлось установить регулятор уровня высоких 50к.Результат превысил ожидания исчез огромный провал по средним звук ожил.И вобще ощущение будто каналы и не делятся играет слитно и ровно.Все хозяйство обошлось в сумме за 300р собранное на макетных платах и установлено на "огромную" заднюю крышку на винты м3 через втулки предварительно стенка оклеена фольгой для экранировки.