
Рис. 1
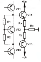
Основным источником тепловыделения в УМЗЧ является выходной каскад, и при разработке транзисторных усилителей мощности всегда большое внимание уделялось его термостабилизации. В 80-90-е годы в высококачественных УМЗЧ (например, [1 - 3]) наибольшее распространение получила схема выходного каскада, упрощенно изображенная на рис. 1. К ее достоинствам можно отнести удовлетворительную термостабильность (при размещении транзисторов VT2, VT4, VT5 на общем теплоотводе), высокую граничную частоту коэффициента передачи, низкое выходное сопротивление. Однако отсечка тока пассивного плеча, а также динамическая нестабильность тока покоя выходных транзисторов из-за колебаний температуры переходов транзисторов при изменении уровня сигнала способствуют увеличению коммутационных искажений. Эти особенности ухудшают субъективную оценку и достоверность воспроизведения звука.
О динамической стабилизации режима
Несколько лет назад хабаровский изобретатель Е. Алёшин предложил способ стабилизации рабочего режима (тока покоя) транзисторных каскадов [4,5], позволивший на порядок уменьшить динамическую температурную нестабильность, исключить отсечку тока в двухтактном выходном каскаде УМЗЧ и сделать перераспределение тока в нем более точным (как в "параллельном" усилителе [6]).

Рис. 2
На рис. 2 представлена упрощенная схема усилителя с токовой ООС [2] (А1 - двухтактный повторитель), где, в отличие от прототипа, рабочая точка выходного каскада стабилизирована с помощью узла, предложенного Е. Алёшиным. Стабилизатор тока покоя выполнен на элементах VT3, VT4 и VD1, VD2. При протекании сквозного тока через мощные транзисторы VT5, VT6 и включенные последовательно с ними нелинейные элементы - диоды VD1, VD2 - на последних образуется падение напряжения, которое при достижении порога открывания транзисторов VT3, VT4 вызывает появление их базового и коллекторного тока, уменьшая входной ток транзисторов VT5, VT6. В результате ограничивается сквозной ток через транзисторы выходного каскада и, соответственно, ток через диоды VD1, VD2 - датчики тока.
Статическая (долговременная) термостабильность достигается, как и в схеме на рис. 1, обеспечением теплового контакта транзисторов VT3, VT4 с диодами VD1, VD2. Динамическая стабилизация получается значительно лучше за счет меньшего выделения тепла на диодах, чем на мощных транзисторах, а эффект достижим, если кристаллы этих диодов и транзисторов сравнимы по объему.
При наличии сигнала плавное перераспределение тока через нагрузку и между диодами VD1 и VD2 получается вследствие логарифмической ВАХ диодов. Причем ток через них никогда не уменьшается до нуля, исключая отсечку тока выходных транзисторов. Ток через пассивное плечо можно значительно увеличить, включив резистор между базами транзисторов VT3, VT4 (т. е. параллельно VD1, VD2). При этом на ток покоя и на его распределение между плечами при наличии сигнала не влияют ни температура мощных транзисторов, ни падение напряжения на резисторах (если они имеются) в цепях базы и эмиттера этих транзисторов.
Может показаться сложным подобрать диоды и включаемые параллельно им эмиттерным переходом транзисторы, чтобы обеспечить условие стабилизации: Σ иБэ = Σ UVd- В действительности достаточно только найти подходящие типы приборов, подбор экземпляров не требуется. Кроме того, есть простой способ подстройки рабочей точки, что показано далее в описании предлагаемого УМЗЧ.
О тепловых искажениях
Здесь уместно немного рассказать о тепловых искажениях и методах их устранения при проектировании транзисторных усилителей.
Тепловые искажения - это изменения, вносимые в сигнал при прохождении его через электрическую цепь или усилительный каскад, обусловленные тепловым воздействием самого сигнала (тока) на термочувствительные параметры элементов усилителя. Пример тепловых искажений в пассивных цепях - компрессия сигнала в динамических головках из-за нагрева звуковых катушек (особенно у мощных, допускающих высокую температуру головок).
В полупроводниковых приборах рост температуры кристалла под действием протекающего тока сигнала вызывает изменение таких основных параметров, как, например, прямое напряжение диодов (-2,2 мВ/К), напряжение база - эмиттер биполярных транзисторов (-2,1 мВ/К), статический коэффициент передачи тока биполярных транзисторов (+0,5 %/К) и др.
Тепловые процессы имеют инерционный характер, обусловленный реальной теплоемкостью кристалла и корпуса прибора. Поэтому электротепловые процессы в транзисторах не только приводят к изменениям мгновенных значений параметров, но и создают эффект "памяти" в электрических цепях и усилительных каскадах. Тепловая память в усилительных каскадах проявляется как изменяющиеся во времени параметры после воздействия мощного сигнала: смещение рабочей точки каскадов, изменение коэффициента передачи (нестационарная мультипликативная ошибка); сдвиг постоянной составляющей сигнала (нестационарная аддитивная ошибка). Последнее похоже на проявление абсорбции диэлектрика конденсатора в цепи прохождения сигнала. Эти процессы создают линейные и нелинейные искажения сигнала, ухудшающие качество воспроизводимого звука [7].
Особо нужно отметить, что обычная термостабилизация не способна существенно улучшить динамическую термостабильность каскадов из-за намного большей постоянной времени тепловых процессов в устройстве по сравнению с постоянной времени тепловых процессов внутри полупроводникового прибора. Отчасти это верно даже для монолитных микросхем.
Очевидно, что для устранения проблем, связанных с тепловой памятью полупроводниковых приборов, необходимо применение схемных решений, уменьшающих колебания температуры кристаллов приборов или их влияние на параметры усилителя. Такими решениями могут быть:
- изотермический режим работы полупроводникового прибора [8];
- режим термостабильной точки каскада на полевом транзисторе;
- охват одного или нескольких усилительных каскадов ООС, выполненной на другом усилительном элементе (транзисторе), имеющем малые колебания мощности (и, следовательно, температуры) при воздействии сигнала;
- коррекция "вперед" [9];
- взаимная компенсация тепловых искажений каскадов.
Описание схемы УМЗЧ
Усилитель мощности выполнен по принципиальной схеме (рис. 3), соответствующей показанной структурной схеме.

Рис. 3
Основные технические характеристики
Номинальное входное напряжение, В....................1
Номинальное сопротивление нагрузки, Ом .............4; 8
Выходная мощность при сопротивлении нагрузки 4 Ом, Вт ......................50
Коэффициент гармоник, %, при Рвых = 40 Вт, RH = 4 Ом,
не более ....................0,02
при Рвых= 20 Вт, RH= 8 Ом,
не более...................0,016
Уровень шума (с фильтром МЭК-А),дБн ................-101
На входе установлен ФНЧ R1C2 для уменьшения ВЧ наводок на вход. В эту же цепь включен ограничитель входного напряжения на элементах R3, R4, С1, СЗ, VD1 -VD4 для защиты от перегрузки входных каскадов усилителя. Входной сигнал с регулятора громкости (РГ) через ФНЧ поступает на "параллельный" повторитель VT1, VT2, VT4, VT5 (названный в [10] псевдодвухтактным эмиттерным повторителем). Резисторы R5, R6 служат для балансировки тока входа, т. е. для устранения постоянной составляющей тока через РГ, возникающей из-за различия в статических коэффициентах передачи тока входных биполярных транзисторов и создающей напряжение смещения на входе. Конденсатор С6 предотвращает самовозбуждение входного каскада на радиочастотах.
Статический режим работы повторителя стабилизирован по напряжению питания параметрическими стабилизаторами R7VD5, R12VD6 и задан резисторами R8-R11, R16, R17T8K, чтобы в покое разность тепловых мощностей между транзисторами каскадов повторителя была мала. Динамический тепловой режим, определяемый элементами R13, R14, R24, R25 в сочетании со статическим режимом, выбран таким, чтобы минимизировать колебания мощности на транзисторах повторителя при наличии сигнала и разницу мгновенных мощностей транзисторов VT1 и VT4 (VT2 и VT5), получив, таким образом, минимальную мгновенную разность температур их кристаллов. Это сделано для того, чтобы тепловые колебания напряжения иБЭ транзисторов первого и второго каскадов вычитались и напряжение сигнала на выходе повторителя, а следовательно, и на выходе усилителя в минимальной степени было подвержено тепловым искажениям, трактуемым как "память напряжения сигнала" (нестационарная аддитивная ошибка).
Напряжение с выхода усилителя через делитель R26R16 и R27R17 поступает на выход "параллельного" повторителя - эмиттеры VT4, VT5, изменяя ток через них, т. е. формируется ток ошибки, пропорциональный отклонению выходного напряжения усилителя, поделенного на коэффициент усиления УМЗЧ, от входного. Противофазный ток ошибки через токовый повторитель VT3 (VT6) поступает на усилитель тока VT13 (VT14). Его выход нагружен на резисторы R39, R40 и входное сопротивление выходного повторителя VT15, VT16, на которых выделяется напряжение (т. е. это каскад преобразования импеданса) и через выходной повторитель подается в нагрузку (АС). Резистор R41 определяет ток покоя усилителя тока ошибки (VT13, VT14) и выбран таким, чтобы исключить закрывание пассивного плеча этого каскада из-за протекания тока через R39, R40. Последние сдвигают вверх по частоте первый полюс в петле общей ООС.
Частотная коррекция в петле ООС осуществляется конденсаторами СЮ, С11, включенными между каскадом преобразования импеданса и выходом "параллельного" повторителя. Такое их включение улучшает переходную характеристику усилителя, когда он нагружен на низкоимпедансную нагрузку, т. е. на АС [2]. Коррекцию на опережение фазы выполняют цепи R28C7 и R29C8. Под-строечный резистор R15 служит для устранения смещения на выходе УМЗЧ по постоянному току.
Ток эмиттеров выходного каскада протекает через датчики тока - диоды VD11-VD14. Напряжение с диодов, содержащее информацию о мгновенном значении сквозного тока выходного каскада, через делитель R42R36R37R43 подается на дифференциальный усилитель VT11, VT12 и преобразуется им в ток. С коллекторов VT11, VT12 ток через токовое зеркало VT7, VT9 (VT8, VT10) поступает на вход усилителя тока ошибки, уменьшая его входной ток. Поскольку в обоих плечах изменение этого тока синфазно (в отличие от тока ошибки с "параллельного" повторителя), то оно приводит к изменению сквозного тока усилителя ошибки, а следовательно, и выходного каскада, но не изменяет выходное напряжение. Таким образом, ток покоя выходного каскада стабилизируется. Цепь R38C13 предотвращает параметрическое возбуждение узла стабилизации, а также вместе с R42, R43 выполняет частотную коррекцию в петле ООС.
Подключение узла стабилизации несколько отличается от схемы рис. 2, но это не принципиально, и в усилителях различной структуры может быть реализовано по-разному. При этом, однако, необходимо учитывать, что динамические колебания температуры транзисторов ОС стабилизации (VT3, VT4 на рис. 2 и VT11, VT12 на рис. 3) также влияют на термостабильность рабочей точки выходного каскада, но смещают ее в противоположную сторону по сравнению с диодами - датчиками тока.
Диоды VD7-VD10 - защитные, они предотвращают размыкание ООС стабилизации тока покоя при переходных процессах (например, при включении питания или сильных импульсных помехах), переходящую при этом в ПОС с неуправляемым нарастанием сквозного тока в выходном каскаде. ДиодЮ9 (VD10) создает также дополнительное падение напряжения на транзисторе токового зеркала VT7 (VT8), выводя его на более линейный участок характеристики.
Конструкция и детали
Усилитель собран автором на универсальной макетной плате. Мощные транзисторы выходного каскада установлены на общем теплоотводе с тепловым сопротивлением не более 2 К/Вт через изолирующие теплопроводящие прокладки. Мощные диоды вместе с транзисторами VT11, VT12 размещены на отдельном теплоотводе, соединенном с общим проводом, с тепловым сопротивлением не более 15 К/Вт. Транзисторы лучше установить с обратной стороны пластинчатого теплоотвода, напротив диодов с наибольшим прямым напряжением (если они разных типов, как на рис. 3), т. е. в данном случае VT11 - напротив VD12, a VT12 - напротив VD13. Транзисторы VT13, VT14 установлены на небольших теплоотводах с тепловым сопротивлением 20...30 К/Вт. Их можно разместить и на теплоотводе с диодами выходного каскада, но это ухудшит статическую термостабильность тока покоя. В таком варианте тепловое сопротивление общего тепло-отвода должно быть не более 10 К/Вт.
Постоянные резисторы - метал-лопленочные, подстроечные - многооборотные. Резисторы R8-R11, R16- R18, R23, R26, R27, R32, R35 - с допуском ±1 %; их можно отобрать из обычных с допуском ±5 % или прецизионные ближайших к указанным номиналов из ряда Е96. Остальные постоянные резисторы имеют допуск ±5 %.
Оксидные конденсаторы С14, С15 - низкоимпедансные (low ESR), применяемые в импульсных блоках питания; неполярные с указанным номинальным напряжением - пленочные. Конденсаторы С2, С10, С11 желательно применить с диэлектриком из полистирола или полипропилена, остальные - керамические на напряжение 25 или 50 В с диэлектриком X7R (или групп NPO, COG для С6 С8).
Стабилитроны VD5, VD6 - прецизионные, они имеют допуск ±1 %, можно также использовать другие с допуском ±2 % (например, BZX55B) или отобрать из ряда ±5 % (BZX55C). Диоды VD7-VD10 - сверхбыстрые (ultrafast) на средний ток 1 А, с прямым напряжением 0,6...0,7 В при токе 0,1 А. Диоды выходного каскада могут быть любыми мощными диодами Шотки или сверхбыстрыми на средний ток не менее 10 А. Допустимо любое сочетание типов и числа диодов в плече; важно лишь, чтобы суммарное падение напряжения при заданном токе покоя, протекающем через них, было в пределах 0,7...0,9 В. Например, диод VD12 (VD13) можно заменить двумя MBR1045 или MBR1035, соединенными последовательно. Предпочтительнее использовать диоды на ток до 20 А и более, как имеющие больший объем кристалла, а потому способные обеспечить лучшую динамическую термостабильность.
Транзисторы ВС550С, ВС560С в "параллельном" повторителе могут быть заменены на ВС550В, ВС560В или ВС549, ВС559 с буквенными индексами С или В, а в других позициях также на ВС547, ВС557 или ВС546, ВС556 с буквенными индексами С или В. Транзисторы VT11, VT12 - маломощные высокочастотные с малой емкостью переходов, допустимым постоянным током коллектора не менее 0,1 А и напряжением коллектор- эмиттер не менее 60 В. Подойдут также 2SA1540, 2SC3955 или ВС546, ВС556 с любым буквенным индексом, в последнем случае запас устойчивости узла стабилизации несколько снизится. Транзисторы VT13, VT14 - высокочастотные средней мощности, с допустимым постоянным током коллектора не менее 1 А и напряжением коллектор- эмиттер не менее 60 В; предпочтительно использовать экземпляры с большим значением h2ia-Выходные транзисторы могут быть 2SA1302, 2SC3281, желательно группы О (с большим значением параметра h213). Комплементарные пары транзисторов всех каскадов желательно отобрать по близкому значению h213. Транзисторы "параллельного" повторителя лучше использовать из одной партии, то же относится к транзисторам токовых зеркал.
При отборе радиоэлементов можно руководствоваться рекомендациями, изложенными в [3] (№ 1, с. 18-20).
Питание УМЗЧ может быть нестаби-лизированным. Монтаж общего провода и питания выполняют по общеизвестным правилам. Отметим только, что к входной локальной "земле" отнесены элементы С1- С5, R2, VD3-VD6 и экран кабеля, соединяющего вход усилителя с регулятором громкости.
