на главную
Карта сайта
English version
Вы читаете:

УМЗЧ с улучшеной динамической термостабильностью

Аудиотехника
18 лет назад

Транзисторный УМЗЧ с повышенной динамической термостабильностью

6

Страницы:1  2 

 

   Налаживание и измерения параметров

   Перед первым включением плавкие вставки в цепях питания заменяют резисторами сопротивлением 22...33 Ом и мощностью 5 Вт, а движки подстроенных резисторов устанавливают в среднее положение (у резистора R37 - в положение максимального сопротивления). Нагрузка отключена, вход замкнут. Медленно повышая напряжение питания, контролируют потребляемый ток в обеих цепях питания; он не должен превышать 0,15 А. Доведя напряжение на конденсаторах С14, С15 до +/-18 В, проверяют указанные на схеме напряжения: на диодах VD3, VD4 должно быть по 1,5...1,7В; на стабилитронах VD5, VD6 - по 7,4...7,6 В. На выходе напряжение должно быть в пределах ±0,3 В, а токи, потребляемые от источников питания, должны быть одинаковыми. Повысив напряжение питания до +/-25 В (на С14, С15), снова проверяют указанные напряжения и потребляемый ток.

   Контролируя осциллографом выходное напряжение, убеждаются в отсутствии самовозбуждения усилителя. Затем устанавливают минимум постоянного напряжения на выходе подстроечным резистором R15. Далее выставляют ток покоя выходного каскада подстроечным резистором R37, при необходимости подбирают R36. Контролируя милливольтметром напряжение на выходе, размыкают вход и подстроечным резистором R6 устанавливают на выходе такое же напряжение, как до размыкания. Затем, вновь замкнув вход, как можно точнее минимизируют напряжение смещения на выходе резистором R15. Разомкнув вход, опять проверяют напряжение на выходе и, если потреоуется, доводят до нуля резистором R6.

   На тестовых сигналах - синусоиде и меандре частотой 1 кГц - проверяют отсутствие самовозбуждения при различных амплитудах, вплоть до ограничения. Возможны три вида самовозбуждения (например, из-за использования других типов транзисторов). Первый, как правило, связан с излишним фазовым сдвигом в петле общей ООС, что устраняется увеличением емкости конденсаторов СЮ и С11; при этом надо учитывать соответствующее снижение частоты первого полюса в петле ООС и максимальной скорости нарастания напряжения на выходе. Второй обусловлен фазовым сдвигом в петле ООС узла стабилизации тока покоя; его снижают уменьшением сопротивления резистора R38. Третий вид - параметрическое возбуждение в узле стабилизации тока покоя, хорошо заметное на выходе в отсутствие сигнала (при этом через выходной каскад протекает ток до нескольких ампер, если в цепях питания нет токоограничительных резисторов). Оно устраняется увеличением сопротивления R38. Как видно, требования к этому резистору противоречивые, поэтому (при необходимости) для определения оптимального сопротивления нужно найти его верхнюю и нижнюю границы, при которых самовозбуждение еще не возникает, и вычислить оптимальное значение как среднее арифметическое. Использовать для этой процедуры подстроечный резистор можно, если подпаивать его непосредственно к плате, без проводов, чтобы паразитные связи и индуктивности не исказили результат. Отношение найденных верхней и нижней границ должно быть более 3, чтобы обеспечить достаточный запас устойчивости. В противном случае потребуется замена транзисторов VT11, VT12 на другие типы. Иной путь - увеличение емкости конденсатора С13, но это нежелательно, поскольку снижает скорость узла стабилизации тока покоя.

   Теперь можно установить плавкие вставки и подключить эквивалент нагрузки - резистор 4 Ом на 50 Вт. Снова проверяют отсутствие самовозбуждения на тестовых сигналах.

   В последнюю очередь, если есть возможность воспользоваться спектроанали-затором, подстроечным резистором R30 минимизируют уровень второй гармоники при поданном на вход тестовом сигнале частотой 1 кГц и мощности в нагрузке 40 Вт. Если при этом появится смещение напряжения на выходе (в отсутствие сигнала), то нужно опять минимизировать его с помощью R15. В крайнем случае настройку по гармонике можно не выполнять, исключив резисторы R30, R31 и установив R26 того же номинала, что и R27.

   После настройки усилитель имеет следующие параметры.

   При входном напряжении 1 В выходная мощность на нагрузке с импедансом 4 Ом (при фазовом сдвиге до 60 град.) равна 50 Вт. Скорость нарастания выходного напряжения - не менее 100 В/мкс.

   Уровень гармонических искажений в полосе частот 10 Гц...22 кГц при выходной мощности 40 Вт на нагрузке 4 Ом - не более 0,02 %, при выходной мощности 20 Вт на нагрузке 8 Ом - не более 0,016 %.

   Уровень интермодуляционных искажений (частоты 19 и 20 кГц в соотношении амплитуд 1:1) при пиковой выходной мощности 40 Вт на нагрузке 4 Ом - 0,01 %, при пиковой выходной мощности 20 Вт на нагрузке 8 Ом - 0,008 %.

   Уровень шума, взвешенный по характеристике МЭК-А, при сопротивлении источника сигнала 0,13 и 26 кОм несколько отличается - соответственно -101, -89, -85дБн Подавление пульсаций питающего напряжения (более +/-17 В) на частоте 100 Гц - не менее 70 дБ.

   Первый полюс в петле общей ООС при сопротивлении нагрузки 4 Ом - на частоте 20 кГц. Запас устойчивости общей ООС по модулю при сопротивлении нагрузки не менее 2 Ом - более 12 дБ

   На рис. 4 и 5 показаны зависимости общего коэффициента гармоник (THD), а также коэффициентов четных (EVEN) и нечетных (ODD) гармоник от выходной мощности на частоте 1 кГц при сопротивлении нагрузки 4 и 8 Ом соответственно, на рис. 6 и 7 - то же, от частоты при выходной мощности 40 Вт на нагрузке 4 Ом и 20 Вт на нагрузке 8 Ом.

   Измерения нелинейности проведены при сопротивлении источника сигнала 13 кОм, поэтому в результатах измерений учтена также входная нелинейность (в действительности она намного меньше общей). Сопротивление источника сигнала 13 и 26 кОм соответствует среднему положению движка регулятора громкости номинальным сопротивлением 50 и 100 кОм соответственно.

   При включении и выключении напряжения питания переходный процесс в УМЗЧ незначителен, поэтому АС можно подключать без узла задержки включения. В авторской конструкции с неста-билизированным источником питания амплитуда этого процесса при включении не превышает ±40 мВ длительностью около 20 мс, а при выключении - не более ±60 мВ длительностью до нескольких секунд.

   Подавление пульсаций питающего напряжения можно увеличить, заменив параметрические стабилизаторы ма-лошумящими интегральными [3] на LM317, LM337 и установив напряжение стабилизации 7,5±0,1 В.

   Ток покоя выходного каскада выбран несколько завышенным для получения стабильно малой нелинейности и отсутствия коммутационных искажений, а также с целью уменьшения так называемых форматных искажений (ФИ). Суть ФИ заключается в немонотонной нелинейности передаточной характеристики, т. е. на разных участках характеристики она описывается различными функциями либо функция имеет разные параметры. В результате сигнал, смещаемый по передаточной характеристике колебаниями НЧ составляющей, изменяет свой спектр гармоник и интермодуляции; при изменении амплитуды сигнала огибающая гармоник не соответствует огибающей сигнала, что слух может выделять как изменения тонкой структуры звука.

   Сравнительные измерения динамической термостабильности тока покоя выходного каскада, проведенные в описанном УМЗЧ и усилителе с каскадом по схеме рис. 1, при прочих равных условиях (режимы и компоненты) показали ее улучшение в три-четыре раза Лучший результат, как отмечалось выше, можно получить, применяя более сильноточные диоды. Динамическая термостабильность определялась сравнением мгновенного значения тока покоя до и после непродолжительного (до 1 с) импульсного воздействия на выходной каскад током нагрузки.

   О снижении границы полосы пропускания

   Усилитель мощности можно использовать без разделительного конденсатора на входе, получив таким образом границу полосы пропускания от нуля герц (другая идея Е. Алёшина применительно ко всему звуковому тракту). В этом случае для улучшения стабильности нуля на выходе целесообразно использование сервоконтроля - ООС по постоянному току.


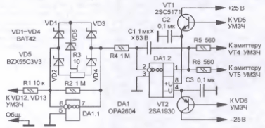
Рис. 8

   Возможная схема такого устройства в усилителе показана на рис. 8; это - вариант реализации нелинейной ООС по постоянному току [11, 12] с линейным участком возле нуля передаточной характеристики. Первый каскад на ОУ DA1.1 усиливает напряжение с выхода УМЗЧ и симметрично ограничивает его, причем для малых амплитуд сигнала каскад практически линеен. Второй - на ОУ DA1.2 - представляет собой интегратор, с выхода которого ток через резисторы R5, R6 подается в точки суммирования токов общей ООС усилителя мощности. Транзисторы VT1, VT2 формируют стабилизированное напряжение питания для ОУ (+/-6,8 В). Если в УМЗЧ установить интегральные стабилизаторы (см. выше), эти транзисторы можно исключить, подав питание на ОУ со стабилизаторов через резисторы (10 Ом, 0,125 Вт).

   ОУ могут быть любыми с полевыми транзисторами на входе, напряжением питания от +/-6,5 В, обеспечивающие выходной ток не менее 3 мА для DA1.1 и 30 мА для DA1.2. Транзисторы - любые средней мощности, с п21э больше 60. Если они в корпусе ТО-220, то теплоот-вод не нужен, а если меньшего размера, то для каждого нужен теплоотвод, способный эффективно рассеивать 0,6 Вт. Диоды Шотки - любые маломощные с минимальным прямым напряжением (менее 0,4 В при 2 мА), имеющие емкость перехода менее 100 пФ при обратном напряжении 1 В. Конденсатор С1 - пленочный (полиэтилентерефта-латный), остальные - керамические с диэлектриком X7R и номинальным напряжением 25 В (или 50). Под-строечный резистор может быть любым малогабаритным, но надежнее использовать многооборотный.

   Настройка узла нелинейной ООС по ПТ, подключенного к налаженному УМЗЧ, сводится к установке нуля на выходе усилителя при поданном на его вход тональном сигнале - синусоиде частотой 1 кГц - амплитудой на несколько вольт меньше напряжения ограничения на выходе. Точнее, нужно установить такое же напряжение, как в отсутствие сигнала (несколько милливольт). Нагрузка (эквивалент) должна быть подключена. Измерение выходного напряжения производят милливольтметром постоянного тока, подключенным к выходу через ФНЧ (R = 10 кОм, С = 1 мкФ). Тестовый сигнал не должен содержать четных гармоник более 1 %. Процесс настройки можно ускорить, временно уменьшив емкость конденсатора С1 до 0,1 мкФ.

   По имеющимся сведениям, в частности из [13], подобный узел может улучшать качество звучания записей, сделанных на аппаратуре, имеющей нижнюю границу полосы пропускания значительно выше 0,02 Гц. По-видимому, это происходит за счет "обрезки" имеющихся в записи относительно медленных паразитных смещений сигнала, возникающих в дифференцирующих цепях (например, межкаскадный конденсатор) при прохождении через них импульсного сигнала, коим является звуковая (музыкальная) информация в электронном тракте [12] - см. далее. Для этого постоянная интегрирования в каскаде на DA1.2 должна быть достаточно мала, но не настолько, чтобы заметным образом уменьшать содержание НЧ в воспроизводимом звуке при малой громкости. Для схемы на рис. 8 это соответствует емкости С1 порядка 0,1 мкФ Повторившим этот узел стоит поэкспериментировать, изменяя постоянную интегрирования при различных уровнях громкости.

   Идея "0 Гц", или точнее "почти 0 Гц", как частотная граница полосы звукового тракта от микрофона до АС, подразумевает отказ от обычно применяемых цепей, дифференцирующих низкочастотные и инфранизкочастотные сигналы, - межкаскадных конденсаторов и интеграторов в цепи ООС, которые из практических соображений имеют относительно небольшие значения постоянной времени. В результате использования таких фильтров в нестационарный сигнал (звуковой, музыкальный) вносятся линейные искажения, оказывающие негативное влияние на субъективное восприятие воспроизводимого звука.


Рис. 9

   На рис. 9 показано, как изменяется симметричный нестационарный сигнал при прохождении через шесть дифференцирующих цепей первого порядка (утолщенная линия), имеющих частоту среза на порядок ниже частоты первого периода колебаний сигнала. Экспоненциальный участок переходного процесса показан штриховой линией.

   Искажения возникают из-за создаваемого фильтром опережающего фазового сдвига в области НЧ, что приводит к "смазыванию" атаки звука [14] То есть искажается огибающая звуковых колебаний, к чему чувствительность слуха увеличивается с понижением частоты, поскольку при анализе сигнала в слуховой системе в области НЧ превалируют временные факторы. Фазовый сдвиг между гармоническими компонентами звука способен также изменить ощущение тембра [15].

   При этом происходит возрастание амплитуды сигнала, что увеличивает его динамический диапазон на несколько децибел и, соответственно, уменьшает динамический диапазон тракта на это же значение, которое тем больше, чем выше частота среза ФВЧ по отношению к частоте сигнала. В пределе увеличение амплитуды составляет +6 дБ на прямоугольном сигнале (реально оно всегда меньше)

   Другое следствие опережающего фазового сдвига влияет на качество звуковоспроизведения косвенно. Оно заключается в том, что сдвиг фазы и изменение амплитуды ИНЧ и НЧ составляющих приводит к флуктуациям средней линии сигнала относительно нуля. Пунктирной линией на рис. 9 показано "скольжение" средней линии, которого не было в исходном сигнале. Чтобы понять связь этого "скольжения" с ухудшением звучания, нужно учесть, что передаточная характеристика усилительных каскадов, особенно усилителя мощности, не только нелинейна, но, как правило, имеет немонотонную нелинейность (т. е. имеют место ФИ). Это означает, что сигнал, будучи перемещаем "скольжением" по передаточной характеристике, имеет изменяющийся спектр гармоник и интермодуляции, т. е. нелинейность по отношению к сигналу становится нестационарной. Последнее обстоятельство, по наблюдениям автора идеи Е. Алёшина, существенно ухудшает качество звучания, не позволяя слуху адаптироваться к нелинейности тракта

   Еще одно негативное следствие "скольжения" сигнала проявляется при электроакустическом преобразовании. При воспроизведении такого "скользящего" сигнала звукоизлучающей головкой возникает сдвиг спектра звука из-за эффекта Доплера. При воспроизведении реального звукового сигнала это вызывает дополнительную частотную модуляцию (детонацию) звука, что, как известно, также ухудшает субъективное качество звуковоспроизведения.

Литература:

  1. Сухов Н. УМЗЧ высокой верности. - Радио, 1989, № 6, с. 55- 57; № 7, с. 57 -61.
  2. Alexander M. A Current Feedback Audio Power Amplifier. - 88-th Convention of the AES, reprint #2902, March 1990.
  3. Агеев С. Сверхлинейный УМЗЧ с глубокой ООС. - Радио, 1999, №10-12; 2000, №1,2,4-6.
  4. Алешин Е. Способ стабилизации рабочего режима в электронных устройствах. Patent WO 02/47253.
  5. Стабилизация тока покоя выходного каскада. - .
  6. Агеев А. "Параллельный" усилитель в УМЗЧ. - Радио, 1985, № 8, с. 26- 29.
  7. Лихницкий А. М. Причины слышимых различий в качестве звукопередачи усилителей звуковой частоты. -
  8. Memory Distortion. - .
  9. Кулиш. М. Линеаризация каскадов усиления напряжения без ООС. - Радио, 2005, №12, с. 16-19.
  10. Шкритек П. Справочное руководство по звукотехнике. - М.:Мир, 1991, с. 211, 212.
  11. Алёшин Е. Способ улучшения качества работы звукового тракта (Patent WO 02/43339). - Заявка на изобретение №2000129797 (РФ).
  12. Алёшин Е. Способ улучшения качества работы звукового тракта. Заявка на изобретение. - .
  13. Изобретения Алёшина. О восстановлении ВПС... -
  14. Искажение атаки звукового сигнала дифференцирующими цепями. - .
  15. Алдошина И. Основы психоакустики. Гл. 14. Тембр. -

Автор:  Д. ОСТРОВСКИЙ, г. Брест, Белоруссия

Страницы:1  2 

Рекомендуем к данному материалу ...

Мнения читателей
  • tcheslav/16.01.2019 - 00:08

    Ребятам,которые смогли добраться до последнего комммента-не ведитесь!Есть такая категория нервнобольных-"тихие шизики".То есть по всем канонам психопатологии врачи просто вынуждены писать-"не представляетопасности для окружающих",а на самом деле именно такие люди стано-вятся во главе разнообразных сект и самыми хитрыми и изобретательнымиманьяками.Это очень четко показано в современном сериале"Спарта".

  • Сергей/03.06.2014 - 13:32

    Вот и время пришло поставить на той выставке, что просто можно было купить в простом магазинчике недалеко от какого ни будь порта. Даже в восточной Германии всю бумагу истратили печатая схемки в технических журналах на том принципе... По поводу ламп один из читателей сильно не прав. Транзисторам - транзисторное...Лампам - ламповое.. Всем места достаточно.

  • Александр/08.07.2013 - 14:23

    И все же, этот усилитель даже не конкурент УМЗЧ ВВ Сухова.

  • Дмитрий/20.01.2008 - 19:15

    "очень нужна схема дорожек УМЗЧ"Так напишите автору, мыло есть на 0hz.nm.ruНа графиках Кг перепутаны четные и нечетные гармоники.

  • Андрей/26.11.2007 - 14:05

    очень нужна схема дорожек УМЗЧ

  • Realsoundmaster/11.11.2007 - 04:55

    Ага Дима вытащил на свет схемку 3 летней давности. Интересно, а что дальше макетки не пошло? В целом опыт положителен, конечно, но как в том фильме: пока Вы тут обезъян разглядываете - лось уйдет. Лампа умерла, это ясно, тем более при мощностях выше 100 вт. Представить не могу HI-END УМЗЧ с мощностью эдак ватт 300 - жуть, каждый канал с походольника. Конечно схема перегружена,согласен, надо сразу с входа уходить на диффиренциальный тракт, но не в такой кривой реализации, как в данном усилике, это позволит на пару порядков снизить все типы искажений. И второе - если во входной каскад ввести аналогичную термо-ПОС, будет сами догадаетесь что... В принципе идея сквозной термостабилизации уже реализована 2 года назад мной, отсылаю на свой сайт: www.realsoundmaster.narod.ru