Тема устройств, предназначенных для зарядки аккумуляторов и их батарей, практически неисчерпаема. На страницах журнала неоднократно публиковались описания множества их самых разных конструкций. Автор предлагает ещё две, собранные из готовых модулей, приобретённых в Интернет-магазинах, что значительно упростило и ускорило их изготовление.
Основа предлагаемых зарядных устройств - готовый модуль преобразователя входного нестабилизированного постоянного напряжения в стабилизированное, построенный на микросхеме LM2596 [1, синтаксис оригинала сохранён]. Фотоснимок этого модуля, среди функций которого есть и зарядка аккумулятора, показан на рис. 1. Максимальный ток его нагрузки - 3 А, выходное напряжение - регулируемое от 1,25 до 28 В. Заранееуста-новленные пороговые значения напряжения и тока нагрузки модуля в процессе зарядки не превышаются.

Рис. 1. Модуль преобразователя входного нестабилизированного постоянного напряжения в стабилизированное, построенный на микросхеме LM2596
Благодаря тому что этот преобразователь импульсный, а в качестве блока его питания применён доработанный "электронный трансформатор", оба предлагаемых зарядных устройства имеют небольшие габариты и массу.
Первое из них предназначено для зарядки литий-ионных и свинцово-кислотных, в том числе гелевых, аккумуляторов и батарей небольшой ёмкости (далее - батарей). Я собрал его в корпусе от зарядного устройства для шуруповёрта (рис. 2). Оно обеспечивает начальный ток зарядки, значение которого в амперах равно 0,1...0,2 C, где С - численное значение ёмкости батареи в ампер-часах. Когда напряжение на зажимах батареи достигает 14,4...14,6 В, устройство переходит в режим зарядки с ограничением по напряжению. Назовём его режимом дозарядки. В нём батарея достигает своей полной ёмкости.

Рис. 2. Корпус от зарядного устройства для шуруповёрта
Второе зарядное устройство предназначено для автомобильных стартёрных аккумуляторных батарей. Оно выгодно отличается от многих других тем, что автоматически заряжает батарею до её полной ёмкости. В начале зарядки через батарею течёт ток, гораздо больший максимального для упомянутого выше модуля, что уменьшает продолжительность зарядки.
Понятно, что в этом варианте для охлаждения микросхемы требуется большой теплоотвод, значит, и корпус зарядного устройства должен быть больше. Отлично подходит корпус блока питания компьютера с уже имеющимися в нём вентилятором и сетевым фильтром.
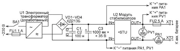
Схема первого варианта зарядного устройства изображена на рис. 3. Она настолько проста, что подробно описывать её не требуется, всё и так понятно. Переменное напряжение повышенной частоты поступает с выхода электронного трансформатора U1 на выпрямительный мост из диодов КД213Б (VD1 - VD4), способных работать на этой частоте. Керамические конденсаторы C1 и C2 подавляют очень короткие импульсные помехи. Причём именно с двумя отдельными конденсаторами удалось добиться практически полного их исчезновения. Затем выпрямленное и отфильтрованное напряжение поступает на модуль U2.

Рис. 3. Схема первого варианта зарядного устройства
Естественно, в полноценном зарядном устройстве нельзя обойтись без вольтметра и амперметра. Для увеличения их информативности и уменьшения габаритов применены цифровые электронные приборы. Напряжение питания вольтметра PV1 поступает с плюсового зажима заряжаемой батареи. Это сделано для того, чтобы при соединении выключенного зарядного устройства с батареей вольтметр получил от неё питание и показал, во-первых, что батарея подключена в правильной полярности и, во-вторых, напряжение батареи, по которому можно судить о её состоянии. Напряжение питания амперметра взято с входа модуля U2, что обеспечивает индикацию включения зарядного устройства в сеть.
Никакой специальной защиты от неправильного подключения батареи я делать не стал, чтобы не увеличивать габариты устройства. Поэтому подключать её следует только к выключенному зарядному устройству, обращая особое внимание на правильную полярность. Поскольку на выходе модуля U2 имеется мощный диод Шоттки, включённый в обратном направлении, при неправильной полярности батареи должна перегореть плавкая вставка FU2. Что будет при неправильном подключении батареи к включённому зарядному устройству, я сказать не могу, поскольку такой эксперимент проводить не стал.
Как уже было сказано, в зарядном устройстве применён доработанный электронный трансформатор мощностью 80 Вт (U1). Его транзисторам теплоотводы не требуются. Но нужно домотать вторичную обмотку его внутреннего силового трансформатора, чтобы получить требуемое выходное напряжение. Число витков этой обмотки зависит от того, на какое напряжение будет рассчитано зарядное устройство. Максимально допустимое входное напряжение модуля U2 - 35 В.
Следует также заменить в электронном трансформаторе обратную связь по току обратной связью по напряжению, чтобы он мог работать при небольшой нагрузке. Подробно такая замена описана в [2] и [3]. Сделав её, включите электронный трансформатор в сеть и измерьте напряжение на его выходе без нагрузки. Если оно отсутствует, измените направление намотки дополнительных витков на одном из внутренних трансформаторов. После этой переделки электронный трансформатор уверенно запускается даже без нагрузки и перестаёт бояться короткого замыкания на выходе, что неоспоримое достоинство.
Отличие предлагаемой замены обратной связи по току обратной связью по напряжению от описанной в [2] и [3] - число витков дополнительной обмотки обратной связи III на внутреннем силовом трансформаторе T2 (см. рис. 2 в [3]). Ранее предлагалось делать на нём два витка, поэтому на резисторе Roc (см. рис. 2 в [3]) рассеивалась довольно большая мощность. Но эксперименты показали, что число этих витков можно уменьшить. Соответственно уменьшится и мощность, рассеиваемая на резисторе Roc. Теперь эта обмотка имеет всего один виток, а резистор применён с мощностью рассеяния всего 0,125 Вт. Причём это никак не повлияло ни на запуск электронного трансформатора без нагрузки, ни на допустимый ток его нагрузки.
Как уже было сказано, необходимо добавить несколько витков в обмотку II трансформатора T2. Эти добавочные витки нужно наматывать не обмоточным, а обычным изолированным многожильным монтажным проводом с сечением по меди не менее 1,0...1,5 мм2. Их число зависит от того, на какое максимальное выходное напряжение будет рассчитано зарядное устройство. Методика расчёта числа витков вторичной обмотки подробно описана в [3] на с. 39.
В завершение доработки необходимо параллельно выходу имеющегося в электронном трансформаторе высоковольтного выпрямительного моста подключить в нужной полярности оксидный конденсатор ёмкостью 10...50 мкФ на 400 В. Можно использовать несколько конденсаторов из неисправных КЛЛ, соединив их параллельно.
На плате модуля U2 имеются три подстроечных резистора и три светодиода. Подстроечным резистором "CV", находящимся на рис. 1 справа, устанавливают нужное выходное напряжение модуля. Подстроечным резистором "СС", находящимся слева, устанавливают порог ограничения выходного тока (0...3 А). Средний подстроечный резистор "CH" предназначен для установки напряжения включения индикатора зарядки. Но в рассматриваемых зарядных устройствах эта функция модуля не используется.
Светодиод "СС", сигнализирующий о срабатывании ограничителя выходного тока, расположен рядом с контактной площадкой "OUT+". Светодиод "ОК", находящийся рядом с контактной площадкой "OUT-", светится, когда на вход модуля подано напряжение. Между ними расположен светодиод "CH" - индикатор превышения выходным напряжением значения, заданного одноимённым подстроечным резистором. Из сказанного понятно, что модуль U2 можно настроить на зарядку практически любого аккумулятора или их батареи.
К сожалению, микросхема LM2596 этого модуля не имеет полноценного теплоотвода. Её металлизированная нижняя поверхность просто припаяна к медной фольге на печатной плате. Для улучшения теплоотвода под микросхемой в плате имеется множество металлизированных отверстий, соединяющих слои фольги на обеих её сторонах. Однако эксперименты показали, что для длительной работы микросхемы при токе нагрузи более 1 А этого явно недостаточно.
Чтобы понизить температуру корпуса при большом токе нагрузки, микросхему необходимо установить на теплоотвод. Но отпаять её от платы обычным паяльником не получится, для этого нужна паяльная станция. Если её нет, выполнить эту операцию может любая фирма, занимающаяся ремонтом компьютеров или сотовых телефонов.
С днища выпаянной микросхемы удалите мелким плоским напильником остатки припоя, мешающие хорошему тепловому контакту микросхемы с новым теплоотводом. Поскольку она не имеет крепёжного фланца с отверстием для крепления, прижимать её к теплоотводу придётся с помощью двух винтов и специально сделанной металлической накладки. Подходящий ребристый теплоотвод можно найти на старой материнской плате компьютера. Именно такие я применил в обеих описываемых конструкциях.
Поскольку стабилизатор LM2596 импульсный и работает на частоте около 150 кГц, провода, соединяющие микросхему с платой модуля U2, должны быть как можно короче. Например, два имеющихся у меня экземпляра этой микросхемы категорически отказывались работать уже при длине соединительных проводов 3...4 см. После нескольких проб я остановился на другом варианте. Выводы микросхемы удлинил отрезками выводов старых транзисторов серий МП25, МП26, МП38-МП42, которые изготовлены из сплава, хорошо проводящего электричество, но плохо проводящего тепло. Можно, конечно, использовать обычный одножильный монтажный провод, но тогда высока вероятность, что во время пайки к контактной площадке платы он отпаяется от вывода микросхемы.
Ещё одна доработка модуля U2 - перенос установленных на его плате подстроечных резисторов на переднюю панель зарядного устройства. В этом случае длина соединительных проводов никакого значения не имеет. Можно перенести на переднюю панель и светодиоды, разместив их рядом с соответствующими подстроечными резисторами. Подстроечный резистор "CH" и одноимённый светодиод можно оставить на плате. В рассматриваемых конструкциях они не используются. Фотоснимок переделанного стабилизатора с теплоотводом приведён на рис. 4.

Рис. 4. Переделанный стабилизатор с теплоотводом
Необходимо учесть, что выводы модуля стабилизатора "IN-" и "OUT-" соединять между собой нельзя, хотя сопротивление между ними практически равно нулю. Дело в том, что между ними в модуле включён резистор датчика тока сопротивлением около 0,015 Ом.
Вместо диодов КД213Б можно использовать диоды той же серии и серии 2Д213 или другие выпрямительные диоды на повышенную частоту, а также диоды Шоттки. Все они должны иметь допустимое обратное напряжение не менее 30 В и максимальный выпрямленный ток не менее 10 А. Диоды КД213Б и аналогичные желательно снабдить хотя бы небольшими теплоотводами. Диодам Шоттки, имеющим значительно меньшее прямое падение напряжения, теплоотводы, как правило, не нужны. Прекрасно подходят выпрямительные диодные сборки из неисправных блоков питания компьютеров. Я применял без теплоотводов сборку SBL3040 с допустимым обратным напряжением 40 В и допустимым прямым током 30 А.
Конденсаторы C1 и C2 - керамические любого типа. Оксидный конденсатор C3 должен иметь низкое ЭПС, поскольку работает на повышенной частоте. В отсутствие прибора для измерения этого параметра проверьте температуру конденсатора C3 через 20.30 мин работы устройства под полной нагрузкой. Если она заметно повысилась, лучше заменить его другим. При наличии свободного места вместо одного конденсатора C3 лучше применить два вдвое меньшей ёмкости, соединив их параллельно.
Вольтметр PV1 и амперметр PA1 - электронные цифровые. Они тоже приобретены в Интернет-магазине. Размеры, форма символов и цвет свечения их индикаторов могут быть любыми. Желательно, чтобы вольтметр при измерении напряжения 99,9 В и менее отображал на индикаторе десятые доли вольта. Амперметр пригоден с пределами измерения тока до 5 А или до 10 А. Можно, конечно, применить и стрелочные приборы.
Изготовленное зарядное устройство первоначально включите в сеть, не присоединив к нему подлежащую зарядке батарею. По вольтметру PV1 установите необходимое конечное напряжение зарядки. Затем, соединив выходные зажимы XT1 и XT2 между собой, по показаниям амперметра PA1 установите порог ограничения зарядного тока.
Как уже было сказано, защиты от подключения батареи в неправильной полярности устройство не имеет. Поэтому, повторюсь, подключать батарею следует только к выключенному зарядному устройству, обращая особое внимание на полярность. И лишь убедившись, что вольтметр PV1 заработал и показал напряжение батареи, включать устройство в сеть.
При работе даже с глубоко разряженной батареей её зарядный ток не превысит установленного при описанной выше регулировке значения. По мере зарядки батареи напряжение на ней станет повышаться, а зарядный ток понижаться. Когда она полностью зарядится (напряжение достигнет установленного при регулировке), зарядный ток станет равным нулю. Естественно, речь идёт об исправной батарее.
Описанным устройством можно заряжать и свинцово-кислотные автомобильные аккумуляторные батареи, но в зависимости от ёмкости батареи и степени её разряженности это может занять длительное время. Учитывая небольшой допустимый ток зарядки (всего 3А), это устройство подходит в основном для дозарядки автомобильных батарей до их полной ёмкости.
Как известно, практически все автоматические зарядные устройства настраивают на прекращение зарядки при напряжении на зажимах батареи 14,2...14,4 В. Так, например, написано в статье [4]. Но при этом батарея заряжается примерно на 80 %, оставаясь недозаряженной. Поэтому после зарядки до этого напряжения ей необходим этап дозарядки. Это мало кто делает, хотя регулярная зарядка до полной ёмкости существенно продлевает срок службы свинцово-кислотной батареи. На этом этапе необходимо ограничить выходное напряжение зарядного устройства до 13,8 В. При таком напряжении батарея сама определит, какой ток ей нужен. Причём по мере зарядки ток будет уменьшаться, пока полностью не прекратится. Это означает, что батарея заряжена на 100 %.
Не забывайте, что всё сказанное справедливо только для исправной батареи, не присоединённой к электрической системе автомобиля. Данные о зависимости процента зарядки аккумуляторной батареи от напряжения на её зажимах взяты из [5].
Для зарядки именно автомобильных батарей разработан ещё один вариант зарядного устройства на тех же самых модулях. В нём зарядка происходит в два этапа. Первый - основная зарядка с ограничением зарядного тока сверху, второй - дозарядка, описанная выше.
На первом этапе оно подаёт на батарею повышенное напряжение, минуя ограничитель тока. Он ограничен лишь свойствами электронного трансформатора. По достижении 80 % заряда, когда напряжение на батарее достигнет 14,4...14,6 В, срабатывает компаратор и подключает батарею к выходу модуля стабилизатора, который настроен на напряжение 13,8 В.
Этот принцип зарядки автомобильной батареи взят из статьи [5]. Процитирую её: "Алгоритм зарядки состоит из трёх этапов. На первом этапе, когда батарея частично или полностью разряжена, допустимо проводить зарядку относительно большим током, достигающим 0,1...0,2 С. Однако зарядный ток должен быть ограничен сверху указанным значением. По мере накопления заряда возрастает напряжение на зажимах батареи. Это напряжение должно быть под контролем. В момент достижения уровня 14,4...14,6 В первый этап завершён. На втором этапе необходимо поддерживать постоянным достигнутое напряжение и контролировать зарядный ток, который будет снижаться. В момент, когда батарея наберёт не менее 80 % заряда и зарядный ток упадёт до 0,02 С, необходимо перейти к третьему, заключительному этапу - уменьшить напряжение и поддерживать его на уровне не выше 13,8 В. Зарядный ток, снижаясь, достигнет значения 0,002...0,001 С и стабилизируется на этом уровне. Такой ток для батареи не опасен: считается, что он компенсирует саморазрядку, а поддерживаемый уровень напряжения не допустит перезарядки. В таком режиме батарея может находиться неограниченное время без вреда для себя".
Экспериментальная зарядка нескольких экземпляров автомобильных батарей с ограничением по напряжению до 13,8 В подтвердила, что при полностью заряженной батарее зарядный ток становится близким к нулю. Именно такой результат эксперимента и ожидался. Сложно представить, что у исправной батареи ёмкостью 55 А·ч ток саморазрядки был бы 55...110 мА.
Для упрощения зарядного устройства было решено второй этап (зарядку при постоянном напряжении) пропустить и сразу переходить к третьему этапу - уменьшить напряжение и под-держиватьего не выше 13,8 В. Конечно, такое упрощение несколько увеличивает общую продолжительность зарядки.
Схема второго варианта зарядного устройства изображена на рис. 5. В начале зарядки оно даёт большой зарядный ток, а когда напряжение на зажимах батареи достигнет 14,4...14,6 В, переходит в режим зарядки с ограничением по напряжению. В нём батарея дозаря-жается до своей полной ёмкости. Переключение между режимами обеспечивает компаратор на параллельном стабилизаторе DA1, симисторе VS1 и реле K1. Компаратор настроен на срабатывание при напряжении 14,4...14,6 В.

Рис. 5. Схема второго варианта зарядного устройства
Чтобы исключить возможность повреждения модуля U2 при неправильном подключении батареи даже к выключенному зарядному устройству, этот вариант снабжён простейшей, но довольно эффективной защитой. Кроме плавкой вставки FU2, в нём имеются реле K2 и диод VD6. Когда к выходным зажимам XT 1 и XT2 ничего не подключено либо подключена батарея в неправильной полярности, реле K2 не срабатывает и не соединяет контактами K2.1 плюсовой зажим XT1 с выходом собственно зарядного устройства. О неправильной полярности сигнализирует светодиод HL1 красного свечения. Диоды VD5 и VD7 устраняют выбросы ЭДС самоиндукции на обмотках реле.
При правильном соединении выключенного зарядного устройства с исправной батареей, напряжение на которой не менее 8 В, реле K2 сработает и своими контактами K2.1 замкнёт цепь зарядки. При этом включатся амперметр PA1 и вольтметр PV1, а также вентилятор М1. Вольтметр покажет напряжение батареи. После этого зарядное устройство можно включить в сеть.
В начале зарядки батарея через нормально замкнутые контакты K1.1 напрямую подключена к выходу электронного трансформатора U1. Последний имеет падающую нагрузочную характеристику, поэтому не может выдать в нагрузку ток больше определённого значения. В случае превышения этого значения напряжение на выходе электронного трансформатора понижается, соответственно уменьшается и ток нагрузки.
Число витков вторичной обмотки силового трансформатора электронного трансформатора должно быть подобрано так, чтобы при номинальном (230 В) напряжении в питающей сети ток зарядки находился в середине интервала 0,1...0,2 С.
Если батарея полностью или частично разряжена, напряжение на её зажимах ниже 14,4...14,6 В. При этом компаратор, настроенный именно на это напряжение, не срабатывает, и обмотка реле K1 остаётся обесточенной. По мере зарядки батареи зарядный ток уменьшается, а напряжение на её зажимах растёт. По достижения 14,4...14,6 В срабатывают компаратор и реле K1, вследствие чего контакты K1.1 отключают батарею от выхода электронного трансформатора U1 и подключают её к выходу модуля U2, настроенного на выходное напряжение 13,8 В и ток 2,9...3 А. Этим зарядное устройство переводится из режима предварительной зарядки в режим дозарядки батареи.
Основной элемент компаратора - параллельный стабилизатор напряжения TL431ACZT (отечественный аналог - КР142ЕН19). Он обладает хорошими пороговыми свойствами, высокой точностью и стабильностью порога срабатывания, а также хорошей термостабильностью. Но даже введение положительной обратной связи через резистор R3 не позволило добиться чёткого переключения, поскольку напряжение на батарее растёт слишком медленно. И только применение в качестве ключа, управляющего реле K1, симистора, а не транзистора, позволило обеспечить чёткое срабатывание этого реле. Как только напряжение на батарее достигает заданного значения, симистор VS1 открывается и больше уже не закрывается до выключения питания.
Применён именно симистор, потому что он, в отличие от тиристора, открывается отрицательным относительно электрода 1 напряжением на управляющем электроде. Это позволило создать компаратор с минимумом деталей и отличными характеристиками.
Как и в первом варианте, питание вольтметра и амперметра поступает с разных точек. Напряжение питания вольтметра PV1 - непосредственно с выхода электронного трансформатора U1, чтобы вольтметр мог работать, когда к зарядному устройству не подключена батарея. Напряжение питания амперметра PV1 поступает с обмотки реле защиты K2. Это значит, что амперметр не заработает, пока аккумулятор не будет подключён правильно. Понятно, что отсутствие свечения индикатора амперметра будет свидетельствовать либо о неправильной полярности подключённой батареи (в этом случае будет светиться светодиод HL1), либо она подключена правильно, но её напряжение слишком мало, что свидетельствует о том, что батарея очень глубоко разряжена либо неисправна. Естественно, в такой ситуации реле K2 не сработает и не подключит батарею к зарядному устройству, чтобы не повредить его.
Приступая к изготовлению второго варианта зарядного устройства, необходимо решить, какой максимальный ток при заданном напряжении оно должно обеспечивать. От этого зависит число витков вторичной обмотки трансформатора T2 в электронном трансформаторе.
Эксперименты показали, что крутизна спада нагрузочной характеристики электронного трансформатора в основном зависит от его мощности и диаметра провода, которым намотана вторичная обмотка. На этот параметр влияет и ёмкость оксидного конденсатора, подключённого в электронном трансформаторе к выходу высоковольтного выпрямительного моста. Чем больше мощность трансформатора, диаметр провода и ёмкость оксидного конденсатора, тем более пологой будет нагрузочная характеристика. Значит, тем большие напряжение и ток будут на выходе выпрямительного моста VD1-VD4 при одном и том же сопротивлении нагрузки.
Приблизительно ток зарядки первого этапа устанавливают, подбирая число витков вторичной обмотки трансформатора T1. В некоторых пределах его можно корректировать, изменяя ёмкость упомянутого выше оксидного конденсатора. Довольно точно подобрать её можно, соединяя параллельно несколько конденсаторов разной ёмкости, взятых из неисправных балластов КЛЛ. Но сильно увлекаться увеличением ёмкости не стоит, потому что при этом возрастает вероятность перегорания плавкой вставки FU1 от броска зарядного тока. Иногда даже выходят из строя диоды высоковольтного выпрямителя.
О доработке электронного трансформатора рассказано при описании первого варианта зарядного устройства. Но поскольку во втором варианте этот трансформатор должен обеспечивать больший выходной ток, его транзисторы необходимо снабдить небольшими теплоотводами с площадью охлаждающей поверхности 5...10 см2. Вторичную обмотку нужно доматывать более толстым проводом с сечением "по меди" не менее 2...3 мм2.
Как и в первом варианте, число витков определяют по методике, приведённой в [3]. Обмотка должна быть рассчитана на напряжение 16...18 В. В отличие от первого варианта, число её витков придётся уточнять экспериментально при налаживании зарядного устройства. Поскольку сматывать лишние витки легче, чем доматывать недостающие, лучше намотать их немного больше, чем рассчитано.
Модуль U2 доработан точно так же, как в первом варианте. Рекомендации по выбору диодов VD1-VD4 тоже остались прежними. Но без теплоотводов они обойтись уже не смогут. Поскольку эти теплоотводы обдувает вентилятор M1, их размеры могут быть небольшими. Для каждого диода КД213Б достаточно пластины размерами 50x80 мм.
Из диодов и пластин я собрал "сэндвич", показанный на рис. 6. Внешние пластины отводят тепло от диодов, соединённых катодами. Они, как известно, у диодов КД213Б соединены с металлическими теплоотводящими поверхностями их корпусов. Это позволило упростить изготовление "сэндвича" и не применять изолирующие прокладки для головок стягивающих его винтов и гаек. Отверстия для стягивающих винтов в трёх внутренних пластинах делают немного большего диаметра, чтобы на эти винты можно было надеть изолирующие трубки, окрашенные на рис. 6 в красный цвет.

Рис. 6. "Сэндвич", собранный из диодов и пластин
Поскольку второй вариант зарядного устройства предназначен для зарядки именно автомобильных аккумуляторных батарей, имеющих почти одинаковые параметры, регулировать его в процессе эксплуатации, вероятно, не потребуется. Поэтому подстроечные резисторы из платы модуля U2 можно не выпаивать и не выносить их на переднюю панель.
Симистор MAC97A6 может быть заменён на MAZ00607. Диоды 1 N4007 взяты из балластов неисправных КЛЛ. Их можно заменить любыми выпрямительными диодами, например, серий КД102, КД105, КД209, и даже диодами Д226Б. Подстроечный резистор R2 лучше применить многооборотный СП5-2 или СП5-14. Точно установить напряжение срабатывания компаратора обычным подстроечным резистором очень сложно. Светодиод L-502URC можно заменить любым красного свечения, желательно повышенной яркости.
Реле K1 и K2 - автомобильные с обмотками на 12 В, контакты которых выдерживают ток 20 А и более. Такие реле можно приобрести в любом магазине автозапчастей. Реле K1 обязательно должно быть пятивыводным (с контактами на переключение). Реле K2 может быть и четырёхвыводным (с нормально разомкнутыми контактами). Характеристики отечественных автомобильных реле можно найти в [6].
Как уже было сказано, это зарядное устройство собрано в корпусе от блока питания компьютера. В качестве M1 применён вентилятор, который там установлен. Использован и имеющийся в блоке входной сетевой фильтр. На схеме рис. 5 он не показан.
Приступая к доработке электронного трансформатора, прежде всего, необходимо подобрать точное число витков вторичной обмотки его силового трансформатора. Для этого к выходу диодного моста VD1-VD4 подключите мощный реостат сопротивлением 5...10 Ом, чтобы можно было плавно регулировать ток нагрузки электронного трансформатора. Последовательно с реостатом включите амперметр, а параллельно реостату - вольтметр.
Движок реостата установите в положение максимального сопротивления и включите электронный трансформатор в сеть. Наблюдая за выходным током и напряжением, уменьшайте сопротивление реостата. Необходимо, чтобы при напряжении на реостате 14,4...14,6 В ток через него был равен 0,1 С. Если ток больше, отмотайте один виток и вновь проведите измерение. Если же он меньше, виток необходимо домотать.
Намного удобнее вместо реостата применить электронную нагрузку, описанную, например, в [7] и [8]. Она уже имеет встроенный амперметр и вольтметр и должна работать в режиме нагрузочного резистора.
Налаживание компаратора сводится к установке напряжения его срабатывания. Для этого движок подстроечного резистора R2 установите в нижнее по схеме положение. К выходу зарядного устройства подключите реостат или электронную нагрузку и уменьшайте их сопротивление до тех пор, пока напряжение не станет равным 14,4...14,6 В. Здесь важно учесть, что это напряжение нужно контролировать вольтметром, подключённым непосредственно к нагрузке, а не по собственному вольтметру зарядного устройства PV1.
Это необходимо, чтобы исключить погрешность, которую вносят провода, соединяющие выход зарядного устройства с батареей. Дело в том, что при токе порядка нескольких ампер падение напряжения на этих проводах может быть довольно существенным и достигать 0,2...1 В (в зависимости от их сечения и длины). Понятно, что провода, соединяющие зарядное устройство с батареей, должны быть как можно короче и иметь как можно большее сечение. Тогда показания вольтметра PV1 будут близки к реальному напряжению на батарее.
Установив указанное выше напряжение, перемещайте движок подстроечного резистора R2 до срабатывания реле K1. Оставьте его в этом положении.
Далее включите зарядное устройство в сеть без подключённой к нему батареи. Сразу же сработает реле K1, поскольку напряжение холостого хода электронного трансформатора выше 14.4...14.6 В. Вольтметр покажет напряжение, на которое настроен модуль U2. Установите его равным 13,8 В. Естественно, реле K2 без батареи не сработает, поэтому и амперметр РА1 работать не будет ввиду отсутствия напряжения питания. Поэтому для регулировки ограничителя тока нужно использовать внешний амперметр с пределом измерения не менее 5 А.
Плюсовой вывод амперметра соедините с выводом "OUT+" модуля U2, а минусовый вывод - с выходным зажимом XT2. Подстрочным резистором "CC" модуля U2 установите показания амперметра 2,9...3 А.
Приступая к работе с зарядным устройством, не включайте его в сеть, а сначала подключите к нему, соблюдая полярность, подлежащую зарядке батарею. Если она исправна и не разряжена до напряжения менее 8 В, реле K2 сработает и своими контактами подключит батарею к зарядному устройству. При этом включатся вентилятор М1 и амперметр РА1, а вольтметр PV1 покажет напряжение батареи. Затем включите зарядное устройство в сеть.
Если батарея разряжена лишь частично, то напряжение на её зажимах - менее 14,4...14,6 В. В этом случае компаратор не сработает, а обмотка реле K1 останется обесточенной. Начнётся первый этап зарядки. Зарядный ток будет ограничен электронным трансформатором на уровне, установленном при его налаживании. По мере зарядки батареи напряжение на её зажимах станет повышаться, а зарядный ток падать. Когда батарея зарядится примерно до 80 %, напряжение на её зажимах достигнет 14.4...14.6 В. Сработает компаратор, поэтому реле K1 подключит батарею к выходу модуля U2, настроенного на напряжение 13,8 В и ограничение тока на уровне 2,9...3 А. Начнётся этап дозарядки. С течением времени зарядный ток будет постепенно снижаться и при исправной батарее уменьшится до нуля. В таком состоянии батарея может находиться сколь угодно долго, даже будучи подключённой к зарядному устройству. Ничего плохого с ней не произойдёт.
В случае подключения к зарядному устройству малоразряженной батареи при включении зарядного устройства в сеть напряжение на её зажимах станет выше 14,4...14,6 В. Компаратор немедленно сработает, и зарядка сразу начнётся со второго режима.
Как уже было сказано, при подключении к зарядному устройству глубоко разряженной (либо неисправной) батареи, напряжение которой менее напряжения срабатывания реле K2, ничего не произойдёт, поскольку это реле не сработает и не замкнёт цепь зарядки.
Если батарея исправна, но очень сильно разряжена, можно попытаться восстановить её, пропустив первый режим и начав зарядку со второго режима. Для этого батарею (внимательно следя за полярностью!) необходимо соединить с уже включённым зарядным устройством. Зарядка начнётся при токе 2,9...3 А. Если батарея исправна, через некоторое время напряжение на её зажимах, а с ним и показания вольтметра PV1 начнут повышаться.
Когда напряжение батареи достигнет 9...10 В, можно начать её нормальную зарядку. Предварительно нужно отключить зарядное устройство от сети и понаблюдать за показаниями вольтметра. Если напряжение батареи не упало ниже 8 В (это приблизительное напряжение срабатывания реле K2), отключите её от зарядного устройства, а затем снова подключите к нему, на этот раз выключенному. После этого включите зарядное устройство в сеть. Зарядка продолжится с первого этапа.
Не стоит забывать, что применённая защита предохраняет зарядное устройство от неправильной полярности подключения батареи только к выключенному устройству (до срабатывания реле K2). Если батарея уже подключена и зарядка началась, отключать и вновь подключать её к зарядному устройству допустимо только в правильной полярности.
Повторяю, если в этом случае перепутать полярность, есть вероятность того, что модуль U2 выйдет из строя раньше, чем сгорит плавкая вставка FU2. А вот короткого замыкания на выходе зарядное устройство не боится, поскольку при отключении батареи немедленно переходит в режим с ограничением тока.
В качестве рекомендации по совершенствованию описанной конструкции можно предложить подключить вентилятор охлаждения М1 не просто параллельно обмотке защитного реле K2, а через автомат включения вентилятора обдува, подобный описанному в статье [9]. Его датчик температуры нужно закрепить на теплоотводе диодного моста, нагревающегося больше остальных деталей, в соответствии с рекомендациями, приведёнными в указанной статье.
Литература
1. LM2596 светодиодный драйвер DC-DC понижающий Регулируемая CC/CV Питание модуль. - URL: https://ru.aliexpress.com/ item/33001803603.html?spm=a2g0o.detail. 1000015.1. 1 2d93ee94yPEjY&scm = 1007. 14452.136271.0&scm_id = 1007.14452.13 6271.0&scm-url = 1 007.14452.136271. 0&pvid = b7570d99-2714-4541-afac-bbdcb1107d53&s=p (07.10.2019).
2. Дымов А. Приставка - регулятор для паяльника. - Радио, 2017, №1, с. 29-31; № 2, с. 28-30.
3. Карпачев А. Освещение помещений последовательно соединёнными светодиодными лампами. - Радио, 2018, № 10, с. 37-40.
4. Костицин В. Автоматическое устройство для зарядки свинцово-кислотных аккумуляторных батарей. - Радио, 2008, № 3, с. 42.
5. Голов С. Автоматическое зарядное устройство для свинцово-кислотной аккумуляторной батареи. - Радио, 2004, № 12, с. 29-31.
6. Банников В. Малогабаритные автомобильные электромагнитные реле. - Радио, 1994, №9, с. 42; № 10, с. 41.
7. Карпачев А. Амперметр - датчик тока в электронной нагрузке. - Радио, 2017, № 9, с. 25-27.
8. Карпачев А. Доработка электронной нагрузки. - Радио, 2018, № 12, с. 16, 17.
9. Нечаев И. Автомат включения вентилятора обдува. - Радио, 2001, № 6, с. 60.
Автор: А. Карпачев, г. Железногорск Курской обл.
