Переменное напряжение вторичных обмоток 3-4 и 5-6 трансформатора Т2 через клеммную колодку XT1 поступает на клеммную колодку XT2 импульсного двухканального регулятора зарядного тока, схема которого показана на рис. 4. Это напряжение выпрямляется двухполупериодным выпрямителем на диодных сборках VD10, VD11, сглаживающий фильтр составляют компоненты L1, C9-C14. Выходное постоянное напряжение после фильтра составляет 18...20 В, и для электропитания узлов управления напряжением 9 В используется понижающий преобразователь А1.

Рис. 4. Схема импульсного двухканального регулятора зарядного тока
Оба канала регулятора зарядного тока управляются сигналами ШИМ-генератора микроконтроллера с постоянной частотой 15625 Гц и изменяемой скважностью ШИМ через резисторы R20, R21. Эти сигналы управляют транзисторными ключами VT8, VT9. Резистивные делители R16-R19 ограничивают напряжение управления полевыми транзисторами VT6, VT7. Когда транзисторы VT8, VT9 открыты, падение напряжения на резисторах R16, R17 через диоды VD12, VD13 открывает силовые транзисторы VT6, VT7. Токи стоков транзисторов через дроссели L2, L3 заряжают накопительные конденсаторы фильтра C15-C22, C25-C28.
При закрывании транзисторов VT8, VT9 открываются транзисторы VT4, VT5, которые форсированно закрывают транзисторы VT6, VT7. Энергия магнитного поля, накопленная магнитопроводами дросселей L2, L3, через диодные сборки VD14, VD15 продолжает поддерживать ток зарядки конденсаторов фильтра.
Резисторы R22-R24, R26 используются для измерения зарядного тока. Падение напряжения на этих резисторах через помехоподавляющие фильтры R25C23 и R27C24 поступает на измерительные входы АЦП микроконтроллера. Диодные сборки VD16, VD17 предназначены для защиты от обратных токов заряжаемых аккумуляторов, которые подключаются к соответствующим разъёмам. Для подключения электронных нагрузок предназначены разъёмы XP1, XP2. Эти нагрузки возьмут на себя зарядный ток регулятора зарядного тока в случаях пропадания электрического контакта с аккумулятором и предотвратят выброс напряжения на их выходах.

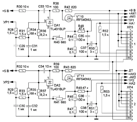
Рис. 5. Схема регулятора разрядного тока
В отличие от импульсного регулятора зарядного тока, в котором транзисторы VT6, VT7 рассеивают относительно малую мощность, регулятор разрядного тока (рис. 5) выполняет свою функцию на постоянном токе и соответственно рассеивает большую мощность. Поэтому силовые полевые транзисторы VT10, VT11 размещены на теплоотводе. Управление этими транзисторами осуществляется ШИМ-регуляторами микроконтроллера с частотой 62500 Гц. Разница в управлении разрядного тока от зарядного в том, что ШИМ зарядного тока работает от нулевого уровня, а разрядного тока - от уровня 5 В.
Через два независимых канала ШИМ-сигнал с неизменной частотой и изменяемой скважностью поступает на ФНЧ R28C29R31C31 и R29C30R33C32. Постоянная составляющая напряжения с ФНЧ через резисторы R34, R35 поступает на вход регуляторов тока, выполненных на микросхемах DA1, DA2, которые, управляя токами через резисторы R38, R39, R42, R43, воздействуют на затворы транзисторов VT10, VT11. Обратная связь стабилизатора тока осуществляется с токоизмерительных резисторов R44-R47 через резисторы R36, R37, R40, R41 на управляющие входы (вывод 3) микросхем DA1, DA2. Устойчивость усилителей во всём диапазоне регулировки тока разрядки осуществляется обратной связью через конденсаторы C33, C34. Резисторами R40, R41 устанавливаются начальные токи регуляторов тока разрядки.
Стоки транзисторов VT10, VT11 через разъёмы XP3, XP4 подключены непосредственно к разряжаемому аккумулятору, а к истокам подключены токоизмерительные резисторы R44-R47. Падение напряжения на них через помехоподавляющие фильтры R48C35 и R49C36 поступает на измерительные входы АЦП микроконтроллера. Делители на резисторах R50-R53 предназначены для ограничения напряжения аккумуляторов при их измерении и совместно с конденсаторами C37, C38 образуют помехоподавляющие фильтры напряжения, поступающего на измерительные входы микроконтроллера. Последовательно с резисторами делителей R52, R53 через разъёмы XP3, XP4 в адаптерах включены дополнительные резисторы для деления напряжения конкретных типов аккумуляторов.
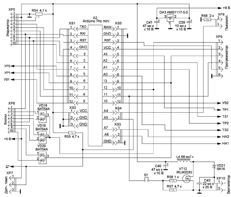
Схема узла управления показана на рис. 6. Для управления всеми процессами обслуживания аккумуляторов используется модуль Arduino Pro mini с микроконтроллером ATmega328P, который подключается к основной плате с помощью разъёмов (рис. 7). Выбор обусловлен конструктивным удобством адаптации к любым устройствам, а кроме того, в микроконтроллере ATmega328P имеется интерфейс debugWIRE, который весьма важен для отладки программ и к тому же не занимает отдельных линий и без того дефицитных портов.

Рис. 6. Схема узла управления

Рис. 7. Микроконтроллер ATmega328P
Ограниченное число портов микроконтроллера компенсируется их двойной функцией. Часть портов, предназначенных для связи с LCD-дисплеем, который подключается к разъёму XP5, используется для опроса кнопок управления, которые подключаются к разъёму XP6. Данные опроса кнопок управления после шифратора на диодных сборках VD18-VD20 поступают на линии портов, которые будут использованы для программирования микроконтроллера. После программирования эти порты освобождаются и будут использоваться по своему новому назначению. Ещё один освободившийся порт после программирования используется для управления вентилятором для охлаждения теплоотвода. При этом пришлось использовать перемычку S1, чтобы отключать регулятор управления вентилятором на время программирования.
Для обмена данными с датчиками температуры используется однопроводная шина 1-Wire с нагрузочным резистором R55. Шина подключена к выводу 2 разъёма XP7 для подключения датчика температуры теплоотвода, и далее шина соединена с контактами 7 разъёмов XP3, XP4 для обмена данными с датчиками температуры адаптеров. Для электропитания датчиков температуры, а также платы Arduino, LCD-дисплея и регулятора мощности охлаждающего вентилятора используется стабилизатор DA3 напряжением 5 В. В качестве входного напряжения стабилизатора используется напряжение около 9 В от преобразователя A1.
Для регулятора мощности вентилятора используется повышающий преобразователь напряжения с частотой 62500 Гц на основе транзистора VT12 и дросселя L4. Изменением скважности напряжение на разъёме XP10, к которому подключается вентилятор охлаждения теплоотвода, может изменяться от 5 В до 13,5 В. К разъёму XP8 подключается пьезоизлучатель звуковых сигналов, через разъём XP9 осуществляется загрузка программы в микроконтроллер по интерфейсу SPI. Подстроечный резистор R54 используется для регулировки контрастности изображения LCD-дисплея.

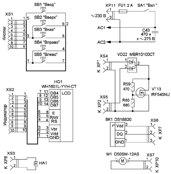
Рис. 8. Схемы подключаемых к основной плате отдельных узлов

Рис. 9. Схемы адаптеров для различных типов аккумуляторов
На схеме рис. 8 показаны схемы подключаемых к основной плате отдельных узлов. Это кнопки управления, LCD-дисплей, пьезоизлучатель звуковых сигналов, сетевой фильтр, электронная нагрузка, датчик температуры теплоотвода и вентилятор охлаждения. На рис. 9 показаны схемы адаптеров для различных типов аккумуляторов. Схемы адаптеров в основном идентичны, но нужно обратить внимание на различие в сопротивлении резисторов R61-R64, которые входят в делитель напряжения в зависимости от напряжения обслуживаемого аккумулятора. Функция датчиков температуры - отслеживать текущую температуру аккумулятора, диоды VD23-VD26 защищают измерительные входы АЦП микроконтроллера при извлечении аккумулятора.
Продолжение следует
Автор: А. Дымов, г. Оренбург
