Охрана транспортного средства является весьма актуальной проблемой, несмотря на большое количество предлагаемых на рынке противоугонных устройств. Срабатывание звуковой сигнализации на автомобиле не дает хозяину практически никаких преимуществ по сравнению с автомобилями без сигнализации: окружающие люди обычно не реагируют на вой сирены, а хозяин находится достаточно далеко. Выходом является использование радиоканала и передача тревожного сигнала хозяину без лишнего шума. Преимущество такого способа сигнализации в том, что угонщик не подозревает о передатчике в автомобиле, и существует возможность с помощью направленной антенны найти угнанную машину. Для приема сигнала охранной системы можно использовать переделанный пейджер, который с повсеместным распространением "мобильников" все больше превращается в лежащую без дела игрушку.
Для охраны автомобилей выделена частота 26945 кГц. Но для того чтобы была возможность распознать конкретный передатчик, необходимо кодировать радиосигнал. Микросхемы, используемые в данной конструкции: МС145026 - кодер и МС145028 - декодер. Они позволяют сформировать 19683 различные комбинации при использовании только одной рабочей частоты внутреннего генератора микросхемы. При изменении частоты генератора, количество кодовых комбинаций увеличивается.
Пейджер представляет собой приемник с декодером импульсной последовательности, на котором перемычками устанавливается присущий вашему автомобилю код, и звуковой сигнализатор, включающийся при совпадении этого кода с полученным от передатчика. Передатчик в автомобиле включается в рабочий режим датчиком качания. Он передает частотно-модулированную импульсную последовательность. При срабатывании датчика передатчик включается на несколько секунд. Если "воздействие" на автомобиль прекращается, передатчик выключается.
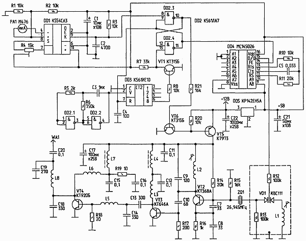
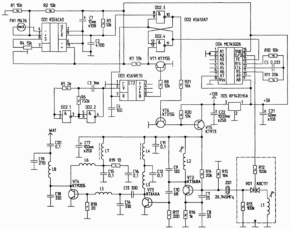
Схема передатчика изображена на рис.1. На микросхеме DD1 и микроамперметре РА1 собран датчик качания. При изменении положения кузова, а следовательно, и микроамперметра, на выходе компаратора появляются отрицательные импульсы, устанавливающие RS-триггер на элементах DD2.3, DD2.4 в состояние, при котором на выводе 10 DD2.3 - высокий уровень. Он открывает транзисторы VT5 и VT6. Через VT5 подается питание на передатчик, и он включается. Напряжение логического "0" с вывода 11 DD2.4 поступает на разрешающий вход кодера DD4, а также на вход R счетчика DD3. До этого счетчик был постоянно сброшен в ноль логической "1" на входе R. Теперь он считает импульсы с генератора на DD2.1, DD2.2. Когда на выводе 6 DD3 появляется "1", открывается транзистор VT1 и возвращает RS-триггер и счетчик в первоначальное (дежурное) состояние.

Рис.1. Принципиальная схема передатчика
Если воздействие на датчик к этому времени прекратилось, система остается в этом состоянии сколь угодно долго, а если нет, то RS-триггер вновь переключается импульсами с выхода компаратора DD1, и передатчик опять заработает.
Конденсатор С4 необходим для начального сброса счетчика и перевода RS-триггера в дежурный режим. Кодовые посылки с кодера DD4 поступают на частотный модулятор передатчика на элементах VD1, L1, L2, VT2, R12...R16, С7, С8, а затем на усилитель ВЧ на VT3, VT4, R17...R19, С9...С20, L3...L8.
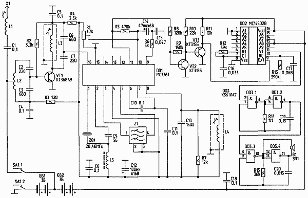
Схема приемника показана на рис.2. Его высокочастотная часть аналогична описанной в [3]. Цепь АРУ в данной схеме не нужна, поэтому усилитель микросхемы DD1 работает в режиме компаратора, рабочая точка которого устанавливается подстроечным резистором R1 по минимуму высокочастотных шумов. С выхода DD1 сигнал поступает на формирователь логического уровня на транзисторах VT2 и VT3. Кодовая последовательность декодируется микросхемой DD2, и при совпадении кодовых посылок на выводе 11 DD2 появляется логическая "1". Этим уровнем запускается генератор на микросхеме DD3, и звучит тревожный сигнал.
Кодовые комбинации устанавливаются изменением уровней на адресных входах DD2. Микросхемы кодера и декодера воспринимают три состояния: логические "0" и "1" и неподключенный адресный вход. Адреса должны быть установлены идентично как в кодере, так и в декодере, а также должна быть установлена одинаковая частота внутренних генераторов.
Налаживание системы сигнализации начинают с передатчика. Движок резистора R4 (рис.1) устанавливают в такое положение, при котором на выходе 9 компаратора DD1 высокий уровень, но при легком постукивании по микроамперметру на выходе DD1 появляются отрицательные импульсы. Далее, отключив от резистора R12 вывод 15 DD4, подключают к нему генератор ЗЧ. Изменяя индуктивности катушек, добиваются максимального усиления УВЧ.
Затем устанавливают рабочую точку микросхемы DD1 приемника резистором R1 (рис.2) и настраивают контура приемника генератором качающейся частоты [3]. Для проверки правильности декодирования кода, выход 15 DD4 передатчика соединяют с входом 9 DD2 приемника, предварительно отключив его от формирователя логического уровня (VT3). При нормальной работе сигнализации срабатывание датчика качания вызывает появление на выходе 11 DD2 логической "1" и звука в пьезоизлучателе В1. Далее восстанавливают все соединения и отлаживают приемник совместно с передатчиком, принимая сигнал по радиоканалу.

Рис.2. Принципиальная схема приемника
В устройстве применены электролитические конденсаторы типа К50-35, неполярные - КМ. ТКЕ конденсаторов С5 (передатчика), С15, С16, С17 (приемника) должен быть минимален, можно использовать К73-17. Резисторы - типа МЛТ. Микроамперметр типа М476 датчика качания немного дорабатывают. На стрелке закрепляют грузик, так чтобы при опущенной вниз шкале прибора стрелка была в ее центре.
Моточные данные катушек передатчика приведены в табл.1, приемника - в табл.2.
| Позиционное обозначение | Диаметр каркаса, мм | Количество витков | Сердечник | Провод | Примечание |
|---|---|---|---|---|---|
| L1 | 4,2 | 10 | МП100 | ПЭВ d0,31 | |
| L2 | 4,2 | 6 | МП100 | ПЭВ d0,25 | |
| L3 | 4,0 | 9 | ПЭВ d0,31 | ||
| L4 | ДПМ1-0.6- 10мкГн | ||||
| L5 | 6,0 | 3 | ПЭВ d0,8 | ||
| L6 | 4,0 | 15 | ПЭВ d0,31 | ||
| L7 | ДПМ1-0.6 -8мкГн | ||||
| L8 | 8,0 | 8 | ПЭВ d0,8 |
| Позиционное обозначение | Диаметр каркаса, мм | Количество витков | Сердечник | Провод | Примечание |
|---|---|---|---|---|---|
| L1 | 3,0 | 10 | ПЭВ-1 d0,35 | ||
| L2 | 3,0 | 15 | ПЭВ-1 d0,56 | Отвод от 6 витка снизу | |
| L3 | 4,2 | 6 | МП100 | ПЭВ-1 d0,35 | |
| L4 | 4,2 | 145 | МП100 | ПЭВ-1 d0,1 | |
| L5 | 2,8 | 19 | от ДПМ3 | ПЭВ-1 d0,35 |
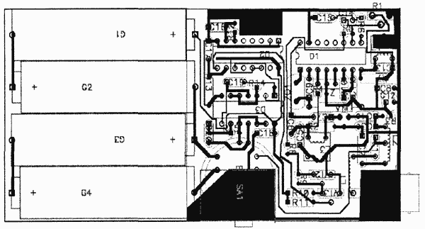
Печатная плата передатчика изготовлена из двустороннего фольгированного стеклотекстолита размерами 64x94 мм. Ее чертеж приведен на рис.3. Плата приемника размерами 59x60 мм показана на рис.4. Со стороны деталей отверстия зенкуются, кроме мест соединения деталей с общим проводом, в этих местах детали паяются с обеих сторон.

Рис.3. Печатная плата передатчика

Рис.4. Печатная плата приемника
Источники
- В.Брускин. Зарубежные микросхемы связных радиоприемников. - Радиолюбитель, 1999, N1 С. 14.
- В.Жигачев, А.Паремский. Кодирующие и декодирующие устройства на основе БИС фирмы MOTOROLA. - Радиолюбитель 1994, N6, С.62.
- Г.Минаков, М.Федотов, Д.Травинов. Радиостанция "КОЛИБРИ". - Радио, 1999, N1, С.59.
Автор: С.АБРАМОВ, г.Оренбург. E-mail: asmoren@mail.ru
