В резервной Li-Ion батарее аккумуляторов NEOLINE, предназначенной для аварийного запуска автомобильного двигателя, вышла из строя плата узла управления, индикации уровня зарядки и питания USB-устройств, а собственно батарея с защитным контроллером осталась исправной. Выяснилось, что зарядку батареи можно осуществлять через выходные контакты, для чего было разработано новое зарядное устройство.
В качестве основы зарядного устройства использован преобразователь напряжения AC/DC 220/24 В, 1,5 А, приобретённый в АлиЭкспрессе, маркировка на плате преобразователя и на его трансформаторе - XPJ-02D. Преобразователь собран весьма добротно - на входе установлены предохранитель, варистор, помехоподавляющий фильтр, во вторичной цепи предусмотрена RC-цепь, шунтирующая выпрямительный диод Шоттки, П-образный LC-фильтр, стабилизация выходного напряжения производится с помощью "регулируемого стабилитрона" TL431.
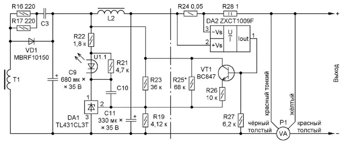
В журнале "Радио" ранее было описано, как обеспечивать в импульсных преобразователях напряжения режим ограничения тока, если в них есть точка, которую можно считать входом подстройки и на которую можно подавать уменьшающий выходное напряжение втекающий ток [1]. Схема доработки источника приведена на рис. 1, показаны только его вторичные цепи.

Рис. 1. Схема доработки источника
На схеме слева от вертикальной штрих-пунктирной линии - элементы импульсного источника питания. Микросхема DA2, транзистор VT1 и связанные с ними детали - дополнительные элементы, обеспечивающие переход источника в режим ограничения тока; Р1 - вольтметр-амперметр, позволяющий следить за зарядкой батареи. Напряжение на полностью заряженной батарее устройства составляло 16,8 В, что соответствует четырём последовательно соединённым Li-Ion аккумуляторам. Для исключения перезарядки аккумуляторной батареи напряжение на выходе преобразователя снижено до указанного значения установкой резистора R25 (нумерация добавляемых элементов продолжает существующую). Измеренная с помощью прибора [2, 3] ёмкость батареи оказалась равной 5 А·ч.
Точкой входа подстройки, как и в [1], является управляющий вход микросхемы DA1 (вывод 2), однако непосредственное подключение эмиттера транзистора токоизмерительной цепи, аналогичной применённой в [1] (резистор R24, микросхема DA2, транзистор VT1), к этой точке привело к крайне неустойчивой работе устройства из-за очень высокого усиления в цепи обратной связи. Стабильной работы удалось добиться установкой резистора R26 в эмиттерную цепь транзистора VT1 и резистора R28 в выходную цепь устройства. Их сопротивления являются компромиссом между поддержанием тока, изменяющегося в процессе зарядки батареи, и стабильностью работы устройства.
В качестве токоизмерительного шунта R24 используются два резистора для поверхностного монтажа типоразмера 1206 сопротивлением 0,1 Ом, соединённые параллельно. Резистор R28 составлен из двух последовательно соединённых резисторов С5-16В сопротивлением 0,51 Ом и мощностью 1 Вт. Цифровой вольтметр-амперметр Р1 - трёхразрядный, приобретён в АлиЭкспрессе, его тонкий чёрный провод никуда подключать не надо.

Рис. 2. Схематический чертёж установки элементов и перемычек на плате
Детали, используемые для доработки, кроме резистора R28, установлены на печатной плате размерами 10,5x20,5 мм, приобретённой там же. На плате, на расстоянии 7,62 мм друг от друга, сделаны два ряда по восемь металлизированных отверстий с шагом 2,54 мм и пара контактов для элементов, предназначенных для поверхностного монтажа. На рис. 2 приведён схематический чертёж установки элементов и перемычек на плате (для R24 отведено два посадочных места), а на рис. 3 - фотография платы с установленными элементами и перемычками.

Рис. 3. Плата с установленными элементами и перемычками
Плата с деталями крепится к плате преобразователя тремя отрезками медного провода диаметром 0,5 мм (соединения с минусовым выводом конденсатора С11, резистором R22, выводом 2 микросхемы DA1). Соединение с плюсовым выводом конденсатора С11 выполнено тонким гибким изолированным проводом.

Рис. 4. Внешний вид устройства в сборе
Устройство собрано в пластмассовом корпусе с габаритными размерами 140x82x38 мм (рис. 4). Для подключения проводов к штыревым контактам преобразователя использованы укороченные гнёзда от разъёма 2РМ под штыри диаметром 1,5 мм. Для подключения к заряжаемой батарее применены штыревые контакты от соединителя 2РМ диаметром 2 мм. Для облегчения теплового режима в боковых стенках корпуса просверлены 24 отверстия диаметром 8 мм.
Налаживание устройства заключается в подборке резистора R25 (его подпаивают к плюсовому выводу конденсатора С9 и точке соединения резисторов R19 и R23 на плате преобразователя) для обеспечения выходного напряжения преобразователя на холостом ходу 16,8 В. Это напряжение следует измерять с погрешностью не более 0,5 %. Также подборкой резистора R24 необходимо установить выходной ток в пределах 1,1...1,2 А при выходном напряжении 14 В. Если ток меньше, при установленном на плату резисторе R24 следует подобрать на длинных проводниках обычный резистор, подключаемый параллельно ему для обеспечения необходимого тока, а затем впаять резистор для поверхностного монтажа ближайшего номинала на место с противоположной стороны платы. А если ток больше, следует установить резистор R24 большего сопротивления.

Рис. 5. Зависимость выходного напряжения зарядного устройства от тока зарядки
На рис. 5 показана экспериментально снятая зависимость выходного напряжения изготовленного зарядного устройства от тока зарядки. Таким образом, при подключении к зарядному устройству разряженной до 11 В батареи (минимально допустимое напряжение для такой батареи) зарядный ток вначале равен 1,5 А, по мере зарядки и повышении напряжения на нём до 15,8 В ток уменьшается примерно до 0,9 А. Далее, при повышении напряжения на заряжаемой батарее ток снижается довольно быстро, и при приближении к полной зарядке (напряжение 16,8 В) защитная плата батареи прекращает зарядку.
Цифровой вольтметр-амперметр Р1 позволяет следить за процессом зарядки. Не включая зарядное устройство в сеть, прибор Р1 можно также использовать как вольтметр для контроля степени зарядки аккумулятора, подключив его к выходу зарядного устройства.
Перед использованием батареи необходимо снять с её обратной стороны тонкую декоративную накладку, отвинтить заднюю крышку и расстыковать разъём, через который батарея с защитным контроллером подключается к плате узла управления.
Литература
1.Бирюков С. Зарядное устройство ... из кубиков. - Радио, 2021, № 12, с. 13, 14.
2.Бирюков С. Универсальный эквивалент нагрузки. - Радио, 2022, № 4, с. 12- 15.
3.Бирюков С. Усовершенствование эквивалента нагрузки. - Радио, 2022, № 6, с. 31,32.
Автор: С. Бирюков, г. Москва
