Одной из популярных моделей Волжского автозавода является LADA KALINA, ранее в статье [1] было подробно рассмотрено устройство и диагностика ЭСУД этого автомобиля. В конце 2013 года с конвейера сошел автомобиль LADA KALINA 2, оснащенный 1,6-литровым бензиновым двигателем, обеспечивающим нормы токсичности Euro-4. Двигатель может комплектоваться как 5-ступенчатой механической, так и 4-ступенчатой автоматической коробками передач, последняя - фирмы Jatco.
У этой модели были изменены некоторые элементы интерьера и экстерьера, технические стороны автомобиля, в том числе и элементы электрооборудования. Автор рассматривает особенности электронной системы управления двигателем (ЭСУД) и автоматической коробки передач (АКП).
Устройство и работа ЭСУД с контроллером М74 автомобиля LADA KALINA 2
ЭСУД состоит из электронного блока управления (контроллера), датчиков, обеспечивающих считывание параметров работы двигателя автомобиля и исполнительных устройств. Контроллер представляет собой электронный блок управления (ЭБУ), работающий под управлением ИМС микроконтроллера. Контроллер получает и обрабатывает информацию от датчиков, а затем формирует сигналы управления исполнительными устройствами ЭСУД.
Также контроллер взаимодействует с иммобилизатором (блок защиты от несанкционированного запуска двигателя) и имеет встроенную систему диагностики ЭСУД. Если системой обнаружена ошибка, ее код записывается в память ЭБУ (в регистр ошибок) и индицируется с помощью контрольной лампы на щитке приборов. В дальнейшем коды ошибок можно считать из памяти с помощью диагностического оборудования.
Особенностью ЭСУД автомобиля LADA KALINA 2 является применение в нем цифрового интерфейса CAN, по которому происходит обмен данными между контроллером и остальными элементами системы, в том числе, с приборной панелью и АКП. Шина CAN позволяет достаточно просто установить на автомобиль современные электронные охранные системы, имеющие подобный интерфейс.
После включения замка зажигания и главного реле контроллер активируется в рабочий режим, и включаются все электронные узлы в составе ЭБУ. Для работы различных датчиков и исполнительных механизмов контроллер формирует опорные постоянные напряжения 5 и 12 В.
Система зажигания автомобиля построена по стандартной схеме: сигнал положения коленчатого вала формируется при помощи задающего диска, установленного на коленчатый вал, и датчика положения коленчатого вала, который установлен в непосредственной близости от задающего диска на корпусе двигателя.
Полученный сигнал подается на контроллер, который после обработки сигналов, полученных от различных датчиков, коммутирует ток в первичных обмотках катушек зажигания.
На рис. 1 показана упрощенная схема системы зажигания автомобиля LADA KALINA 2.

Рис. 1. Упрощенная схема системы зажигания автомобиля LADA KALINA 2
ЭБУ работает под управлением 16-разрядного микроконтроллера типа SAK-XC2765X фирмы Infineon с тактовой частотой 80 МГц. В состав микроконтроллера входят АЦП, ОЗУ, Flash-память, стабилизаторы напряжений,контроллер CAN-шины и другие узлы.
На рис. 2 показана блок-схема микроконтроллера SAK-XC2765X.

Рис. 2. Блок-схема микроконтроллера SAK-XC2765X
В состав ЭБУ также входят ИМС и электронные ключи, управляющие работой исполнительных элементов ЭСУД. Рассмотрим ИМС, которые наиболее часто выходят из строя, и познакомимся с их работой в составе системы зажигания автомобиля.
Дроссельный патрубок с электроприводом
Дроссельный патрубок с электроприводом дозирует количество воздуха, поступающего во впускную трубу. Дозирование воздуха реализуется с помощью дроссельной заслонки с электроприводом, управляемым контроллером.
Электродвигателем дроссельного патрубка управляет ИМС драйвера типа TLE8209-2SA фирмы Infineon. В состав этой микросхемы входят драйвер двигателя управления дроссельной заслонкой, схема защиты от короткого замыкания в нагрузке, ее обрыва, замыкания на "массу" или бортовую сеть автомобиля. ИМС управляется микроконтроллером ЭБУ по цифровой шине. На рис. 3 показан фрагмент схемы подключения микросхемы типа TLE8209-2SA к контроллеру.

Рис. 3. Фрагмент подключения микросхемы типа TLE8209-2SA
Отказы дроссельного патрубка (коды ошибок Р1335, Р1336)
После включения зажигания и до момента отключения главного реле ЭБУ контролирует положение дроссельной заслонки. Положение дроссельной заслонки рассчитывается в зависимости от оборотов двигателя, температуры двигателя, положения педали акселератора и т. д.
Код ошибки Р1335 может быть вызван сбоем (неисправностью) микроконтроллера, микросхемы драйвера двигателя TLE8209-2SA и самого двигателя управления дроссельной заслонкой, а также при ошибках программного обеспечения (ПО).
При возникновении кода ошибки Р1336 проверяют работу датчиков положения дроссельной заслонки, которые находятся в дроссельном патрубке.
Отказ микросхемы драйвера двигателя управления дроссельной заслонкой зачастую связан с отказом двигателя или его цепей.
Исполнительные устройства ЭСУД

Рис. 4. Фрагмент схемы подключения исполнительных устройств ЭСУД к драйверу TLE6240G
На рис. 4 приведен фрагмент схемы подключения исполнительных устройств ЭСУД к многофункциональному драйверу типа TLE6240G, входящему в состав ЭБУ. В состав ИМС входят 16 силовых ключей, цифровой управляющий интерфейс и узел диагностики неисправностей исполнительных устройств. Через этот драйвер управляются следующие элементы ЭСУД:
- система топливоподачи (электробензонасос (ЭБН), форсунки, реле ЭБН);
- клапан продувки адсорбера;
- реле стартера;
- главное реле;
- реле вентилятора охлаждения;
- реле компрессора кондиционера;
- нагреватели датчиков кислорода;
- контрольная лампа диагностики;
- тахометр и индикатор расхода топлива.
При включении зажигания контроллер включает на несколько секунд ЭБН, при этом создается необходимое давление в топливной рампе (до 650 кПа). Форсунки установлены одной частью своей конструкции в топливную рампу, а другой - в отверстие впускной трубы. Конструктивно форсунка представляет собой обычный электромагнитный клапан.
Неисправности исполнительных устройств системы зажигания условно можно разделить на отказы механической части системы топливоподачи и отказы электронной части, в том числе, и самой микросхемы TLE6240G.
Коды неисправностей исполнительной системы ЭСУД:
Р0130 - датчик кислорода до катализатора неисправен.
Проверяют сигнал управления нагревателем (возможно замыкание выходного сигнала на цепь управления нагревателем) и выходное напряжение на прогретом датчике - его уровень должен быть в пределах 0,5...1,5 В.
Контрольная лампа диагностики работы ЭСУД при неисправном датчике загорается, как правило, после нескольких поездок.
Р0136 - датчик кислорода после катализатора неисправен.
Проверяют сигнал управления нагревом датчика кислорода и выходное напряжение на прогретом датчике - его уровень должен быть в пределах 590...750 мВ.
Р0201, Р0202, Р0203, Р0204 - неисправность топливных форсунок и их цепей.
При возникновении такой неисправности контрольная лампа диагностики работы ЭСУД загорается через несколько секунд после запуска двигателя.
Проверяют общее состояние жгута электропроводки между колодкой топливной рампы и контроллером, измеряют сопротивление обмотки неисправной форсунки - оно должно быть в пределах 10...15 Ом.
Р0217 - температура двигателя выше допустимой.
Проверяют работу реле электровентилятора и его цепи, наличия напряжения на контроллере управления реле электровентилятора. Также следствием данной неисправности может быть выход из строя датчика температуры охлаждающей жидкости или её низкий уровень.
Р0441, Р0443, Р0444 - неисправность системы улавливания паров бензина, неверный расход воздуха через клапан продувки адсорбера.
Подобная неисправность может быть вызвана отказом клапана продувки адсорбера (открытие происходит при повышенном коэффициенте продувки - более 70%), засорением или потерей герметичности шлангов, соединяющих адсорбер с двигателем, а также отсутствием сигнала управления с ЭБУ.
Схема управления модулем зажигания
Автомобиль LADA KALINA 2 может комплектоваться как 16-клапанным двигателем с распределенным зажиганием (1-3-4-2 цилиндр), так и 8-клапанным двигателем с попарным включением цилиндров (1/4 и 2/3). В зависимости от типа двигателя контроллеры различаются аппаратной и программной частями. На рис. 5 показана плата контроллера М74, предназначенного для управления 8-клапанным двигателем.

Рис. 5. Электронная плата контроллера М74 для работы в составе 8-клапанного двигателя
Сформированные сигналы управления модулем зажигания подаются с контроллера на ИМС типа 74AHC14PW (6 триггеров Шмитта, совместимых по входам с уровнями ТТЛ логики), а с ее выходов прямоугольные импульсы управляют высоковольтными ключами на основе составных МОП транзисторов типа STGD18N40LZT4.
На рис. 6 показан фрагмент электрической принципиальной схемы управления работой модуля зажигания.

Рис. 6. Фрагмент электрической принципиальной схемы управления модулем зажигания
Коды неисправностей системы зажигания
При проведении работ по определению и устранению неисправностей в цепях управления системой искрообразования ЭСУД предварительно необходимо проверить наличие напряжения питания + 12 В на модуле зажигания, исправность высоковольтных проводов и свечей зажигания, отсутствие обрывов в цепях управления модулем зажигания, исправность контроллера.
Р2301, Р2304 - отсоединяют колодку от жгута модуля зажигания и проверяют цепи колодки на предмет замыкания с бортовой сетью и кузовом автомобиля;
Р0351, Р0352 - проверяют модуль зажигания (заменой).
Одной из часто встречающихся неисправностей в системе искро-образования ЭСУД автомобиля является негерметичность корпуса ЭБУ, что приводит к попаданию влаги на элементы цепей управления модулем зажигания. Кроме того, встречаются отказы самого модуля зажигания или одной из катушек зажигания, установленных на каждый цилиндр (для 16-клапанного двигателя).
Отметим, что во время работы ЭСУД контроллер производит постоянный мониторинг тока катушек в модуле зажигания. В случае превышения порогового уровня тока фиксируется код неисправности с одновременным зажиганием контрольной лампы диагностики на панели приборов.
Общая методика диагностики неисправностей ЭСУД автомобиля
После проведения визуального осмотра предполагаемого места повреждения цепей ЭСУД проверяют электрические цепи на наличие замыканий или обрывов при помощи омметра и вольтметра. Нарушение целостности контактных соединений электрических цепей может быть вызвано следующими причинами:
- некачественное соединение колодки жгута;
- окисление, загрязнение и коррозия контактных соединений;
- повреждение провода с нарушением его целостности или изоляции.
Проверку целостности цепей следует производить после отключения клеммы "массы" от аккумуляторной батареи автомобиля, визуальной проверки состояния контактов колодок жгута.
Разъединяют соединительные колодки с одной и с другой частями электрического жгута и при помощи омметра измеряют сопротивление цепи между колодками, оно должно составлять не более 1 Ом.
Проверку замыкания электрических цепей на "массу" или на бортовую сеть автомобиля также следует начинать с отключения соединительных колодок жгута с обеих сторон электрической цепи.
При помощи специализированного пробника или вольтметра, включенного между "плюсом" аккумуляторной батареи и проверяемой электрической цепью, проверяют ее на предмет замыкания на "массу". Если пробник срабатывает или появятся показания на вольтметре, значит проверяемая электрическая цепь замкнута на бортовую сеть.
Аналогично проверяют электрическую цепь на замыкание с бортовой сетью, но при этом "плюсовая" клемма аккумуляторной батареи остается подключенной, плюсовой контакт вольтметра или пробника подключают к проверяемой цепи, а другой контакт - к "массе" кузова.
Проверку работы ЭБУ следует начинать с его внешнего осмотра на предмет целостности и подключения колодок. Затем проверяют цепи и узлы, обеспечивающие работу контроллера: наличие питающих напряжений, исправность иммобилайзера и электронной сигнализации (если она установлена), исправность датчика положения коленчатого вала, целостность плавких предохранителей, наличие требуемого напряжения бортовой сети в момент работы стартера (должно быть не ниже 9,5 В). После этого сканируют неисправности с помощью специализированного диагностического оборудования.
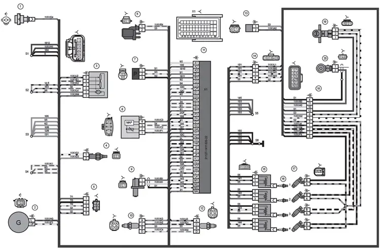
В автомобиле LADA KALINA 2 ЭБУ размещен под панелью приборов и закреплен на корпусе отопителя. В таблице 1 показано назначение контактов контроллера М74 (11186-1411020-21/22), а на рис. 7 показана схема ЭСУД автомобиля LADA KALINA 2.
Рис. 7. Схема ЭСУД автомобиля LADA KALINA 2, где: 1 - датчик контрольной лампы давления масла; 2 - генератор; 3 - дроссельный патрубок с электроприводом; 4 - датчик температуры охлаждающей жидкости; 5 - колодка жгута проводов системы зажигания к колодке жгута проводов панели приборов; 6 - электромагнитный клапан продувки адсорбера: 7 - датчик давления системы кондиционирования воздуха; 8 - датчик давления и температуры воздуха; 9 - датчик положения коленчатого вала; 10 - датчик концентрации кислорода; 11 - контроллер; 12 - датчик концентрации кислорода диагностический; 13 - клапан регулируемого впуска; 14 - колодки жгута проводов системы зажигания и жгута проводов катушек зажигания; 15 - катушки зажигания; 16 - свечи зажигания: 17 - форсунки; 18 - колодки жгута проводов системы зажигания и жгута проводов форсунок; 19 - датчик фаз; 20 - датчик детонации (по щелчку - крупно)
Таблица 1. Назначение контактов ЭБУ М74 (11186-1411020-21/22)
Контакт | Сигнал | Описание |
Разъем Х1 | ||
А1 | Вход сигнала датчика положения коленчатого вала (контакт "А") | Во время вращения коленчатого вала ДВС на контакте присутствует синусоидальный сигнал напряжения переменного тока. Частота и амплитуда сигнала пропорциональны частоте вращения коленчатого вала |
А2 | Не используется | |
А3 | Вход 1 сигнала датчика детонации | Сигнал представляет собой напряжение переменного тока, амплитуда и частота которого зависит от вибраций блока цилиндров двигателя |
А4 | - | Не используется |
В1 | Вход сигнала датчика положения коленчатого вала (контакт "В") | См. контакт A1 |
В2 | Не используется | Не используется |
В3 | Вход 2 сигнала датчика детонации. | См. контакт A3 |
В4 | Выход главного реле | Не используется |
С1 | - | Не используется |
С2 | Вход датчика температуры воздуха на впуске | Напряжение на контакте зависит от температуры поступающего в двигатель воздуха: при температуре 30 °С, напряжение около 2,5 В, при обрыве в цепи датчика - около 5 В |
С3 | Вход сигнала датчика массового расхода воздуха | Цифровой сигнал, его частота прямо пропорциональна количеству проходящего через датчик воздуха |
С4 | Выход управления нагревателем управляющего датчика кислорода | Напряжение питания нагревателя датчика кислорода поступает с главного реле (клемма "30"). Сигнал управления импульсный с уровнем не более 2 В. Коэффициент заполнения изменяется в диапазоне от 0 до 100% в зависимости от температуры и влажности в области установки датчика |
D1 | "Земля" диагностического датчика кислорода | "Земля" |
D2 | - | Не используется |
D3 | Вход сигнала датчика температуры охлаждающей жидкости (ДТОЖ) | Напряжение на контакте зависит от температуры охлаждающей жидкости: при температуре 22 °С напряжение около 3,0 В, при обрыве в цепи датчика - около 5 В |
D4 | - | Не используется |
Е1 | "Земля" датчиков положения дроссельной заслонки | "Земля" |
Е2 | CAN L | Вход/выход шины L интерфейса CAN |
Е3 | CAN Н | Вход/выход шины Н интерфейса CAN |
Е4 | Выход управления клапаном продувки адсорбера | Напряжение питания клапана продувки адсорбера поступает с главного реле (клемма "30"). Сигнал управления импульсный, активный уровень - низкий, не более 1 В. Коэффициент заполнения изменяется от 0 до 100% и зависит от режима работы ДВС |
F1 | "Земля" датчиков положения дроссельной заслонки | "Земля" |
F2 | Выход сигнала скорости автомобиля | Напряжение бортовой сети поступает на этот контакт через внутренний резистор контроллера. При движении автомобиля датчик замыкает цепь на "землю" с частотой, пропорциональной скорости автомобиля (6 импульсов на 1 м пути) |
F3 | Вход мониторинга генератора (DFM) | - |
F4 | Выход управления форсункой 1-го цилиндра ДВС | Напряжение питания обмотки форсунки поступает с главного реле (клемма "30"). Сигнал управления импульсный, активный уровень - низкий (не более 1,5 В). Длительность импульсов зависит от режима работы двигателя и составляет от единиц до десятков мс |
G1 | "Земля" ДТОЖ | "Земля" |
G2, G3 | - | Не используются |
G4 | Выход управления форсункой 2-го цилиндра ДВС | См. контакт F4 |
Н1 | Сигнальная "земля" | "Земля" |
Н2 | "Земля" управляющего датчика кислорода | "Земля" |
Н3 | Вход лампы разряда АКБ (LT) | Вход лампы разряда АКБ (LT) |
Н4 | Выход управления форсункой 3-го цилиндра ДВС | См. контакт F4 |
J1 | Вход клеммы "15" выключателя зажигания | Клемма "15" выключателя зажигания |
J2 | Вход датчика положения дроссельной заслонки 2 | При включении зажигании на входе должно быть постоянное напряжение, величина которого зависит от степени открытия дроссельной заслонки: при полностью закрытой заслонке - от 4,4 до 4,7 В |
J3 | Выход сигнала диагностического датчика кислорода | Если датчик кислорода имеет температуру ниже 150 °С (не прогрет) на контакте напряжение равно 3,3 В. Когда датчик кислорода прогрет, то при при исправном нейтрализаторе напряжение должно меняться в пределах от 590 до 750 мВ |
J4 | Выход управления форсункой 4 цилиндра ДВС | См. контакт F4 |
К1 | Питание датчиков положения дроссельной заслонки | Стабилизированное напряжение 5 В |
Контакт | Сигнал | Описание |
К2 | Вход датчика положения дроссельной заслонки 1 | При включении зажигании на входе должно быть постоянное напряжение, величина которого зависит от степени открытия дроссельной заслонки: при полной закрытой заслонке - от 0,3 до 0,7 В |
К3 | Вход сигнала управляющего датчика кислорода | Если датчик кислорода имеет температуру ниже 150 °С (не прогрет) на контакте присутствует напряжение от 1,3 до 3,6 В. Когда датчик кислорода прогрет, то при работающем двигателе в режиме замкнутого контура напряжение до нескольких секунд переключается между низким значением (50...100 мВ) и высоким (800...900 мВ) |
К4 | Выход управления нагревателем диагностического датчика кислорода | Напряжение питания нагревателя датчика кислорода поступает с главного реле (клемма "30"). Сигнал управления импульсный, активный уровень - низкий (не более 2 В). Коэффициент заполнения изменяется в диапазоне от 0 до 100% в зависимости от температуры и влажности в области установки датчика |
L1 | Выход управления первичной обмоткой катушки зажигания 1-4 цилиндра ДВС | Напряжение питания первичной обмотки катушки зажигания поступает от главного реле (клемма "30"). Сигнал управления импульсный, активный уровень - низкий, не более 2,5 В. Длительность сигнала зависит от напряжения в бортсети и изменяется от единиц до десятков мс |
L2, L3 | - | Не используются |
L4 | Выход сигнала дроссельной заслонки (контакт "5") | Сигнал от контакта "5" дроссельной заслонки |
М1 | Выход управления первичной обмоткой катушки зажигания 2-го и 3-го цилиндров ДВС | Напряжение питания первичной обмотки катушки зажигания поступает с главного реле (клемма "30"). Сигнал управления импульсный, активный уровень - низкий (не более 2,5 В). Длительность сигнала зависит от напряжения в бортсети и изменяется от единиц до десятков мс |
М2, М3 | - | Не используются |
М4 | Выход сигнала привода дроссельной заслонки (контакт "6") | Сигнал от контакта "6" дроссельной заслонки |
Разъем Х2 | ||
А1 | Выход управления реле кондиционера | Сигнал управления дискретный, активный уровень - низкий, не более 1 В, выдается при разрешении включения кондиционера. |
А2 | Вход сигнала от датчика педали акселератора 2 | При отпущенной педали акселератора должно быть постоянное напряжение 0,25...0,85 В, при нажатой педали - 4,5 В |
А3 | Вход сигнала от датчика педали акселератора 1 | При отпущенной педали акселератора должно быть постоянное напряжение 0,5...0,85 В, при нажатой педали - 4,5 В |
А4 | Напряжение питания 5 В датчика положения педали акселератора 1 | На контакт подается опорное напряжение 5 В |
В1 | Выход управления дополнительным реле стартера | Напряжение питания обмотки дополнительного реле стартера поступает с клеммы "15" выключателя зажигания. Сигнал управления потенциальный, активный уровень - низкий (не более 1 В) |
В2 | Вход датчика давления хладагента (1-3 уровень) | Сигнал от датчика давления хладагента (1-3 уровень) |
В3 | Вход выключателя педали сцепления | При отпущенной педали сцепления на контакте присутствует напряжение бортсети с клеммы "15" выключателя зажигания |
В4 | Напряжение питания 5 В датчика положения педали акселератора 2 | На контакт подается опорное напряжение 5 В |
С1 | Выход управления реле вентилятора системы охлаждения | Напряжение питания обмотки реле вентилятора поступает с главного реле (клемма "30"). Сигнал управления потенциальный, активный уровень - низкий (не более 1 В). Контроллер включает реле при температуре охлаждающей жидкости выше 101 °С, а также при наличии в памяти контроллера кодов ошибок ДТОЖ или при работающем кондиционере |
С2 | Вход. Выключатель 2 педали тормоза | При отпущенной педали сцепления на контакте присутствует напряжение бортсети с клеммы "30" выключателя зажигания |
С3 | Вход. Выключатель 1 педали тормоза | При отпущенной педали сцепления на контакте присутствует напряжение бортсети с клеммы "15" выключателя зажигания |
С4 | "Земля" датчика педали акселератора 1 | "Земля" |
D1 | - | Не используется |
D2 | CAN L | Вход/выход шины L интерфейса CAN |
D3 | Вход сигнала запроса на включение кондиционера | В отсутствии сигнала запроса на контакте присутствует низкий потенциал. При включении выключателя кондиционера на контакт подается напряжение бортсети |
D4 | "Земля" датчика педали акселератора 2 | "Земля" |
Е1 | Выход управления главным реле | Напряжение питания поступает на обмотку реле с клеммы "плюс" АКБ. Сигнал управления потенциальный, активный уровень - низкий (не более 1,5 В). При переводе замка зажигания из положения "выключено" в положение "включено" реле включается немедленно. При выключении замка зажигание, контроллер производит задержку выключения главного реле на время около 10 с |
Е2 | - | Не используется |
Е3 | Выход датчика скорости автомобиля | С этого контакта напряжение сигнала датчика скорости подается на блок управления ЭУРУ |
Е4 | Сигнальная "земля" | "Земля" |
Контакт | Сигнал | Описание |
F1 | CAN H | Вход/выход шины H интерфейса CAN |
F2 | Вход сигнала клемма "15" выключателя зажигания | Номинальное напряжение при включении зажигания и неработающем двигателе составляет около 12 В, при запущенном двигателе - 13,5...15,2 В |
F3 | Вход датчика давления хладагента (2 уровень) | Датчик давления хладагента (2 уровень) |
F4 | - | Не используется |
G1 | Выход управления реле бензонасоса (1 В) | Выход управления реле бензонасоса (1 В) |
G2-G4 | "Земля" выходных каскадов (исполнительных устройств) | "Земля" |
Н1, Н2 | Вход напряжения бортовой сети с главного реле | Напряжение с главного реле (клемма "30") при неработающем двигателе составляет 12 В, при работающем двигателе - 13,5...15,2 В |
Н3, Н4 | Не используются | Не используются |
Интерфейс CAN
CAN (Controller Area Network) - это последовательная система передач данных, работающая в реальном времени, которая представляет собой систему мультиплексной связи и имеет высокую скорость передачи данных. Во время работы между электронными блоками управлениями (дуплексная система), которые входят в состав автомобиля, происходит обмен информацией.
Каждый подключенный к CAN-шине блок имеет определенное входное сопротивление, образующее общую нагрузку для линий шины CAN-H (линия высокого уровня) и CAN-L (линия низкого уровня). Общее сопротивление нагрузки зависит от числа подключенных к шине электронных блоков управления и исполнительных механизмов.
В рассматриваемом автомобиле, CAN-шина связывает между собой контроллер, панель приборов, автоматическую коробку передач и сигнализацию.
Работу CAN интерфейса в контроллере обеспечивает высокоскоростной приемопередатчик типа TJA1040, блок-схема, которого показана на рис. 8.

Рис. 8. Блок-схема высокоскоростного интерфейса CAN на основе ИМС TJA1040
Подробное описание работы системы передачи данных CAN опубликовано в [2].
Продолжение следует
Литература
1. Н. Пчелинцев. "Диагностика ЭСУД автомобилей LADA KALINA", Ремонт & Сервис, 2011, № 1.
2. "Электроника в автомобиле". "Ремонт" № 123. "Солон-Пресс", 2012.
Автор: Николай Пчелинцев (г. Тамбов)
Источник: Ремонт и сервис

