Телефонные аппараты фирмы DAEWOO занимают более скромное место на российском рынке, чем продукция таких ведущих фирм, как PANASONIC, SONY, SAMSUNG, LG…Тем не менее эти аппараты находятся в эксплуатации, они, так же, как и все остальные, приходят в неисправное состояние и, естественно, подлежат ремонту. В статье рассматриваются устройство и ремонт одной из популярных моделей - "Daewoo DU-2420".
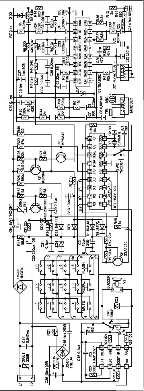
Принципиальная схема телефонного аппарата (рис. 1) содержит следующие основные элементы:
- микросхему тонального вызывного устройства (ТВУ) IC2типаНА31002Р;
- микросхему электронного номеронабирателя (ЭНН) IC1 типа НМ9102С;
- микросхему речевого тракта IC3 типа ТЕА1062;
- импульсный ключ (ИК) на транзисторах Q1, Q2;
- каскад блокировки речевого тракта на транзисторе Q4;
- схему отбоя на транзисторе Q3.
Обозначения и нумерация элементов принципиальной схемы соответствуют маркировке фирменной платы телефонного аппарата (рис. 2).
Варистор ZRN1, включенный параллельно линии АТС, защищает элементы аппарата от перенапряжений. Конденсатор С14 подавляет импульсные помехи на входе аппарата.
В режиме вызова сигнал АТС проходит через резистор R21 и конденсатор С15 на диодный мост D28D5. Выпрямленное напряжение вызова ограничивается стабилитроном ZD5 на уровне 27 В и подается на микросхему IC2, которая представляет собой формирователь двухтонального вызывного сигнала.
Конденсатор С36 - фильтр в цепи питания микросхемы. С выхода микросхемы сигнал подается на переключатель громкости вызывного сигнала SW3 (RINGER), имеющий два положения: L - низкий уровень громкости и Н - высокий уровень громкости. Нагрузкой микросхемы ТВУ служит пьезоэлектрический звукоизлучатель У1 (BUZZER), защищенный от перенапряжения стабилитроном SD3.
Резистор R23, конденсатор С16 - элементы формирования низкого тона ТВУ.
Резистор R24, конденсатор С17 - частотнозадающие элементы переключения генератора ТВУ. После поднятия трубки сигнал АТС проходит через ди8 одный мост D68D9, переключатель SW1 (НООК) и импульсный ключ Q1 на вход речевого тракта (выв. 1 микросхемы IC3).

Рис. 1 Принципиальная схема устройства
Микросхема ТЕА1062 имеет сложное строение с использованием устройств, переключающих вход/выход голосовым сигналом. Назначение выводов микросхемы ТЕА1062:
1- LN - линейный вход (+);
2, 3 - GAS1, GAS2 - установка усиления усилителя передачи;
4, 5 - QR, GAR - выходы усилителя приема;
6,7 - MIC-, MIC+- входы микрофонного усилителя;
8- STAB - внутренний стабилизатор тока;
9- VEE - общий линейного входа;
10- iR - вход усилителя приема;
II- DTMF - вход сигнала частотного набора с ЭНН;
12- MUTE - вход сигнала блокировки речевого тракта;
13- Vcc - напряжение питания;
14- REG - стабилизатор напряжения;
15- AGC - вход схемы АРУ;
16- SLPE - установка напряжения на других элементах схемы.

Рис. 2 Обозначения и нумерация элементов принципиальной схемы
Стабилитрон ZD1 защищает от перенапряжения вход микросхемы IC3; ZD2 - ограничивает напряжение питания микросхемы IC3.
Варистор ZRN2 защищает цепи телефонного аппарата после поднятия трубки.
В аппарате используется тонально-импульсный номеронабиратель НМ9102C (IC1) с запоминанием последнего набранного номера. Назначение выводов микросхемы НМ9102С: 1, 2, 3, 4 - У0, У1, У2, У3 - строки тастатуры;
5- HS - вход отбоя;
6- M/S - выбор импульсного коэффициента при импульсном режиме набора номера;
7- MODE - выбор режима набора номера (импульсный или тональный);
8,9 - OSC1, OSC2 - подключение кварцевого резонатора; 10- U - напряжение питания;
11- OV - общий провод питания;
12- TONE - выход сигнала DTMF;
13- NSA - выход разговорного ключа (сигнал блокировки);
14- HSi - выход импульсного ключа;
15,16,17,18 - Х0, Х1, Х2, Х3 - столбцы тастатуры.
В тактовом генераторе микросхемы используется пьезокерамический резонатор Х1 на частоту 3,58 МГц.
Переключатель SW2 MODE переводит ЭНН в импульсный режим набора в положении Р или в частотный режим набора - в положении Т.
При переключении SW1 (НООК) в положение ON (трубка поднята) на выв. 14 микросхемы IC1 формируется высокий уровень, открывающий импульсный ключ (транзисторы Q1, Q2). Индикатор IN USE светится, в трубке слышен ответ АТС (гудок).
Во время импульсного набора на выв. 14 микросхемы IC1 формируется низкий уровень, ИК переходит в закрытое состояние, сопротивление линии увеличивается, что воспринимается АТС как набор номера. Индикатор IN USE мигает в такт с набором. При наборе номера напряжение питания поступает на микросхему по цепи R28 D13.
Одновременно с набором номера на выв. 13 микросхемы формируется сигнал блокировки, воздействующий на ключевой транзистор Q4, который отключает микросхему речевого тракта IC3.
При положенной трубке (переключатель SW1 находится в положении OFF) через резистор R18 поступает пониженное напряжение питания ОЗУ микросхемы IC1 с целью сохранения последнего набранного номера.
Каскад на транзисторе Q3 реализует функцию отбоя при опускании трубки и подготавливает микросхему IC1 для набора номера при последующем поднятии трубки.
Клавиатура телефонного аппарата представляет собой стандартную тастатуру 3x4 и три дополнительных кнопки:
MUTE - блокировка речевого тракта во время разговора;
REDIAL - повторный набор последнего набранного номера;
FLASH - разрыв шлейфа, что эквивалентно кратковременному опусканию трубки на рычаг.
Возможные неисправности и методы их устранения
Нет сигнала вызова
- Проверяют напряжение питания микросхемы IC2 на ее выв. 5 в режиме вызова. Оно должно быть равно примерно 27 В. При нарушении режима питания проверяют исправность элементов R21, C15, D28D5, ZD5, СЗб.
- Проверяют исправность переключателя SW3 (качество пайки), стабилитрона SD3, резистора R25, пьезоизлучателя.
- Проверяют исправность микросхемы НА3102Р (заменой).
Нет сигнала АТС при поднятии трубки
- Проверяют исправность транзисторов ИК Q1, Q2.
- Убеждаются в наличии напряжения питания на выв. 10 микросхемы IC1.
- Измеряют напряжение на выв. 14 микросхемы IC1. При отсутствии высокого уровня микросхему необходимо заменить.
- Проверяют исправность транзистора Q4. При необходимости его заменяют.
- Проверяют исправность телефонного капсюля, конденсатора С21.
- Проверяют исправность микросхемы IC3 (заменой).
Нет набора номера, непрерывный сигнал АТС
- Убеждаются в исправности транзисторов ИК Q1, Q2.
- Проверяют исправность цепи питания микросхемы IC1 (выв. 10).
- Проверяют наличие импульсов набора номера на выв. 14 микросхемы IC1 при нажатии кнопок клавиатуры. Если импульсы имеются, то микросхема исправна. При отсутствии импульсов микросхему необходимо заменить.
После набора номера АТС "срабатывает", слышен непрерывный сигнал (гудок)
- Проверяют исправность конденсатора С14 (утечка) и варистора ZRN1.
Вас не слышит абонент
- Нарушена цепь питания микрофона. Проверяют исправность элементов R13, R41, C28.
- Неисправен микрофон. Заменяют его на заведомо исправный.
- Проверяют цепь питания микросхемы IC3. При необходимости микросхему заменяют.
Замена радиоэлементов
В последнее время в продаже стали появляться элементы для телефонии различных фирм8производителей. Пользуясь справочной литературой, среди них можно найти множество аналогов. Ниже приводятся рекомендации по замене зарубежных радиоэлементов на отечественные.
Маломощные диоды 1N414B можно заменить на КД521, КД522.
Выпрямительные диоды 1N4004 заменяются на КД208, КД209.
Транзистор 2SA1015 заменяется на КТ3107, 2SC1815 - на КТ3102, MPSA42 - на КТ940 или КТ503Е, KSP94 - на КТ3157А.
Микросхему НА3102Р можно заменить на ЭКР1436АП2, КР1059АП1. При этом может возникнуть необходимость подбора номиналов резисторов R23, R24для получения желаемого тона звучания и резисторов R20, R25 для получения желаемой громкости вызывного сигнала. Аналогом микросхемы НМ9102С является электронный номеронабиратель КР1008ВЖ16.
Источник: Журнал Ремонт&Сервис
Автор: А.Балакин
