Принцип управления вентилятором принудительного охлаждения УМЗЧ с теплоотводом небольших размеров состоит в том, что обдув включается при определенном превышении уровня сигнала на выходе усилителя, поэтому шум вентилятора при пониженной мощности практически не слышен. Устройство с вентилятором можно рекомендовать и для установки в усилители обычной конструкции (с естественным конвективным охлаждением), находящиеся в сложных условиях эксплуатации.
При конструировании усилителей мощности звуковой частоты с выходной мощностью более 20 Вт теперь нередко выбирают принудительный отвод тепла от мощных транзисторов и микросхем УМЗЧ, что позволяет существенно уменьшить площадь охлаждающей поверхности. Для этого используют вентиляторы от компьютерных блоков питания и вентиляторы охлаждения системных блоков персональных компьютеров. Эти вентиляторы имеют относительно небольшие габариты (80x80x25 мм), низкую стоимость и всегда имеются в наличии в любом компьютерном магазине.
Обычно вентиляторы охлаждения могут быть либо включены постоянно, либо включаться при превышении некоторого порога температуры теплоотвода. Оба способа включения имеют свои недостатки. В первом из них работе неизбежно мешает непрерывный шум вентилятора. При достаточно большой громкости этот шум неслышен, но на малой громкости и в паузах при воспроизведении он слышен очень отчетливо. Со временем, в результате износа подшипников вентилятора, уровень создаваемого им шума только возрастает. Зависимое от температуры теплоотвода включение вентилятора тоже имеет недостаток — при большой выходной мощности тепло-отводы нагреваются и система охлаждения включается, но при уменьшении громкости и, соответственно, мощности шум вентиляторов будет слышен, хотя принудительного охлаждения уже не требуется, достаточно естественной циркуляции воздуха.
Описываемое устройство свободно от указанных недостатков и производит включение вентиляторов охлаждения при превышении установленного порога выходной мощности усилителя.

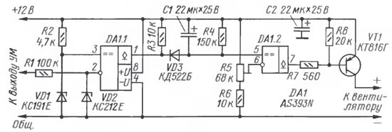
Рис. 1
Схема устройства показана на рис. 1.
Микросхема DA1 содержит два независимых компаратора. На первом из них собран узел, определяющий, что выходная мощность усилителя превышает некоторый пороговый уровень, а на втором — узел задержки выключения вентилятора.
Сигнал с выхода усилителя мощности подается на инвертирующий вход компаратора DA1.1 через резистор R1. Стабилитрон VD2 защищает вход компаратора от отрицательного напряжения, поступающего от усилителя мощности при усилении отрицательных полупериодов сигнала. На элементах R2 и VD1 собран параметрический стабилизатор, который задает порог срабатывания компаратора. Резистор R3 служит нагрузкой выходного каскада DA1.1, выполненного по схеме с открытым коллектором. Конденсатор С1 и резистор R4 задают время задержки выключения вентилятора. Диод VD3 необходим для предотвращения разрядки конденсатора С1 через резистор R3. Задержка позволяет сохранить напряжение на вентиляторе еще некоторое время для удаления выделившейся на теплоотводе энергии. Подстроечным резистором R5 можно регулировать время задержки выключения. Сигнал с выхода компаратора DA1.2 управляет транзистором VT1, включающим вентилятор охлаждения.
Рассмотрим работу устройства при изменении уровня сигнала.
Если напряжение на выходе усилителя мощности меньше, чем на стабилитроне VD1, на выходе компаратора DA1.1 действует высокий уровень. Когда напряжение на входе устройства превысит напряжение на стабилитроне VD1, на выходе компаратора DA1.1 появится низкий уровень и конденсатор С1 начнет заряжаться через диод VD3 до напряжения питания. Пока напряжение на неинвертирующем входе компаратора DA1.2 меньше, чем на инвертирующем, напряжение на его выходе имеет низкий уровень, транзистор VT1 открыт и вентилятор включен.
Как только после снижения уровня сигнала и разрядки конденсатора напряжения на входах второго компаратора переключат его, на выводе 7 появится высокий уровень, транзистор VT1 закроется и вентилятор выключится. Выходную мощность усилителя мощности, при которой сработает устройство, можно рассчитать по формуле
Рвых = (Uvd1)2/Rн
где Uvd1 — напряжение стабилизации стабилитрона VD1; Rн — сопротивление нагрузки усилителя мощности.

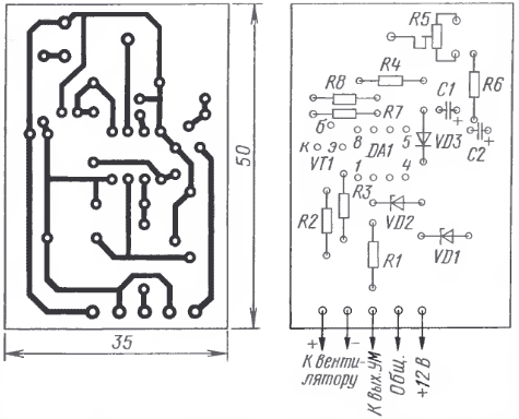
Рис. 2
Все детали устройства располагают на односторонней печатной плате из фольгированного стеклотекстолита. Чертеж платы и расположение элементов показаны на рис. 2.
В устройстве применены резисторы МЛТ-0,125 или подобные, конденсаторы — К50-35 или аналогичные импортные. Диод VD3 — любой кремниевый серий КД503, КД521, КД522. Транзистор VT1— КТ816 с любым буквенным индексом. Вентилятор должен быть рассчитан на постоянное напряжение 12 В и ток потребления не более 0,5 А. При подключении вентиляторов с током потребления более 150 мА транзистор VT1 необходимо установить на небольшой теплоотвод. Напряжение питания может быть увеличено до 24 В, но при этом последовательно с вентилятором необходимо включить гасящий резистор соответствующего сопротивления или использовать два последовательно включенных вентилятора.
Налаживание устройства сводится к установке подстроечным резистором R5 требуемого времени задержки выключения вентилятора.
Для более корректной работы устройства рекомендуется подключить конденсатор емкостью до 0,01 мкФ параллельно стабилитрону VD2.
Автор: А. Журба, г. Таганрог Ростовской обл.
