Предлагаемый вниманию читателей генератор гармонических колебаний предназначен для применения в различных радиотехнических устройствах с цифровым управлением. Генератор построен на доступной элементной базе и обеспечивает формирование гармонических колебаний со стабильными параметрами. В статье приводится методика расчета генератора.
Функциональная схема генератора представлена на рис. 1.

Рис. 1 Функциональная схема генератора
Для генерации гармонических колебаний требуется выполнение двух условий [1]:
- баланс амплитуд Кос*К=1;
- баланс фаз φк+φос=0,2*π.
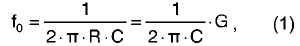
В качестве усилителя обратной связи Кос применяют, как правило, инвертор с φос = π. В качестве усилителя К целесообразно использовать полосовой фильтр [2], обеспечивающий на резонансной частоте необходимый в данном случае фазовый сдвиг φk = π. Высокая крутизна фазовой характеристики фильтра в полосе пропускания обеспечивает формирование колебаний со стабильной частотой, а его избирательные свойства - подавление гармоник.
В качестве полосового фильтра в предлагаемом генераторе использован фильтр [2]. Генератор возбуждается на резонансной частоте полосового фильтра, которая определяется из выражения:
где R (G) и С - сопротивление (проводимость) и емкость времязадающей цепи.
Из выражения (1) видно, что частота генерации пропорциональна проводимости времязадающей цепи, что обеспечивает линейный закон управления частотой.
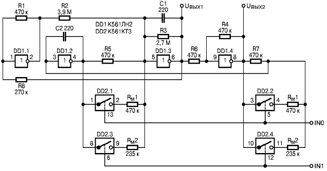
Схема генератора гармонических колебаний приведена на рис. 2. На элементах DD1.2-DD1.4 выполнен полосовой фильтр, на элементе DD1.1 - усилитель обратной связи и на элементах DD2.1-DD2.4 и RM - матрица сопротивлений с цифровым управлением. Структура фильтра позволяет получать на выходах противофазные напряжения, для чего необходимо использовать дополнительно Uвых2. Входы IN0 и IN 1 являются цифровыми входами управления частотой генерации.

Ниже приведена методика расчета генератора.
- Зададимся значениями fmin - нижняя частота генерации, Df - шаг перестройки, п - число разрядов двоичного числа сигнала цифрового управления.
- Принимем С1=С2=С и R7=R5=R.
- Зададим значение С и из формулы (1) найдем значение R.
- Определим значение RM ПО формуле

- Определим значение fmax по формуле

- Определим R3 по формуле

- Определим R2 из соотношения R2= R3/0,7.
На рис. 2 приведены номиналы элементов, полученные в результате расчета по приведенной методике для fmin=1,5 кГц, Δf =1,5 кГц и n=2.
В общем случае, выходная частота равна

где i - номер входа (разряд управляющего слова); аi - значение сигнала на входе управления (лог. 1 или лог. 0); n - разрядность управляющего слова.
Сопротивления в матрице проводимостей определяются по формуле:

При необходимости получения непрерывного закона изменения частоты резисторы RM заменяют сдвоенным потенциометром с сопротивлением Rn и включенным последовательно ему резистором Rдоп. Значения этих сопротивлений находим из формул:

В генераторе можно использовать микросхемы К561ЛА7, К561ЛЕ5 при включении по схеме инверторов. При напряжении питания 3 В генератор потребляет ток 1-3 мА.
Применение аналогичных зарубежных микросхем серий 74АС, 74НС позволит существенно увеличить диапазон рабочих частот, примерно в 10-15 раз.
В случае большой разрядности управляющего слова, в качестве матрицы проводимостей может быть применен двухканальный цифровой потенциометр, например, производства фирмы Microchip (серия МСР42ХХХ). К его несомненным достоинствам можно отнести небольшие размеры, малое потребление и относительно небольшую стоимость.
Источники:
- Быстрое Ю. А., Мироненко И. Г.Электронные цепи и устройства -М.: Высшая школа, 1989.
- Онышко Д. Полосовой фильтр на КМОП инверторах. - М.: Схемотехника, 2001, №7.
Автор: Дмитрий Онышко
