Не все зарядные устройства (ЗУ), имеющиеся в продаже, обладают функцией автоматической остановки зарядки. Это может привести к перезарядке аккумуляторов и, как следствие, к выходу из строя или сокращению ресурса их работы. В ЗУ, разработанном автором, зарядка прекращается при достижении напряжением аккумулятора заранее установленного значения.
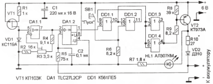
Схема ЗУ показана на рис. 1, оно предназначено для зарядки двух Ni-Mh или Ni-Cd аккумуляторов - обычного источника питания цифрового фотоаппарата. Принцип действия ЗУ основан на зарядке аккумуляторов плавно уменьшающимся током и контроле напряжения на них. Когда напряжение достигнет заранее установленного значения, процесс зарядки прекращается. Начальный ток зарядки примерно равен 0,1СА, где СА - номинальная емкость аккумулятора, и к окончанию зарядки он уменьшается на 25...35 %. Хотя некоторые типы аккумуляторов и допускают ускоренную зарядку током до 0,5СА и более, применение тока около 0,1СА позволяет реализовать щадящий режим зарядки, но требует для этого больше времени. Срок службы аккумуляторов в этом случае, как правило, возрастает.

Рис. 1
На стабисторе VD1, полевом транзисторе VT1, который включен как стабилизатор тока, и ОУ DA1.1 собран источник эталонного напряжения для компаратора на ОУ DA1.2. Это напряжение можно регулировать резистором R3 в пределах от 2,8 до 3,4 В. На элементах DD1.1 и DD1.2 собран RS-триггер, на элементах DD1.3 и DD1.4 - инвертор, а на транзисторе VT2 - электронный ключ.
После подсоединения к ЗУ аккумуляторов нажимают на кнопку SB1 "Пуск", и RS-триггер переключится в состояние, при котором на выходах элементов DD1.3, DD1.4 установится низкий уровень, транзистор VT2 откроется и начнется зарядка аккумуляторов, а светодиод HL1 будет светить, сигнализируя об этом. Напряжение на инвертирующем входе ОУ DA1.2 превышает напряжение на его неинвертирующем входе, поэтому на выходе будет напряжение, соответствующее низкому логическому уровню. Зарядный ток (Iзар) зависит от напряжения питания (UПИТ), напряжения насыщения транзистора VT2 (UVt2). падения напряжения на диоде VD2 (UVD2), напряжения аккумуляторов (UGb1) и сопротивления резистора R10:Iзар = (Uпит - UVT2 - UVD2 - UGB1)/R10.
При разряженных аккумуляторах (Ugb1 = 2 В) и Uпит = 6 В, UvtТ2 = 0,8 В, UVD2 = 0,4 В, R10 = 27 Ом Iзар составит около 100 мА. По мере зарядки аккумуляторов напряжение на них увеличивается, а ток зарядки уменьшается. Например, при UGb1 = 3 В Iзар = 66 мА. Зная номинальную емкость заряжаемых аккумуляторов, на основе приведенных выше соотношений подбирают требуемое сопротивление резистора R10.
Зарядка аккумуляторов будет продолжаться до момента, когда напряжения на входах ОУ DA1.2 сравняются. В этом случае даже незначительное увеличение напряжения на неинвертирующем входе приведет к появлению высокого уровня на выходе, RS-триггер переключится и транзистор VT2 закроется. Светодиод HL1 погаснет, и зарядка прекратится. Диод VD2 предотвращает разрядку аккумуляторов через светодиод HL1.

Рис. 2
Большинство деталей устройства смонтированы на печатной плате из дву-сторонне фольгированного стеклотекстолита, чертеж которой показан на рис. 2. Фольга на первой стороне, где установлены детали, использована в качестве общего провода. Соединения с ней выводов элементов (микросхем, резисторов и др.) показаны большими черными точками. Выводы конденсатора С1 вставлены в отверстие платы, разведены в разные стороны и припаяны к площадкам второй стороны. Одна из них, соединенная с "минусовым" выводом этого конденсатора, через отверстие в плате соединена проволочной перемычкой с фольгой первой стороны. В фольге вокруг отверстий, в которые вставляют выводы элементов, вытравлены "защитные" кружки диаметром 2...2,5 мм (зенковка менее желательна). Транзистор VT2 крепят к плате винтом МЗ, тепло-отвод применять необязательно.
В устройстве применены постоянные резисторы МЛТ, подстроечный многооборотный - BOURNS 3296, оксидный конденсатор - К50-35, С2 - К10-17.
Диод VD2 должен быть германиевым или Шотки, например 1N5819, светодиод HL1 может быть любого цвета свечения, например, АЛ307БМ, АЛ307ВМ или аналогичные импортные. Кнопка SB1 - любая малогабаритная с самовозвратом, например, ПКн125, ПКн129, ПКн129М. Если резистор R10 заменить на два последовательно соединенных резистора - постоянный 8,2 Ом и переменный 33 Ом (ППЗ-11), то можно устанавливать желаемый ток зарядки аккумуляторов. Для этого в ту же цепь включают амперметр на 0,5... 1 А или градуируют шкалу переменного резистора в мА или мА-ч. Для питания устройства было использовано сетевое ЗУ сотового телефона с выходным напряжением 6 В.
Плату крепят тремя винтами М2 в корпусе подходящего размера, на стенках которого устанавливают кнопку SB1, светодиод HL1, а при желании - и гнездо для подключения источника питания.
Налаживание устройства сводится к установке напряжения аккумуляторов, при котором зарядка прекращается. Для этого каждый из аккумуляторов предварительно разряжают до 1 В, устанавливают максимальное эталонное напряжение (движок резистора R3 в левом по схеме положении) и включают зарядку. Через 17...20 ч (полная зарядка аккумуляторов ведется уменьшающим током и потребует более 15 ч) медленно вращают движок резистора R3 до погасания светодиода.
Автор: Ю. Виноградов, г. Москва
