Все вновь введённые элементы размещены на печатной плате из одностороннего фольгированного стеклотекс-толита толщиной 0,5 мм, чертёж которой показан на рис. 9,а, размещение на ней элементов - на рис. 9,б. Применены постоянные резисторы для поверхностного монтажа типоразмера 1206, подстроечные резисторы - серии PVA3A(RVG3A), конденсатор С1 - керамический для поверхностного монтажа типоразмера 1206. Смонтированная плата показана на рис. 10.

Рис. 9.

Рис. 10.

Рис. 11.
Форма печатной платы обусловлена конструкцией фонаря и расположением его элементов. На рис. 11 показана внутренняя конструкция фонаря (без аккумулятора). На штатной печатной плате установлены переключатель SA1, разъём X2 и резисторы R1 и R2. Плату с новыми элементами устанавливают между переключателем и гнездом (рис. 12), предварительно соединив её с элементами фонаря и установив подстроечными резисторами требуемый ток через светодиод и светодиодную матрицу.

Рис. 12.

Рис. 13.
Поскольку тип и параметры светодиода EL1 неизвестны, облегчить его тепловой режим можно, если нанести на него по периметру теплопроводящую пасту (рис. 13). Насколько эффективно такое решение, не проверялось, но хуже точно не будет, тем более что временные затраты при этом минимальны.
Но ещё осталась проблема с зарядкой аккумулятора. Для того чтобы избежать излишне большого тока и уменьшить вероятность перезарядки аккумулятора, на штатную плату со стороны печатных проводников можно установить элементы VD1 и R6 (см. рис. 7).
Подборкой резистора R6 устанавливают максимальный ток зарядки, а диод VD1 снижает напряжение на аккумуляторе на 0,6...0,7 В по сравнению с выходным напряжением зарядного устройства (5 В). Но это, конечно, не лучший вариант, поскольку не исключает небольшой перезарядки Li-Ion аккумулятора, к которой они чувствительны. Поэтому в этом случае потребуется контроль времени зарядки. Такое решение с учётом невысокой стоимости фонаря может быть оправданным.
Чтобы исключить чрезмерную разрядку аккумулятора, в фонарь можно установить микросхему супервизора К1274СП33П (DA2) (см. рис. 7) [7] или её аналоги - микросхемы КР1171СП33 или микросхемы серий KIA7033, PST529G. Место для установки такой микросхемы навесным монтажом в корпусе фонаря найдётся.
При частом пользовании фонарём лучше позаботиться о правильной зарядке аккумулятора. Для этого можно использовать контроллер зарядки от вышедшего из строя Li-Ion аккумулятора, включив его в разрыв штатного кабеля. Подойдёт и недорогая готовая плата специализированного контроллера зарядки, выбор которой в интернет-магазинах велик.
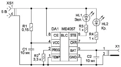
Но можно сделать такой контроллер самостоятельно, применив одну из микросхем контроллера зарядки, например серии МЕ4057 [8]. Схема такого контроллера показана на рис. 14. Ток зарядки устанавливают подборкой резистора R2. Светодиод HL2 сигнализирует о процессе зарядки, а светодиод HL1 - о её окончании.

Рис. 14.

Рис. 15.
Элементы зарядного драйвера размещены на двухсторонней печатной плате из фольгированного стеклотекстолита толщиной 1 мм. Вторая сторона со сплошной металлизацией использована как общий провод и соединена через отверстия с проводниками первой стороны с помощью отрезков медного лужёного провода. Чертёж платы показан на рис. 15,а, а размещение на ней элементов - на рис. 15,б. Применены резисторы и конденсаторы для поверхностного монтажа типоразмера 1206. Светодиоды применены также для поверхностного монтажа, их цвет свечения может быть другим, главное чтобы различным. Вид смонтированной платы показан на рис. 16. В качестве корпуса контроллера зарядки можно использовать любой подходящий прозрачный пластмассовый корпус. На рис. 17 показан вариант с корпусом от одноразового шприца объёмом 2 мл.

Рис. 16.

Рис. 17.
Чертежи печатных плат находятся здесь.
Литература
1.Нечаев И. Из начинки одноразовых электронных сигарет. Карманный фонарь. - Радио, 2023, № 9, с. 57-60.
2.ZXCT1009 high-side current monitor. - URL: https://clck.ru/36fbuV (18.11.23).
3.Нечаев И. Микросхема ZXCT1009F и конструкции на её основе. Часть 1. Измерение больших постоянного и переменного токов. Приставка к мультиметру. - Радио, 2018, № 11, с. 55-58.
4.Нечаев И. Микросхема ZXCT1009F и конструкции на её основе. Часть 2. Устройства защиты и ограничители (стабилизаторы) тока. - Радио, 2018, № 12, с. 53-56.
5. Нечаев И. Микросхема ZXCT1009F и конструкции на её основе. Часть 3. ЗУ и устройство питания микродрели. - Радио, 2019, № 1, с. 58-60.
6.APM2014NU N-Channel Enhancement Mode MOSFET. - URL: https://clck.ru/ 36fc2a (18.11.23).
7.К1274СПхх. - URL: https://integral. by/sites/default/files/pdf/k1 274_0.pdf (18.11.23).
8.ME4057. - URL: https://datasheet-pdf. com/PDF/ME4057-Datasheet-Microne-967807 (18.11.23).
Автор: И. Нечаев, г. Москва
