Через порт RS-232 происходит обновление программного обеспечения (ПО) ресивера. Методика замены ПО дана в инструкции, а рекомендации пользователям - в конце статьи.
Внешний вид смарт-карт, применяемых в ресивере, был показан в [1, рис. 14]. Напомним, что смарт-карта представляет собой пластину из пластика с вмонтированными восемью контактными площадками. Через эти площадки карта в картоприемнике ресивера подключена к декодеру. Под площадками расположены две микросхемы: PIC-контроллер и память. К площадкам подсоединены выводы микросхем. Контроллер содержит алгоритм декодирования, а память - необходимые для этого процесса ключи.
Для повышения защищенности каналов каждый провайдер регулярно меняет ключи. "Время их жизни" зависит от вида кодировки и варьируется от нескольких десятков секунд до полугода. На официальных картах смена ключей происходит в автоматическом режиме Auto update. Новые ключи поступают на карту в общем потоке с видеосигналом. В неофициальные карты новую информацию записывают специальными устройствами - программаторами.

Структурная схема ресивера аналогична рассмотренной в [1, рис. 13]. Отличие заключается лишь в наличии, как уже было указано в начале статьи, второго слота для подключения еще одной смарт-карты, что позволяет оперативно переключать каналы сразу двух провайдеров без извлечения карт. Напомним кратко о работе ресивера.
Цифровой сигнал стандарта DVB-S, принятый спутниковой антенной, вначале направляется в конвертер. Он служит для переноса спектра сигнала из Ки диапазона 10... 12 ГГц на Fn4 в интервале 920...2150 МГц. Одновременно происходит усиление сигнала. Основное требование к конвертеру - малые собственные шумы. Выделяя это требование, в отечественной литературе конвертер еще называют МШУ - малошу-мящим устройством. Уровень его шума не должен превышать 4 дБ. Внешний вид конвертера с круговой поляризацией представлен на рис. 13.
С конвертера сигнал приходит на тюнер. Здесь происходит настройка на выбранный канал. Коды частоты настройки поступают по цифровой шине с процессора управления. С тюнера цифровой поток DVB-S подан на демодулятор, который выделяет цифровой транспортный поток QPSK.
С демодулятора поток QPSK направляется в декодер. Основная задача декодера - выделение из транспортного потока сигналов MPEG-2. Для этого поток проходит несколько этапов обработки. Сначала он приходит на сверточный декодер Витерби. Здесь предварительно корректируются ошибочные биты FEC (Forward Error Correction), появившиеся в результате воздействия помех на канал связи. Декодер определяет структуру сверточ-ного кода потока (1/2, 2/3, 3/4 и т. д.) и на основе анализа уже принятых битов декодирует сигнал по максимальному правдоподобию.
В блоке деперемеже-ния восстанавливается очередность следования пакетов, специально нарушенная на передающей стороне. Декодер Рида-Соломона восстанавливает поврежденные биты внутри пакетов (довосьми битов). В блоке синхронизации из цифрового потока выделяются сигналы синхронизации.
С декодера цифровой сигнал стандарта MPEG-2 проходит на демульти-плексор, в котором разделяются видео-и аудиопотоки. Дальше сигналы обрабатываются раздельно. Декодеры MPEG-2 восстанавливают исходную информацию в аудио- и видеосигналах. Декодированные цифровые сигналы записываются в память SDRAM, затем считываются и поступают на видео- и аудиоЦАП. Процессом записи-считывания управляет отдельный контроллер SDRAM. С ЦАП аудио- и видеосигналы уже в аналоговой форме приходят на выходы ресивера.
Базовый вариант ресивера содержит четыре платы: А, В, С и D. Нумерация элементов на базовых схемах, соответствующих этим платам, на каждой своя. Рассмотрим, какие наиболее важные микросхемы и узлы находятся на них. Начнем с основной, самой большой платы А.

Рис. 14
Прежде всего, это - тюнер Samsung TBMU30311IML2. Он имеет два антенных гнезда: вход для подсоединения спутниковой антенны и выход для подключения аналогового ресивера. Оригинальная схема включения тюнера изображена на рис. 14.

Рис. 15
Центральный процессор 1С 14 - L64108-54 MIPS/XPORT. Его структурная схема показана на рис. 15. Он включает в себя 32-разрядный центральный процессор с тактовой частотой 54 МГц, программируемый демультиплексор, демодулятор DVB-S, контроллер динамической оперативной памяти DRAM, интерфейс стандарта ISO 7816 с двумя смарт-картами условного допуска, декодер скремблированных каналов, блок обработки сигналов субтитров, телетекста и электронного справочника программ (EPG) и другие устройства.
Процессор-декодер MPEG-2 IC4 - L64005. Совместно с микросхемой памяти IC1 HY57V1616100TC-8 он декодирует цифровые аудио- и видеопотоки стандарта MPEG-2.
Микросхемы флэш-памяти по 8 Мбайт каждая IC11, IC13 - AM29F800BB. Они работают совместно с центральным процессором.
Динамическая память RAM IC19, IC21-GM71C18163CJ6.
Программируемый по шине I2C аудио- и видеокоммутатор IC5 - CXA2078Q. По командам с центрального процессора переключает сигналы на выходных разъемах SCART, S-видео, порта RS-232 и ВЧ модулятора.
Микросхемы интерфейса картопри-емника IC7, IC8 - TDA8004T. Они согласуют уровни сигналов обмена информацией между центральным процессором IC14 и смарт-картами и имеют встроенный узел защиты от статического электричества.
Микросхема IC22 ST202EC преобразует уровни сигналов порта RS-232 (±15 В) в уровни TTL (0-+5 В). В микросхеме также есть узел защиты от статического электричества.
Модулятор ВЧ - Samsung RMUP24055FE. Заводская настройка - на 38-й канал ДМВ. Пользователь может изменить ее на любой из каналов в этом диапазоне. Цветовые системы - PAL, SECAM.

Рис. 16
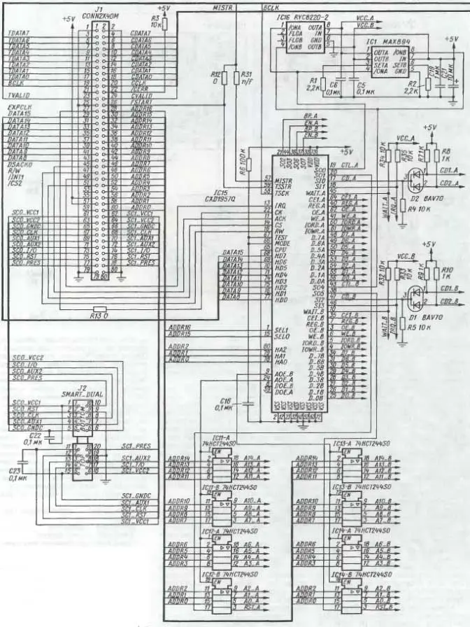
На плате В размещены два слота картоприемника. Кроме того, на ней находится процессор обработки сигнала DVB-S IC15 CXD1957Q. В микросхему входят демодулятор QPSK, корректор ошибок FEC, программируемый деин-терливер (блок деперемежения), декодер Рида-Соломона, блок синхронизации. Оригинальная схема включения процессора представлена на рис. 16.
Блок питания представляет собой плату С. Это - импульсный источник, выполненный по стандартной схеме на ШИ контроллере 1M0380R.

Рис. 16 (продолжение)
На передней панели (плата D) расположены кнопки управления, дисплей, процессор управления дисплеем, фотоприемник, индикатор включения.
Ресивер постоянно совершенствуют, улучшая его. С этой целью применяют БИС большей степени интеграции. Например, у автора в эксплуатации находится модернизированный вариант аппарата, в котором функции процессора обработки сигнала DVB-S 1С 15 и большинства других микросхем платы В (рис. 16) переданы процессорам основной платы А.
Кроме того, это выражается также в регулярном появлении на сайте производителя в Интернете новых версий ПО. Помимо устранения обнаруженных ошибок, новая версия может добавить в ресивер ряд дополнительных функций. Однако смена ПО очень ответственная операция, которую сможет выполнить только подготовленный пользователь. Результатом неправильно выполненной операции может быть полная потеря работоспособности ресивера и необходимость его ремонта в сервисном центре. В файле Readme ПО обычно указаны, какие именно нововведения содержит версия. В целях безопасности не рекомендуется обновлять ПО, если изменения незначительны или новые свойства не представляют интереса для пользователя. Ну и, само собой разумеется, прошивку нужно брать только из проверенных источников, например, с сайта производителя [2].
Комплект версии ПО состоит из трех файлов:
go_com1.bat - запускающая программа;
stbload.exe - загрузчик;
srt4450.tdf - новая версия ПО.
Перед началом операции необходимо сбросить все данные, установленные пользователем на тюнере, в заводские установки. Для этого выбирают пункт меню "Восстановить заводские установки" и выполняют действия, указанные на экране. Затем отключают сетевой шнур ресивера от сети.
Далее копируют указанные выше файлы в один каталог. К запускающей программе go_com1.bat на рабочем столе создают ярлык. Соединяют стандартным модемным кабелем порт RS-232 на задней панели ресивера с портом СОМ-1 компьютера. Удерживая в нажатом состоянии кнопки "-СН" и "-VOL" на передней панели ресивера, включают сетевой шнур в розетку.
На индикаторе ресивера появится надпись "dl". Это означает, что он готов к загрузке. Используя ярлык "go_com1.bat", запускают программу. Процесс загрузки ПО отражается на дисплее ресивера. По окончании загрузки появится сообщение "done".
Отключают приемник от сети и компьютера.
Спустя некоторое время ресивер включают и сбрасывают вновь в заводские настройки. На этом операция обновления ПО завершена.
Загрузить новое ПО можно, используя и командную строку. Для этого запускают на выполнение программу, набрав в командной строке "stbload.exe file.tdf X", где X - номер подключенного СОМ порта (1 или 2), file.tdf - имя файла с новой версией ПО (str4450.tdf).
ЛИТЕРАТУРА
- Морозов И. Прием спутникового вещания в Москве и Московской области. Ресиверы, смарт-карты, кодировки, ключи и их замена. - Радио, 2007, № 7, с. 13-16.
- http://www.strongsat.com
