LMV7219 - микромощный высокоскоростной компаратор, имеющий однополярное питание от 2,7 В до 5 В с потреблением 1,1 мА. Выходы характеризуются Rail-to-Rail функцией с задержкой распространения сигнала 7 нс. Четкое переключение гарантируется внутренним гистерезисом даже при обработке медленных сигналов.
Отличительные особенности:
- задержка распространения 7 нс;
- низкий ток питания 1,1 мА;
- диапазон напряжений синфазного сигнала до -200 мВ;
- внутренний гистерезис гарантирует четкое переключение;
- длительность фронта и спада не превышают 1,3 нс.
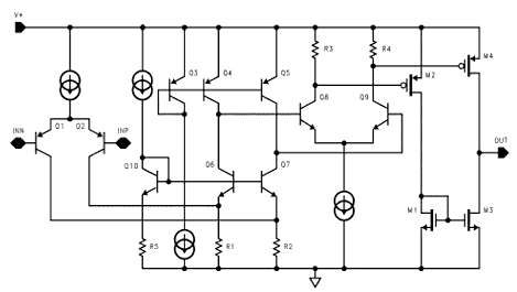
Структурная схема компаратора LMV7219.

LMV7235 - ультрамикромощный скоростной компаратор, имеющий однополярное питание от 2,7 В до 5 В с потреблением 65 мА. Выходы характеризуются Rail-to-Rail функцией по двухтактной схеме с открытым стоком. Четкое переключение гарантируется внутренним гистерезисом даже при обработке медленных сигналов.
Отличительные особенности:
- задержка распространения сигнала 45 нс;
- низкий ток питания 65 мкА;
- диапазон напряжений синфазного сигнала на 200 мВ превышает напряжение питания.
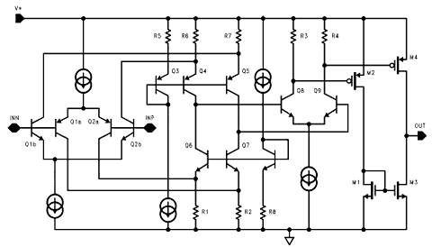
Структурная схема LMV7235 представлена ниже.

LMV7219 и LMV7235 выпускаются в SC70-5 и SOT23-5 корпусах, идеальных для систем, где небольшой размер и низкая мощность критичны.
Области применения:
- сканеры;
- высокоскоростной дифференциальный линейный приемник;
- компараторы "Окна";
- датчики прохождения через нуль;
- высокоскоростные импульсные схемы.
Источник:terraelectronica
