Новости электроники
Архив : 17 Февраль 2006 год
Компания LINEAR TECHNOLOGY представила LTC2442, высокоточный, мультиплексированный 24-х битный АЦП без внесения задержки со встроенным высококачественным усилителем.
При конфигурации усилителя как буфера с единичным усилением, LTC2442 обеспечивает линейность 1ппм (миллионную часть), упрощая сопряжение с высокоомными датчиками. С помощью дополнительного внешнего резистора, подключаемого к усилителю, коэффициент усиления может быть увеличен для работы со слабыми источниками сигнала.
Питающее напряжение усилителя может совпадать с потенциалами VCC и земли, или свободно находиться в этом диапазоне для обработки сигналов с амплитудой, равной напряжению питания. Фирменная архитектура LTC2442 исключает перекрестное влияние каналов АЦП и устойчива к перегрузкам на входе. Такое сочетание высокой точности и высокого входного сопротивления делает возможным применение микросхемы в основных промышленных и научных измерительных приборах.
LTC2442 сочетает высокие характеристики с простотой использования и малым временем освоения. Встроенный усилитель снижает общие габариты схемы, улучшает линейность по постоянному току и обеспечивает гибкость использования благодаря внешнему резистору установки коэффициента усиления. Фирменная архитектура дельта-сигма АЦП обеспечивает стабильные характеристики по постоянному току благодаря постоянной компенсации смещения и калибровке диапазона входного сигнала. Десять предустановок сочетания разрешение/производительность обеспечивают производительность от 6,9Гц до 3,5кГц и выбираются цифровым способом при шуме менее 220нВ действующего напряжения. Кроме того, режим с задержкой на один такт для каждого сочетания разрешение/производительность обеспечивает производительность до 7кГц (8кГц с внешним генератором) при разрешении 17 бит.
Любая комбинация из четырех несимметричных или двух дифференциальных входов может быть выбрана для обработки сигналов с потенциалом, находящимся в пределах от земли до VCC. Действительные результаты могут быть получены первым же измерением, после изменения скорости работы или текущего канала.
LTC2442 выпускается в 36-выводном SSOP корпусе и работает в коммерческом и промышленном диапазоне температур.
Источник:terraelectronica
LTC4054ES5-4.2 – уникальная микросхема для зарядного устройства Li-Ion батареи с режимами заряда постоянным током/напряжением. Компактный корпус и минимум внешних компонентов делают LTC4054 идеальным решением для портативных применений и с питанием от USB-порта. В LTC4054 встроена защита от перегрева заряжаемой батареи. Ток заряда задается внешним резистором. Заряд автоматически прекращается при достижении тока заряда 1/10 части от заданного. При отключении входного напряжения микросхема автоматически переходит в микропотребляющий режим с током потребления от батареи менее 2мкА.
Отличительные особенности:
программирование источника тока до 800мА;
не требуется внешних MOSFET-транзистора, датчика тока и блокирующего диода;
законченное зарядное устройство для одной Lithium-Ion батареи;
режим заряда постоянным током/напряжением с контролем температуры;
возможность заряда одной Li-Ion батареи от USB-порта;
установка напряжения заряда 4,2В с точностью ±1%;
токовый мониторинг газовыделения;
автоматическая перезарядка;
выход статуса заряда; ток заряда C/10;
энергосберегающий режим: 25мкА;
режим капельного заряда с порогом 2,9В;
мягкое ограничение бросков зарядного тока;
температурный диапазон: –40°C…+85°C;
корпус SOT-23-5.
Области применения: сотовые телефоны, КПК, MP3-плееры, зарядные станции и крэдлы, Bluetooth-применения.
Источник:terraelectronica
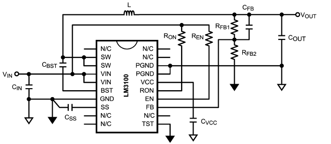
Микросхема LM3100 является новым продуктом семейства SIMPLE SWITCHER®, синхронизированный 1.5 А импульсный регулятор разработан специально для упрощения проектирования схем питания и имеет диапазон входных напряжений от 4.5 В до 36 В. Микросхема обладает COT (constant on time) архитектурой и не нуждается в петле обратной связи благодаря быстрым переходным процессам при изменении нагрузки и простоте схемной реализации. LM3100 разработана для работы с керамическими и другими выходными конденсаторами с малым значением ESR.

Рабочая частота микросхемы LM3100 может быть отрегулирована вплоть до 1МГц. Для понижения стоимости и габаритных размеров конечно проектируемого модуля, в состав микросхемы входят два синхронизированных N-канальных MOSFET с драйверами управления. Импульсный регулятор LM3100 работает в диапазоне температур от – 40С до + 125 С, так как предлагается в температуростойком eTSSOP-20 корпусе.
Технические характеристики
• диапазон входных напряжений от 4.5 В до 36 В
• выходной ток 1.5 А
• внутренний источник опорного напряжения 0.8 В, 1.5 %
• два интегрированных 40 В MOSFET
• быстрая переходная характеристика • ограниченный ток минимума (долины)
• термозащита
• диапазон рабочих температур от – 40С до + 125 С
• eTSSOP-20 корпус
Применение
• 5VDC, 12VDC, 24VDC, 12VAC и 24VAC системы питания
• встроенные системы (embedded system)
• охранные системы
• оборудование для управления производственными процессами
• системы питания от аккумуляторных батарей с электрохимической системой типа Li-on
• оборудование широкополосной связи
Источник:Петербургская Электронная Компания
