Новости электроники
Архив : 2 Март 2006 год
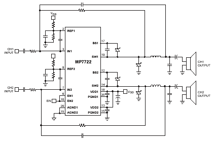
MP7722DF – уникальный стерео усилитель низкой частоты класса D с выходной мощностью 20Вт на канал при сопротивлении нагрузки 4Ом. Это двухканальный вариант усилителя MP7720 из серии полностью интегральных усилителей мощности второго поколения от MPS с беспрецедентно малыми габаритами, благодаря размещению в одном кристалле: - 180мОм силовых MOSFET-транзисторов; - системы устранения акустических щелчков включения/выключения; - цепей защиты от короткого замыкания; - системы выбора режимов Mute и Standby. Аудио усилители класса D компании MPS обеспечивают высокое качество звучания класса A/B при КПД более 90%. Схема базируется на патентованной MPS технологии изменяемой частоты, которая снижает искажения, уменьшает время отклика и позволяет работать при однополярном питании.
Отличительные особенности:
выходная мощность 2x20Вт на нагрузку 4Ом при напряжении питания 24В;
THD+N = 0,06% при 1Вт, 8Ом;
КПД = 93% при 20Вт;
малые шумы (190мкВ);
частота переключения до 1МГц;
однополярное напряжение питания 9,5В…24В;
цепь подавления акустических щелчков включения/выключения;
защита от перегрева и короткого замыкания;
встроенные ключи (180мОм);
режимы Mute и Standby;
температурный диапазон: -40°C…+85°C;
корпус TSSOP-20F с теплоотводящей подложкой.
Типовая схема включения приведена ниже.

Области применения: DVD-системы с эффектами объемного звучания, телевизоры, плоскопанельные мониторы, мультимедийные компьютеры, домашние стерео системы.
Источник:terraelectronica
Maxim Integrated Products представляет MAX13481E/MAX13482E/MAX13483E - full-speed USB приемопередатчики с защитой от ЭСП ±15 кВ, упакованные в 3x3 мм 16 контактный TQFN корпус. Эти приборы имеют режим остнова, активизируемый логическим сигналом, в котором снижается ток потребления и обеспечивает USB- совместимый интерфейс с низковольтными специализированными интегральным схемам и процессорами, что делает их идеальными для использования в сотовых телефонах и PDA. Выводы USB интерфейса D+ и D- имеют защиту от ЭСП ±15 кВ, соответствующего модели тела человека, обеспечивая защиту от электромагнитных наводок в кабелях связи и устраняя необходимость использования внешней схемы защиты. Эти приемопередатчики совместимы с требованиями full-speed (12 Мбит/с) USB интерфейса.
MAX13481E имеет вход Enumeration с низким активным уровнем сигнала и подтягивающим резистором, а, кроме того, этот прибор совместим по выводам приборами MIC2551A производства компании Micrel и DP1681 производства компании PointChips. MAX13482E имеет вход Enumeration с низким активным уровнем сигнала и 1.5 кОм подтягивающим резистором, вывод линии D+ так же имеет подтягивающий резистор. MAX13482E и MAX13483E имеют функцию обнаружения Vbus и совместимы по выводам с приборами DP1682 и DP1680 производства компании PointChips, соответственно.
MAX13481E/MAX13482E/MAX13483E имеют рабочий температурный диапазон от -40°С до +85°С и доступны в 16 контактном 3x3 мм TQFN корпусе.
Источник:Rainbow Technologies
