Новости электроники
Архив : 22 Июнь 2006 год
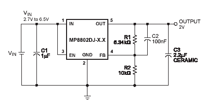
MP8801DJ-x.x и MP8802DJ-x.x – уникальное семейство малошумящих линейных стабилизаторов с низким падением напряжения на регулирующем элементе. При входных напряжениях от 2,7В до 6,5В позволяют формировать выходные напряжения 2,5В, 2,85V или 3,3В с точностью лучше 2%. Внутренняя установка выходного напряжения может быть скорректирована внешним резистивным делителем в диапазоне от 1,25В до 5В. MP8801 и MP8802 могут отдавать в нагрузку ток 150мА и 250мА соответственно. Оба стабилизатора имеют встроенную защиту от перегрева.
Отличительные особенности:
низкое падение напряжения:
MP8801 – менее 100мВ при 100мА,
MP8802 – менее 250мВ при 250мА;
точность выходного напряжения лучше 2%;
фиксированное выходное напряжение 2,5В, 2,85В или 3,3В;
регулирование выходного напряжения от 1,25В до 5В с помощью внешнего резистивного делителя;
входное напряжение до 6,5В;
высокий коэффициент подавления помех (PSRR):
70дБ на 1кГц,
30дБ на 1МГц;
стабилизация по току нагрузки лучше 0,001%/мА;
гарантированная стабильная работа с Low-ESR выходным конденсатором;
низкий собственный ток потребления 125мкА;
внутренняя защита от перегрева;
температурный диапазон: -40°С…+ 85°С;
корпус TSOT23-5.

Области применения: 802.11 PC карты, системы питания синтезаторов мобильных устройств, питание микросхем аудио кодеков.
Источник:terraelectronica
Начиная с 2006 года, компания Telit Communications предлагает продукцию, которая сочетает GSM/GPRS и GPS в малогабаритных устройствах
Высокий спрос на GPS-модули объясняется компактностью формы, высокими рабочими характеристиками и инновационными концепциями, которые способствуют простоте и быстроте интеграции. Данные критерии полностью учтены при разработке нового поколения M2M-модулей, которые интегрируют функции GSM/GPRS и GPS.
Аналитики, как, например, из института исследования рынка IDATE, предсказывают рост рынка M2M на 49% в год и в 2010 году его объем достигнет 220 миллиардов евро. Тенденцией, которая способствует данному росту, является интеграция дополнительных технологий беспроводной связи в модули M2M. GPS сохраняет темп на рынке пользовательской электроники GPS-технология становится все более и более привлекательной для рынка пользовательской электроники. Невысокая стоимость приема спутниковых сигналов позволяет интегрировать различные функции в один мобильный блок, в т.ч. навигация, сигнализация, геоограждение для локализации потерявшихся людей или животных. Данные устройства выполняют обеспечивают ряд базовых функций, как, например, GSM/GPRS/GPS/Bluetooth/ZigBee.
GSM и GPS в одном модуле Начиная с 2006 года, компания Telit Communications предлагает продукцию, которая сочетает GSM/GPRS и GPS в малогабаритных устройствах. К данной продукции относятся модули GE863-GPS и GM862-GPS. Теперь приложения, которые ранее выполнялись на основе нескольких модулей, могут быть реализованы на одном модуле. Ядром модулей Telit является 20-канальная микросхема SiRFstarIII компании SiRF Technology. Она представляет собой последнее поколение GPS-приемника, который Этот GPRS приемник последнего поколения сочетает цифровой процессор A-GPS с и радиочастотный интерфейс в одной микросхеме размером всего лишь 7 x 10 мм.
Мобильные системы контроля за передвижением пациентов с ослабленными умственными способностями
Канадская фирма Medical Intelligence Technologies разработала специальный браслет для пациентов страдающих слабоумием, болезнью Альзаймера и другими похожими заболеваниями. Устройство, называемое Columba, является системой локализации с автоматической сигнализацией, которая делает практически невозможной потерю пациента. Решение выполнено на основе модулей Telit GE863-GPS.
Аспекты развития GSM/GPS
Сочетание GPS и новых спутниковых систем для определения положения, как, например, Galileo, делает доступной информацию о положении в любой точке земного шара. В тоже время, увеличивающееся число мобильных устройств с функцией GPS для массового рынка будет способствовать ускорению разработки новых пользовательских и коммерческих приложений. С учетом доступности объединенных Galileo и GPS-сигналов следующего поколения технология определения положения продолжит развитие в секторе M2M (связь машина- машина).
Реально-временная навигация в сложных условиях
Модули GPS-приемников компании Telit выполнены на основе однокристальной 20-канальной микросхемы SiRFstarIII. SiRF объединяет в одном кристалле законченный цифровой процессор A-GPS и радиочастотный интерфейс. Малые размеры микросхемы 7 мм x 10 мм делают возможным ее интегрирование в компактные модули Telit. 20-канальный GPS-приемник SiRFstarIII характеризуется рекордно-низким значением TTFF (длительность задержки до первой фиксации) и способен отслеживать более 20 спутников одновременно. Архитектура SiRFstarIII характеризуется значением TTFF всего лишь 1 секунда при работе вне помещений в условиях работы GSM-сетей. Чувствительность приема сигналов до -159 дБм делает возможной реально-временную навигацию в сложных окружающих условиях, как, например, городские районы и густая растительность. Даже в закрытых помещениях приемник демонстрирует превосходные результаты.
Улучшение рабочих характеристик с помощью технологии SiRFstarIII
В отличие от длинного процесса последовательного поиска традиционных GPS-архитектур, архитектура SiRFstarIII с эквивалентным числом корреляторов свыше 200 тысяч позволяет повысить быстродействие и глубину поиска GPS-сигнала, существенно превосходя характеристики традиционных архитектур с количеством корреляторов от сотен до нескольких тысяч.
"Технология SiRF - является наиболее инновационной и эффективной технологией из доступных на рынке. Кроме того, она очень хорошо совмещается с GSM/GPRS наборами микросхем, использующихся в модулях Telit ", - прокомментировал директор по маркетингу бизнес-направления беспроводных решений компании Telit Доминикус Хирл.
"Сотрудничество с разработчиками Telit было очень продуктивным. SiRF и Telit руководствуются одними целями. Мы нацелены на достижение превосходной чувствительности детекции GPS-сигнала при гарантировании стабильности работы в сложных окружающих условиях", - объяснил Канвар Кхада, учредитель и вице-президент по маркетингу SiRF.
Источник:Rainbow Technologies
