AAT3221IGV-3.0-T1 и AAT3221IGV-3.3-T1 – линейные стабилизаторы серии NanoPower с малым падением напряжения, созданные специально для приложений, для которых срок службы батарей является критическим. AAT3221 имеют экстремально низкий типовой собственный ток потребления 1,1мкА. Падение напряжения на регуляторе не превышает 200мВ при максимальном выходном токе 150мА. Стабилизаторы можно переводить в отключенный режим для управления нагрузкой и экономии батарей в портативных применениях. AAT3221 имеют защиту от перегрева и короткого замыкания в нагрузке. Для стабильной работы стабилизатора требуется установка на выходе керамического конденсатора 1мкФ, по размерам сопоставимого с корпусом самого AAT3221.
Отличительные особенности:
мизерный собственный ток потребления 1,1мкА;
малое падение напряжения 200мВ;
выходной ток 150мА;
высокая точность ±2%;
ограничение выходного тока;
защита от перегрева;
экстремально низкое энергопотребления в режиме отключения;
низкий температурный коэффициент;
фиксированное выходное напряжение:
- 3,0В для AAT3221IGV-3.0-T1,
- 3,3В для AAT3221IGV-3.3-T1;
стабильная работа с любым типом выходного конденсатора;
защита от статического электричества 4кВ;
температурный диапазон: -40°C...+85°C;
корпус SOT23-5.
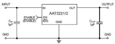
Типовая схема включения AAT3221 приведена ниже.

Области применения: сотовые телефоны, цифровые камеры, портативная электроника, ноутбуки, КПК, портативные устройства связи, системы дистанционного контроля.
Источник:terraelectronica
