Новости электроники
Архив : 3 Март 2008 год
Сопоставимые по логической плотности со сложными программируемыми логическими микросхемами (CPLD) имеющими 128 макроячеек, новые микросхемы на 15000 вентилей имеют величину потребления энергии, начиная с 55мкВт, что в 10 раз меньше статического потребления энергии более дорогостоящих CPLD. Новые FPGA Igloo AGL015 и ProASIC3 A3P015 являются более экономичной, более дешевой альтернативой FPGA и CPLD-микросхемам с низкой логической плотностью для использования в бытовой, медицинской, коммуникационной и промышленной аппаратуре, такой как портативные медиа плееры, смартфоны, интерфейсы карт памяти, контроллеры систем, портативные медицинские приборы и радиодатчики.
« Для реализации управляющих и связующих функций в портативной аппаратуре наблюдается острая потребность в экономичных программируемых решениях с невысокой логической плотностью», - говорит Фарес Мубарак, (Fares Mubarak), главный вице-президент компании ACTEL. «При таком уровне цен, никакие другие FPGA или CPLD с низкой логической плотностью не могут предложить такой уровень потребления энергии какой предлагают новые микросхемы Igloo и ProASIC3, что делает эти решения с низкой логической плотностью идеальным выбором для приложений чувствительных к цене и потреблению энергии».
Имея заманчивую, для портативной аппаратуры, величину статического потребления 5мкВт, микросхема FPGA Igloo компании ACTEL потребляет в 200 раз меньше энергии, чем сопоставимые микросхемы FPGA, и обеспечивает более чем 10-ти кратное увеличение срока службы батарей по сравнению с PLD-микросхемой текущим лидером в портативных приложениях. При статическом потреблении всего 5мкВт и на 50% меньшем динамическом потреблении, по сравнению с 30000 вентильной микросхемой AGL030 компании ACTEL, микросхема Igloo AGL015 поддерживает работу от источника питания 1,2 и 1,5В, обеспечивает быстродействие системы до 250МГц, имеет 49 линий ввода-вывода и 1Кбит энергонезависимой Flash-ПЗУ. Работающая от питания 1,5В, микросхема ProASIC3 A3P015 обеспечивает быстродействие системы до 350МГц, имеет 49 линий ввода-вывода и 1Кбит энергонезависимой Flash-ПЗУ. Для обеспечения дальнейшего сокращения стоимости системы, потребляемой энергии и занимаемой площади, новые Igloo и ProASIC3 FPGA дают возможность связать сигналы с различными логическими уровнями ввода-вывода и 1Кбит встроенной памяти, теоретически исключая необходимость применения дополнительных дискретных компонентов. Использованное в архитектуре ProASIC3 и Igloo, уникальное ядро ячеек Versatile автоматически конфигурируется как комбинаторная или последовательная логика с помощью интегрированной среды разработки Actel Libero, обеспечивая более эффективную трассировку, универсальность и лучшее использование ресурсов микросхемы по сравнению с CPLD имеющими жестко заданную архитектуру.
Микросхемы выпускаются в 8x8мм однорядном квадратном плоском без выводов QFN-корпусе, что минимизирует стоимость печатной платы. Микросхемы поддерживаются программой Actel Libero IDE v8.2 SP1.
Источник: terraelectronica.ru
Отличительные особенности:
- низкое температурное сопротивление: 0,3°C/Вт;
- ток нагрузки: 22,8А (с радиатором 5°C/Вт);
- электрически не подсоединенная термоподложка;
- малая мощность управления;
- напряжение изоляции: 2500В;
- температурный диапазон: -40°C...+85°C;
- корпус ISOPLUS-264.
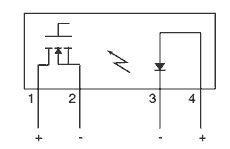
Функциональная схема CPC1709.

Области применения: промышленные системы управления, роботы, медицинское оборудование, инструменты, транспортное оборудование.
Автор: Панов Артур
Источник: terraelectronica.ru
