Новости электроники
Архив : 28 Октябрь 2023 год
Образцы малогабаритных OLED-дисплеев WEA012832FWPP3N00000, WEA012832FLPP3N00000 и WEA012832FSPP3N00000 производства компании Winstar.
Эти графические дисплеи имеют разрешение 128х32 пикселя, диагональ видимой области составляет 0,91 дюйма, а их внешние габариты – всего 36х12 мм (рисунок 1).

Рис. 1. Миниатюрные размеры новых дисплеев Winstar
Подключение к микроконтроллеру производится с помощью самого распространенного DIP-разъема с шагом 2,54 мм. Для работы с дисплеем требуется минимальное число соединительных линий – достаточно подключить только 4 провода: землю, питание и две линии интерфейса I2C. Дисплеи различаются лишь цветом точек (рисунок 2):
WEA012832FLPP3N00000 – желтый;
WEA012832FWPP3N00000 – белый;
WEA012832FSPP3N00000 – голубой.

Рис. 2. Варианты цвета и внешний вид OLED-дисплеев WEA012832F
Особенности OLED-дисплеев серии WEA012832F:
- тип: графический;
- тип монтажа контроллера: COG+PCB;
- диагональ 0,91 дюйма;
- разрешение 128×32 точек;
- микросхема управления SSD1306;
- питание 3,0…3,3 В;
- мультиплексирование 1/32 duty;
- интерфейс I2C;
- цвет дисплея:
- белый;
- желтый;
- небесно-голубой.
Источник: www.compel.ru
Цифровой 3D-датчик магнитного поля OCH1970QAD китайского производителя Orient Chip - это 3D-магнитный датчик с высокой чувствительностью и широким диапазон измерений. Миниатюрная микросхема включает в себя магнитные датчики Холла, стабилизированный усилитель с устранением дрейфа нуля и всю необходимую интерфейсную логику для независимого измерения магнитного поля в плоскостях X, Y и Z. Благодаря своей компактности и чрезвычайно низкому энергопотреблению изделие подходит для широкого спектра применений, таких как открытие/закрытие дверей и окон и обнаружение попыток несанкционированного магнитного воздействия злоумышленников на счетчики энергии.
OCH1970QAD может использоваться как функциональная замена для недоступного в настоящее время на российском рынке датчика TLE493*.

Рис. 1. Магнитные оси OCH1970QAD
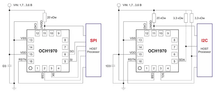
3D-датчик подключается к внешнему микроконтроллеру через интерфейс SPI или I2C. Выходные данные представлены в виде 16-битных значений по каждой оси. Для управления и вычитывания данных микросхема содержит 29 внутренних регистров. Время измерения по всем трем осям составляет 800 микросекунд, в это время ток потребления достигает 1,9 мА. Имеется возможность программного переведения датчика в состояние "отключен" (Power-Down mode) с током потребления 8,6 мкА.

Рис. 2. Варианты подключения OCH1970QAD по SPI и I2C
OCH1970QAD может работать в режимах одиночного измерения и непрерывного измерения. В режиме одиночного измерения после короткого активного цикла результаты сохраняются в регистрах, и затем OCH1970 автоматически переходит в режим отключения питания. Если установлены режимы непрерывного измерения (от 1 до 7), то измерения магнитного поля запускаются периодически с частотой 0,25 Гц, 0,5 Гц, 1 Гц, 10 Гц, 20 Гц, 50 Гц и 100 Гц соответственно. После завершения измерения результаты сохраняются в регистрах данных измерений, и все внутренние узлы, за исключением таймера сна, отключаются на заданное время. Когда наступает время следующего измерения, OCH1970 автоматически выходит из режима экономии энергии и запускает еще один активный цикл.
OCH1970 имеет два выхода прерывания, на которые можно выводить сигналы при наступлении таких событий как "готовность данных", "превышение заданного порога", "переполнение АЦП" или "насыщение магнитного сенсора".
Особенности OCH1970QAD:
- Диапазон измерений: ± 35 мT (X/Y), ±101,5 мT (Z)
- 16-битные данные по каждой оси
- Интерфейсы I2C и SPI
- Питание: от 1,7 до 3,6 В
- Рабочая температура от -40 до 85°C
- Корпус QFN16: 3,0 x 3,0 x 0,75 мм
Источник: www.compel.ru
