Линейные регуляторы Infineon серии BCR идеально подходят для управления токами светодиодов от 10 мА до 250 мА и являются оптимальным выбором для светильников малой и средней мощности общего назначения.
Это решение отличается минимальной стоимостью, требует лишь несколько дополнительных компонентов и занимает минимум пространства на печатной плате устройства. Уровень светового потока можно регулировать с помощью внешнего резистора. Управление по методу ШИМ поддерживается с помощью микроконтроллера, либо внешнего цифрового транзистора.

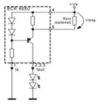
Типовая схема включения BCR4
Микросхемы представлены в миниатюрных корпусах SOT143, SOT343 и SC74. Среди регуляторов повышенной мощности компания Infineon выпускает также модель TLE4309G в корпусе с теплоотводом ТО263.
Особенностью регуляторов Infineon является отрицательная температурная зависимость выходного тока, позволяющая продлить время жизни светодиодов, уменьшая ток через светодиоды при высокой окружающей температуре.
Областями применения маломощных драйверов являются рекламные надписи и буквы, светодиодные линейки для декоративного освещения, освещение на транспорте, бытовая техника, архитектурная подсветка и многое другое.
Источник: www.compel.ru
