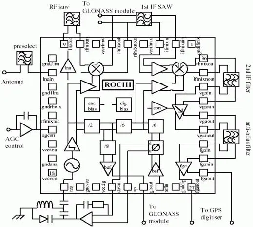
Компания Maxim/Dallas Semiconductor предложила свой вариант реализации задачи приёма сигналов спутниковой навигации. Разработанная экспериментальная БИС под рабочим названием ROCIII представляет собой однокристальный радиочастотный тракт для приёма и обработки сигналов со спутниковой группировки GPS и ГЛОНАСС.

Структурно ROCIII представляет собой полузаказную БИС выполненную по биполярной технологии и содержит большую часть каскадов необходимых для обработки ВЧ сигналов, в качестве внешних компонентов требуются полосовые фильтры промежуточной частоты и кварцевый генератор. Для исключения паразитных наводок между различными каскадами микросхемы питание и заземление на кристалл подаётся ао семи различным проводникам, обеспечивающих дополнительную экранировку. Напряжение питания составляет 3.3 Вольта, что открывает широкие возможности для использования данной микросхемы в портативной технике.

