Реле контроля уровня в основном применяются для включения/выключения насоса при достижении жидкостью заданного уровня или для предотвращения протечек. Такие реле используют в автоматических системах управления заполнением/дренажом жидкости в резервуарах – в колодцах, в канализационных коллекторах, в химических реакторах.
Компания Finder выпускает множество моделей реле, используемых в самых разных направлениях промышленности – от микропроцессорных систем управления радиоуправляемыми машинками до АСУТП ядерных реакторов на подводных лодках. Реле контроля уровня токопроводящих жидкостей объедененны в 72 серию.
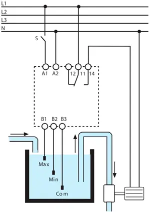
Модель 72.11 имеет фиксированную чувствительность (150 кОм) и выдержку времени (1 секунда), в модели 72.01 (например 720180240000 на 24 В DC, 720182400000 на 220 В AC) их можно менять (5…150 кОм, 0.5/7 секунд). При этом, одно и то же реле можно использовать как при наполнении, так и при дренаже. В основу работы 72 серии заложен принцип "положительной логики". Используя два электрода, можно определять уровень относительно одного электрода – выше/ниже. Добавив третий электрод, можно контролировать три уровня – выше / в пределах / ниже.
Особенности реле контроля уровня жидкости 72 серии:
Реле используется с жидкостями с достаточным удельным сопротивлением – водопроводная, родниковая, дождевая, морская, сточные воды, жидкости с небольшим количеством алкоголя, молоко, жидкие удобрения.
Положительная логика обеспечивает дополнительную безопасность. В случае выхода из строя реле или прекращения подачи управляющего напряжения, реле автоматически разомкнет контакты. Это предотвратит перелив или работу насосов на "сухом" ходу.
Включение/выключение насоса при приближении к нижнему/верхнему уровню контроллируется величиной задержки. При ее уменьшении обеспечивается более точный контроль уровня, но при этом увеличивается частота срабатывания насоса. Выдержку следует устанавливать исходя от объема резервуара и скорости его наполнения/дренажа.
Долговечность электродов зависит от расстояния между ними. Чем оно больше, тем реже будет происходить переключение контактов и, что увеличит строк службы контактов.
Однофазные электродвигатели небольшой мощности (до 0.55 кВт) могут включаться напрямую в цепь реле. Если ожидается частое включение/выключение мотора необходимо применять промежуточное реле или контактор. В мощных двигателях нужно использовать контактор.
Максимальное расстояние между электродом и реле – 200 м.
В качестве электрода рекомендуется применять поплавковый выключатель серии 72A1 (для технического водопровода) или 72B1 (для грязной воды).
Схема подключения:

72.01

72.11
Примеры использования:

Дренаж

Наполнение

Расшифровка заказных номеров на примере реле 72 серии с поплавковым выключателем и одним перекидным контактом
Источник: www.compel.ru
