Компания Infineon представила новый EasyPACK-модуль F4-23MR12W1M1_B11 с MOSFET-транзисторами с напряжением "сток-исток" 1200 В и сопротивлением открытого канала 23 мОм. Модуль имеет на борту встроенный датчик температуры NTC, а его монтаж на плату происходит при помощи контактной технологии PressFIT.
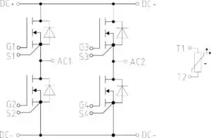
На борту модуля расположены четыре CoolSiC-транзистора, включенные по схеме H-моста со встроенным в MOSFET-структуру обратным диодом, который имеет малое время обратного восстановления. EasyPACK-корпус модуля обладает низкой собственной паразитной индуктивностью (не более 10 нГн) и обеспечивает симметричные пути протекания токов от силовых выводов, облегчая тем самым параллельное соединение модулей.

Схема включения транзисторов модуля F4-23MR12W1M1_B11
Ключевые особенности:
- Четыре MOSFET-транзистора CoolSiC с VDS =1200 В и RDSON =23 мОм;
- Низкие значения паразитных емкостей;
- Отсутствие зависимости энергии потерь от температуры;
- Встроенный обратный диод с малым временем обратного восстановления;
- Сигналы управления -5 В, +15 В, как у IGBT;
- Пороговое напряжение затвора >4 В;
- Устойчивость к токам КЗ, 3 мкс;
- Низкая паразитная индуктивность корпуса;
- Надежная технология соединения PressFIT;
- Встроенный NTC;
- Размеры 62,8 х 33,8 мм;
- Соответствует RoHS.
Области применения:
- Зарядные устройства для электротранспорта;
- DC/DC-преобразователи с высокой частотой коммутации;
- Источники бесперебойного питания;
- Сварочные аппараты;
- Инверторы для солнечных батарей;
- Медицинское оборудование.
Источник: www.compel.ru
