Компания Infineon представила новый 200 В драйвер управления затвором транзисторов IRS2007S, предназначенный для работы с MOSFET-транзисторами в конфигурации полумост в системах управления двигателем с низкими (24 В, 36 В и 48 В) и средними (60 В, 80 В и 100 В) напряжениями.
Драйверы обладают фирменной технологией защиты от скачков напряжения, а их входы совместимы со стандартом CMOS или TTL. Выходы драйверов имеют буферный каскад для минимизации перекрестной проводимости драйвера. "Плавающий" канал драйвера может использоваться для управления N-канальным MOSFET или IGBT-транзистором.
Драйверы IRS2007S доступны в стандартных 8-контактных корпусах типа SOIC.
Ключевые характеристики
- выходной ток (нарастание/спад): 290 мА/600 мА;
- напряжение затвора: 10…20 В на канал;
- защита при пониженном напряжении для VCC и VBS;
- 3, 5, 15 В-совместимые входы;
- синхронная задержка сигнала в обоих каналах;
- нечувствительность к отрицательному напряжению смещения;
- защита от сквозной проводимости;
- фиксированное время dead-time: 520 нс;
- защита от ЭСР: 2 кВ, согласно HBM;

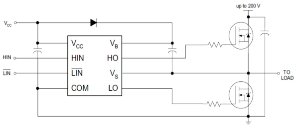
Схема подключения драйверов IRS2007S

Пример использования драйвера в управлении двигателем электро-велосипеда
Области применения
- сервоприводы;
- квадрокоптеры;
- легкие электромобили (электро-велосипеды, электро-скутеры);
- беспроводная зарядка;
- другие приложения с батарейным питанием.
Источник: www.compel.ru
