Компания Infineon пополнила семейство драйверов силовых транзисторов, представив новый двухканальный полумостовой драйвер IRS2890D, который предназначен для управления как IGBT, так и MOSFET транзисторами.
Драйвер идеально подходит для построения преобразователей частоты для электродвигателей, благодаря встроенной аппаратной защите по току и настраиваемому времени срабатывания защиты.
Технические характеристики и особенности IRS2890D:
- напряжение смещения Us до 600 В;
- диапазон напряжений питания 10…20 В;
- задержка распространения входных сигналов 500 нс (тип.);
- значение "мёртвого времени" 300 нс (тип.);
- набором встроенных защит с выводом сигнализации;
- встроенный полевой транзистор в цепи накачки верхнего плеча (bootstrap FET);
- большой импульсный выходной ток Isink/Isource 220/480 мA;
- встроенный компаратор с опорным напряжением 0,5±5% В, который можно применить для аппаратной защиты по току;
- корпус DSO-14.
Целевые применения:
- управление электродвигателями;
- инверторы напряжения широкого назначения.

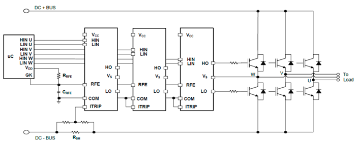
Типовое применение драйвера IRS2890DS c одним токовым шунтом в схеме трёхфазного инвертора
Источник: www.compel.ru
