Новое семейство ключей верхнего плеча разработано специально для промышленного использования, но подходит и для множества других применений. Микросхемы семейства совместимы по распиновке и позволяют разработчику промышленных систем выбирать между четырьмя различными значениями RDS(on). Все ключи имеют встроенную функцию защиты и обратную связь для диагностики. ITS4040 и ITS4075 рассчитаны на работу с номинальными токами нагрузки до 2 А на канал, а ITS4090 и ITS4130 – с током до 0,5 А.
Ключи семейства выпускаются в корпусе TSDSO-14 размерами 4,9 x 6 мм с открытой площадкой, обеспечивающей эффективный теплоотвод. Цифровые входы позволяют управлять каналами параллельно. Надежность и долговечность ключей подтверждаются соответствием стандарту JEDEC JESD47J.

Рис. 1. Блок-схема ITS4075Q-EP-D

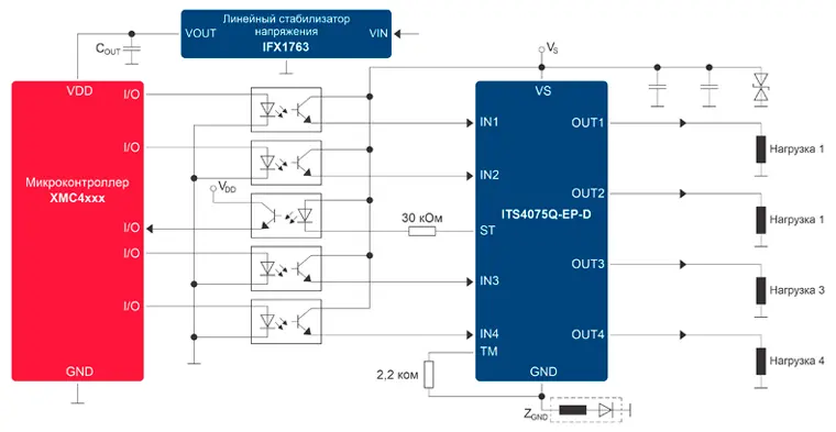
Рис. 2. Схема подключения ITS4075Q-EP-D
На упрощенной схеме подключения контакты микроконтроллера гальванически изолированы от напряжения питания ключа Vs с помощью оптронов. Благодаря тому, что входы ключа рассчитаны на 24 В, их можно подключать к оптронам напрямую. Для защиты от обратной полярности вывод TM необходимо подключать через резистор к земле микросхемы. Вывод ST обеспечивает обратную связь микроконтроллеру и предназначен для диагностики.
Параметр | Обозначение | Значение | |||
Наименование | ITS4040D-EP-D | ITS4075Q-EP-D | ITS4090Q-EP-D | ITS4130Q-EP-D | |
Количество каналов | 2 | 4 | 4 | 4 | |
Диапазон рабочего напряжения | VSNOM, В | 8…36 | 8…36 | 8…36 | 8…36 |
Максимальное напряжение питания | VS(EOP), В | 45 | 45 | 45 | 45 |
Максимальное сопротивление в открытом состоянии канала при Tj = 125°C | RDS(on)_125, мОм | 80 | 120 | 140 | 205 |
Номинальный ток нагрузки (когда все каналы активны) | IL(NOM)1, А | 2,6 | 2,6 | 0,75 | 0,65 |
Минимальный ток ограничения | IL(lim), А | 3,3 | 3,3 | 1,2 | 1,0 |
Максимальное рассеивание энергии (одиночный импульс, один канал) | EAS, мДж | 185 | 60 | 410 | 380 |
Диапазон допустимых температур | Tj, °С | -40…150 | -40…150 | -40…150 | -40…150 |
Особенности:
- 2 или 4 канала для подключения нагрузки;
- RDS(on) от 40 до 130 мОм на канал;
- Расширенный диапазон напряжений питания до 45 В;
- Защита от перегрева (с перезапуском), короткого замыкания, потери земли, перенапряжения, обратной полярности;
- Функция диагностики;
- Соответствие промышленным стандартам.
Основные преимущества:
- Низкое значение RDS(on);
- Совместимость по распиновке внутри семейства, снижающая затраты на разработку;
- Малые габариты корпуса, обеспечивающие малый форм-фактор системы;
- Низкий ток ограничения, уменьшающий затраты на трассировку печатной платы;
- Расширенный безопасный рабочий диапазон, сокращающий количество отключений и простой системы.
Применение:
- Цифровые модули в системах промышленной автоматизации и ПЛК;
- Схемы управления приводов;
- Робототехника;
- Автоматизация зданий;
- Управление любыми видами резистивных, индуктивных и емкостных нагрузок;
- Замена электромеханических реле, предохранителей и дискретных цепей в применениях, где требуется модернизация защиты и диагностики.
Источник: www.compel.ru
