В рамках серии часовых кварцевых резонаторов KX-327NHT компаниейGeyer был выпущен новый кристалл – KX-327NHT 32.768 kHz 20/50k 7pF, оптимизированный для работы с микроконтроллерами семейства STM32 производства ST Microelectronics.
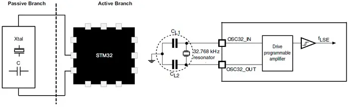
Особенностью данного резонатора являются очень низкие значения нагрузочной емкости (CL=7 пФ), шунтирующей емкости (C0=1.3 пФ) и эквивалентного последовательного сопротивления (R1=50кОм), что позволяет обеспечить очень высокие значения петлевого усиления для замкнутой системы автогенаратора. Система автогенератора с использованием внешнего кварца (применительно к микроконтроллерам STM32) состоит из двух частей: активной и пассивной. Активная часть колебательного контура представляет собой собственно сам генератор (на основе усилителя), встроенный в микроконтроллер. Задача активной части (генератора) сводится к обеспечению достаточного количества энергии при стартовом запуске для вывода системы на уровень стабильных колебаний. В устоявшемся режиме стабильных колебаний генератор обеспечивает колебательный контур энергией достаточной для компенсации потерь на пассивной части. Пассивная часть состоит из кварцевого резонатора, двух нагрузочных конденсаторов и паразитной емкости.

Структурная схема генератора с использованием внешнего резонатора
Для того чтобы генератор мог стабильно работать должны быть выполнены условия баланса фаз и баланса амплитуд. При балансе амплитуд произведение коэффициента усиления активной части схемы (усилителя, встроенного в микроконтроллер) на коэффициент цепи обратной связи (источником которой является кварцевый кристалл) равняется 1. Данный параметр носит название коэффициента передачи Gm (Gain margin). Для уверенного стартового возбуждения генератора и стабильных колебаний начальное (стартовое) значение Gm должно быть больше 1 в несколько раз. ST Microelectronics рекомендует для своих микроконтроллеров значения Gm>5 для стабильного запуска. При значениях Gm<5 запуск генератора может занять значительное время, а его стабильность и надежность не гарантируются.
Проверить, выполняется ли условие Gm>5, можно по следующей формуле:
Gmargin = gm/gmcrit , где
gm (oscillator transconductance) – крутизна вольт-амперной характеристики генератора, указываемая в технической документации на конкретный микроконтроллер. Измеряется либо в мкА/В – для низкочастотных генераторов (кГц-диапазон), либо в мА/В – для высокочастотных генераторов (MГц-диапазон). Значения gm для различных серий семейства STM32 указаны в таблице ниже:
Drive-level | STM32F0/F3 | STM32F1/T | STM32F2 | STM32F401/ | STM32F411xx | STM32L0 | STM32L1 | |||||||
Low | Med. Low | Med. High | High | NA | NA | NA | Low | High | High | Low | Med. Low | Med. High | NA | |
gm_min | 5 | 8 | 15 | 25 | 5 | 2.8 | 2.8 | 2.8 | 7.5 | 2.5 | 3.75 | 8.5 | 13.5 | 3 |
g m_crit_max | 1 | 1.6 | 3 | 5 | 1 | 0.56 | 0.56 | 0.56 | 1.5 | 0.5 | 0.75 | 1.7 | 2.7 | 0.6 |
gmcrit – минимальное значение крутизны генератора при котором обеспечивается стабильная работа. Данное значение может быть вычислено с учетом параметров пассивной части (резонатора) по формуле:
gmcrit = 4×ESR×(2πF)×(C0+CL)² , где
ESR (R1) – эквивалентное последовательное сопротивление, π=3.14, F – номинальная частота, C0 – шунтирующая емкость резонатора, CL – нагрузочная емкость резонатора.
В таблице ниже приведены примеры для микроконтроллеров STM32L1 и STM32F0 с использованием двух внешних часовых кварцев: KX-327NHT 32.768 kHz 20/50k 7pF и кварца со стандартными параметрами:
STM32L1 | STM32F0 | ||||||||
low driving | mid-low driving | mid-high driving | high driving | ||||||
CL(пФ) | ESR (Ом) | С0(пФ) | CL(пФ) | gm[µA/V]=3 | gm[µA/V]=5 | gm[µA/V]=8 | gm[µA/V]=15 | gm[µA/V]=25 | |
KX-327NHT 32.768 kHz 20/50k 7pF | 7 | 50000 | 1.3 | 0.58 | 5.1 | 8.6 | 13.7 | 25.7 | 42.8 |
Стандартный резонатор | 12.5 | 80000 | 1.6 | 2.69 | 1.1 | 1.9 | 3.0 | 5.6 | 9.3 |
уровень gm соответствует стабильному запуску генератора
уровень gm недостаточен для надежного запуска генератора
Нагрузочная емкость для резонаторов KX-327NHT 32.768 kHz 20/50k 7pF может быть рассчитана по следующей формуле:
CL= (CL1×CL2)/(CL1+CL2) + CS , где
CL – собственная нагрузочная емкость резонатора, CS – паразитная емкость печатной платы и соединительных дорожек (в общем случае от 3 до 5 пФ), CL1 , CL2 - внешние нагрузочные конденсаторы обвязки резонатора. Для кварца KX-327NHT 32.768 kHz 20/50k 7pF, с учетом CS=3.5 пФ, получим CL1=CL2=6.8 пФ. Конденсатор рекомендуется выбирать с хорошим допуском и с диэлектриком категории NPO, не подверженному эффекту DC-bias. Например: CC0402CRNPO9BN6R8 или CC0603BRNPO9BN6R8.
Кварцевый резонатор KX-327NHT 32.768 kHz 20/50k 7pF станет идеальным решением в качестве пассивной части автогенератора LSE (Low Speed External – внешнего низкочастотного источника тактирования) для микроконтроллеров семейства STM32.
Технические характеристики
- Корпус: 3.2×2.5×0.8 мм
- Номинальная частота: 32.768 кГц
- Точность настройки частоты: 20 ppm
- Температурная нестабильность частоты: 0.035 ppm/°C²
- Нагрузочная емкость: 7 пФ
- Последовательное сопротивление: 50 кОм
- Диапазон рабочих температур: -40°…+85°C
Источник: www.compel.ru
