Диодные мосты в корпусе GBU для выводного монтажа широко используются в качестве выпрямителей входных цепей источников питания различного промышленного и бытового оборудования. Исследования рынка показали, что тенденция к увеличению удельной мощности устройств и минимизации потерь предъявляет новые требования к компонентам. Диапазона прямого тока 4…30 А у диодных мостов в корпусе GBU теперь недостаточно.
Компания Yangzhou Yangjie Electronic Technology (YANGJIE) разработала новые варианты мостов в корпусе GBU (рисунок 1), уменьшив потери и расширив диапазон тока до максимального значение 35…50 А. Размер и назначение выводов корпуса остались неизменными, что позволяет производителям легко модернизировать свою продукцию, снижая электропотребление и получая больше выходной мощности без изменения топологии печатной платы, габаритов радиатора и температурных условий работы.

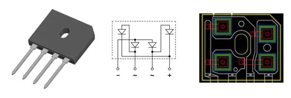
Рис. 1. Внешний вид, внутренняя схема, назначение выводов диодного моста и топология кристаллов в корпусе GBU
Особенности новых диодных мостов (таблица 1) производства компании YANGJIE:
- размеры корпуса GBU остались неизменными, диапазон тока 4…30 A расширен до 35…50A;
- защита чипов трехслойной пассивацией по технологии Photo Glass обеспечивает стабильные высокотемпературные характеристики и надежность;
- оптимизирована конструкция внутренней структуры, что позволило размещать кристаллы большего размера, минимизировать потери и улучшать характеристики рассеивания тепла.
Таблица 1. Характеристики диодных мостов производства YANGJIE
Наименование | Повторяющееся импульсное обратное напряжение VRRM, В | Средний прямой ток IO, А (без радиатора) | Ударный прямой ток IFSM, А | Прямое напряжение IF, В | Максимальный постоянный обратный ток IR, мкА | Диапазон температур перехода Tj, °C | |
Tj = 25°C | Tj = 125°C | ||||||
GBU35005A … | 50, 100, 200, 400, 600, 800, 1000 | 35 (4) | 450 | 1,05 (17,5) | 5 | 200 | -55…150 |
GBU50005 … | 50 (4) | 500 | 1,0 (25) | ||||
GBUL2506 | 600 | 25 (4) | 450 | 0,9 (12,5) | 100 | ||
| GBUL2508 | 800 | ||||||
Источник: www.compel.ru
