Акселерометр LIS2DW12 является флагманской моделью среди всех акселерометров серии LIS2xxx. Обладая минимальным собственным шумом, он может с успехом применяться в тех автомобильных приложениях, где необходимо с максимальной точностью измерять ускорения и наклоны автомобиля, например, в устройствах для оценки качества вождения. LIS2DW12 совместим по выводам с LIS2DH12, LIS2DE12, LIS2DS12 и может использоваться в качестве замены в тех случаях, когда необходимо получить более точные данные о движении объекта.
LIS2DW12 имеет уровень собственных шумов 90 мкg/√Гц и минимальное среди линейки начальное смещение ±20 мg. Диапазон измерений выбирается из ряда ±2; ±4; ±8; ±16 g. Частота выдачи отсчетов может достигать 1.6 кГц. LIS2DW имеет встроенную функцию пробуждения Wake-up и встроенные фильтры верхних и нижних частот. Режим с относительным смещением позволяет задать нулевую точку отсчета для любого положения датчика в пространстве. Микросхема работает в диапазоне питающих напряжений от 1,62 до 3,6 В. Ток потребления зависит от выбранных настроек частоты выдачи результатов и разрядности. В режиме Low Power при выдаче данных с частотой 1.6 Гц средний потребляемый ток может быть снижен до 400 нА.

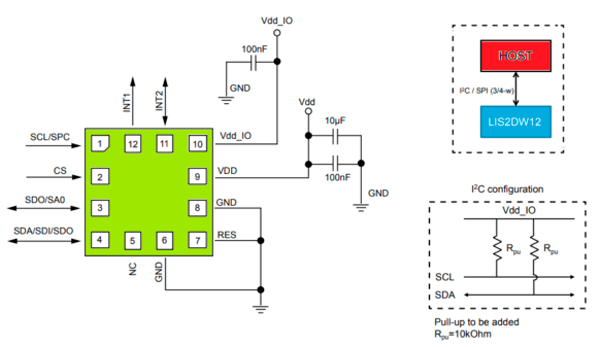
Схема включения LIS2DW12
Особенности LIS2DW12
- диапазоны измерения ускорений ±2/±4/±8/±16 g
- различные режимы работы с разной частотой и разрядностью
- внутренний буфер 32-level FIFO
- плотность шума 90 μg/√Hz
- сверхнизкий шум до 1.3 mg RMS (в режиме low power)
- разрешение 16-бит
- ультранизкое потребление
- режим Power-down: 50 nA
- режим Low-power: < 1μA @ ODR = 12.5 Гц
- напряжение питания: 1.62 - 3.6 В
- рабочая температура: -40 to +85 °C
- интерфейсы I²C/SPI
- выдерживает перегрузки до 10000g
- корпус LGA-12 (2 x 2 x 0.7 мм)
Источник: www.compel.ru
