Компания Texas Instruments предлагает LMR14006 – понижающий DC/DC для требовательных систем. Широкий входной диапазон напряжений, "Soft start", "Sleep Mode", вход управления "Shutdown" – это те преимущества, которые определяют выбор из множества DC/DC преобразователей.
Благодаря широкому входному диапазону напряжений (до 40 В), LMR14006 возможно использовать в цепях с нестабильным питанием – автомобильной электронике и индустриальной сети.
В режиме "Sleep Mode" собственное потребление микросхемы не превышает 28 мкА, а в режиме "Shutdown" потребление снижается до 1 мкА. Такое низкое потребление позволяет удлинить срок жизни батарей и использовать данную микросхему в портативных устройствах.
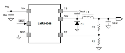
Благодаря встроенным в микросхему цепям "Soft start" и компенсации в обратной связи, схема включения LMR14006 состоит только из шести внешних компонентов, что упрощает разработку преобразователя и, в совокупности с миниатюрными размерами, позволяет экономить место на печатной плате.
Высокая частота переключения (Х версия – 1.1 МГц, Y версия – 2.1 МГц) уменьшает уровень выходных пульсаций и позволяет использовать внешний дроссель с малыми размерами.

Схема включения LMR14006

График КПД LMR14006
Выходное напряжение может быть подстроено от 0.765 В до 39 В. Максимальный ток в нагрузке – не более 600 мА.
В микросхеме LMR14006 также предусмотрены встроенные защиты:
- по превышению току (режим ограничения),
- перегреву кристалла,
- короткому замыканию выхода на землю.
Основные параметры LMR14006
- Сверхнизкое потребление в режиме Sleep Mode: 28 мкА;
- Широкий входной диапазон: 4…40 В;
- Собственное потребление в режиме Shutdown: 1 мкА;
- Максимальный выходной ток 600 мА;
- Частота преобразования: 1.1 и 2.2 МГц;
- Встроенная компенсация в обратной связи;
- Встроенный "мягкий старт";
- Высоковольтный вход управления режимом Shutdown;
- Корпус: TSOT-6L (2.9х1.6 мм).
Источник: www.compel.ru
