Преобразователи серии LSF – двунаправленные преобразователи логических уровней, работающие с сигналами в диапазоне 0,8…4,5 Вольт с одной стороны и 1,8…5,5 с другой. Преобразователи поддерживают скорости передачи данных более 100 МГц для систем с открытым стоком с емкостью 15 пФ и подтягивающим резистором 165 Ом.
Если порт An или Bn находится в низком логическом состоянии, внутренний ключ включен, и между портами An и Bn реализуется низкоомное соединение. Благодаря низкому значению сопротивления ключа Ron, реализуемое соединение обладает минимальными задержками распространения и шумами. Напряжение на стороне A или B ограничивается значением Vref_A и может быть подтянуто к любому значению между Vref_A и 5 Вольт. Данный функционал позволяет реализовать бесшовную трансляцию уровней между высокими и низкими напряжениями, выбранными пользователем, без необходимости контроля направления передачи данных.

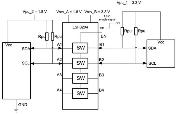
Пример трансляции интерфейса I2C
Питающее напряжение каждого канала может быть индивидуальным и устанавливается с помощью подтягивающего резистора. Например, CH1 может использоваться для повышающего согласования (1.2 V ↔ 3.3 V) а CH2 для понижающего (2.5 V ↔ 1.8 V) одновременно.
С помощью LSF0204 можно реализовать преобразование следующих комбинаций уровней:
- 0.8 V ↔ 1.8, 2.5, 3.3, 5 V
- 1.2 V ↔ 1.8, 2.5, 3.3, 5 V
- 1.8 V ↔ 2.5, 3.3, 5 V
- 2.5 V ↔ 3.3, 5 V
- 3.3 V ↔ 5 V
Источник: www.compel.ru
