Компания Linear Technology разработала микросхему, обеспечивающую оптимальный режим работы по току для мощных светоизлучающих диодов. Эта микросхема получила название "светодиодного драйвера"
.
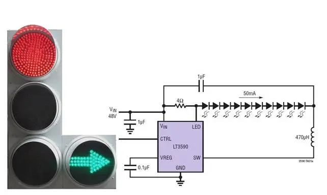
Данный полупроводниковый прибор содержит в себе понижающий DC/DC конвертер и схему стабилизации выходного тока. Он обеспечивает работу 10 последовательно включенных светодиодов с током потребления до 50 мА. Микросхема может работать в диапазоне напряжений от 4.5 Вольт до 55 Вольт(разумеется при изменении количества светодиодов в нагрузке). Производитель предлагает использовать LT3590 в автомобильной аппаратуре, в крупных светодиодных панно, светодиодных светофорах.
Источник: www.vital-ic.ru
