Новые микросхемы FSK-передатчика MAX41463 и MAX41464 от Maxim Integrated предназначены для создания беспроводных устройств в диапазонах 433 и 868 МГц. Особенностью микросхем является минимальное количество внешних компонентов и простая схема разводки на двухсторонней печатной плате.
Наличие предустановленных частот (433,42/433,92/868,95 МГц при работе от кварца 16 МГц) делает возможным работу передатчика вообще без какого-либо программирования, например, в паре с микросхемой аппаратного кодера. Для работы может использоваться любой кварцевый резонатор из диапазона 12,8…19,2 МГц. Высокая выходная мощность (до 40 мВт, +16 дБм) позволяет создавать радиодатчики с увеличенной дальностью.
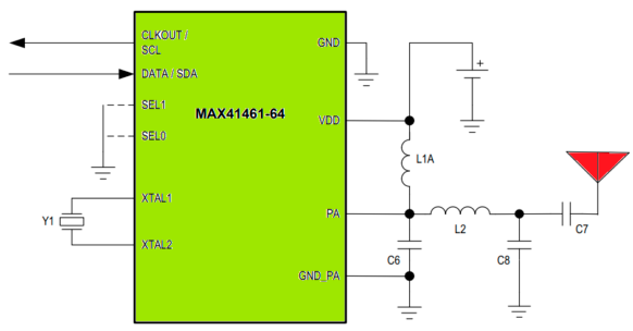
Для работы с внешним микроконтроллером используется интерфейс I²C через который загружаются значения в 20 внутренних регистров. PLL-синтезатор позволяет устанавливать любое значение частоты в диапазоне от 286 до 960 МГц. Скорость передачи данных задается от 4 до 200 Кбит/с (девиация 1-100 кГц). Рабочее напряжение микросхемы от 1.8 до 3.6 В, корпус TSSOP-10. Микросхемы MAX41463 и MAX41464 отличаются между собой номиналами частот для работы в режиме с предустановленными настройками (preset mode).
Особенности MAX41463 и MAX41464
- интерфейс I²C для связки с МК;
- режим работы с предустановленными настройками;
- можно использовать кварц из диапазона 12.8 … 19.2 МГц;
- повышенная входная мощность до 40 мВт (+16 дБм);
- подстройка антенны с помощью массива конденсаторов);
- нетребовательный корпус 10-pin TSSOP;
- не требует балуна, простая схема включения.

Схема включения MAX41463
Области применения MAX41463 и MAX41464
- автоматизация зданий и безопасность;
- беспроводные датчики и индикаторы тревоги;
- брелки управления;
- контроль давления в шинах;
- счетчики энергии;
- управление гаражными воротами;
- игрушки с радиоуправлением;
- интернет вещей (IoT).
Источник: www.compel.ru
